Для студентов МГТУ им. Н.Э.Баумана по предмету Сопротивление материаловЗадача 5.1Задача 5.1
5,0052
2022-02-172025-02-11СтудИзба
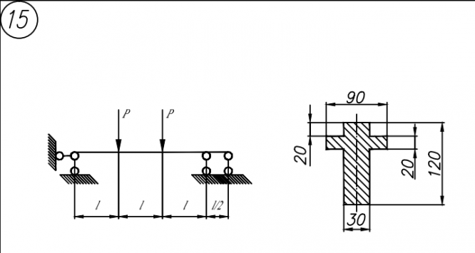
Задача 5.1 вариант 15
Описание
Домашнее задание №1, задача 1, "Статически неопределимые задачи изгиба", зачтено
Показать/скрыть дополнительное описание


Показать/скрыть дополнительное описание
Типовой расчет по сопротивлению материалов МГТУ.
Характеристики решённой задачи
Предмет
Учебное заведение
Семестр
Номер задания
Вариант
Теги
Просмотров
40
Качество
Фото рукописных листов
Размер
266,63 Kb
Список файлов
Вариант 15 СОЗИ 1 69.pdf

Спасибо за покупку! Я буду очень рад, если поставишь справедливую оценку купленному файлу :3 Ищи больше работ в моём профиле, там много нужного тебе!