Для студентов МГТУ им. Н.Э.Баумана по предмету Сопротивление материаловЗадача 3Задача 3
5,0053
2013-08-192024-11-23СтудИзба
Задача 3 вариант 22
-40%
Описание


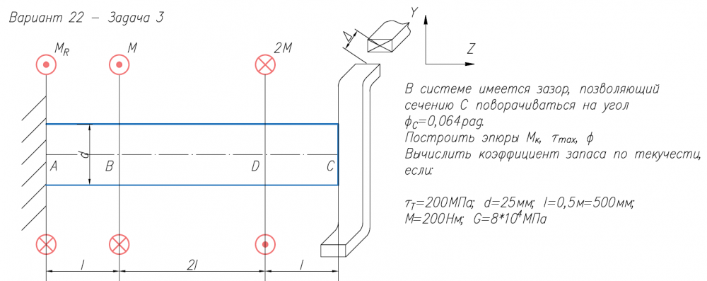
В системе имеется зазор, позволяющий сечению C поворачиваться на угол φ/С=0,064рад. Построить эпюры М/к, τ/max, φ Вычислить коэффициент запаса по текучести, если: τ/Т=200МПа; d=25мм; l=0,5м=500мм; М=200Нм; G=8*104/МПа .
Характеристики решённой задачи
Предмет
Учебное заведение
Семестр
Номер задания
Вариант
Программы
Теги
Просмотров
1138
Качество
Идеальное компьютерное
Размер
157,6 Kb
Список файлов
Вариант 22 - Задача 3.pdf

Вам все понравилось? Получите кэшбэк - 40 рублей на Ваш счёт при покупке. Поставьте оценку и напишите положительный комментарий к купленному файлу. После Вы получите деньги на ваш счет.