Для студентов МГТУ им. Н.Э.Баумана по предмету Сопротивление материаловЗадача 5.1Задача 5.1
5,0053
2021-03-192021-03-19СтудИзба
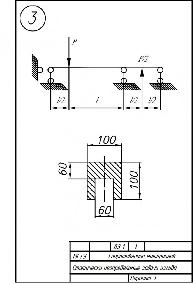
Задача 5.1 вариант 3
Описание
Характеристики решённой задачи
Предмет
Учебное заведение
Семестр
Номер задания
Вариант
Теги
Просмотров
78
Качество
Скан рукописных листов
Размер
37,59 Mb
Список файлов
ДЗ№1.1 условие.pdf
Метода для статически неопределимых балок.pdf
Страница #1.jpg
Страница #2.jpg
Страница #3.jpg
Страница #4.jpg
Титульник ДЗ1.1 для печати.jpg
Комментарии
Нет комментариев
Стань первым, кто что-нибудь напишет!
МГТУ им. Н.Э.Баумана
nootro


















