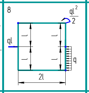
Для студентов МГТУ им. Н.Э.Баумана по предмету Сопротивление материаловЗадача 1.8Задача 1.8
5,0055
2017-08-212024-09-01СтудИзба
Задача 1.8 вариант 1
-41%
Описание


Характеристики решённой задачи
Предмет
Учебное заведение
Семестр
Номер задания
Вариант
Программы
Теги
Просмотров
387
Качество
Идеальное компьютерное
Размер
72,16 Kb
Список файлов
Вариант 1 - Задача (8).pdf

Вам все понравилось? Получите кэшбэк - 40 рублей на Ваш счёт при покупке. Поставьте оценку и напишите положительный комментарий к купленному файлу. После Вы получите деньги на ваш счет.