Для студентов МГТУ им. Н.Э.Баумана по предмету Сопротивление материаловЗадача 3Задача 3
5,0059
2013-11-092024-08-31СтудИзба
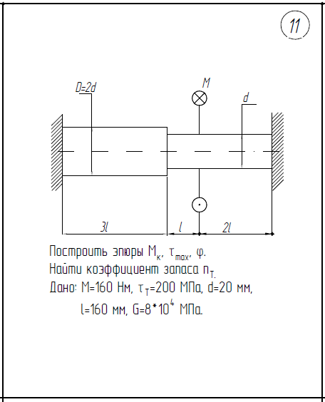
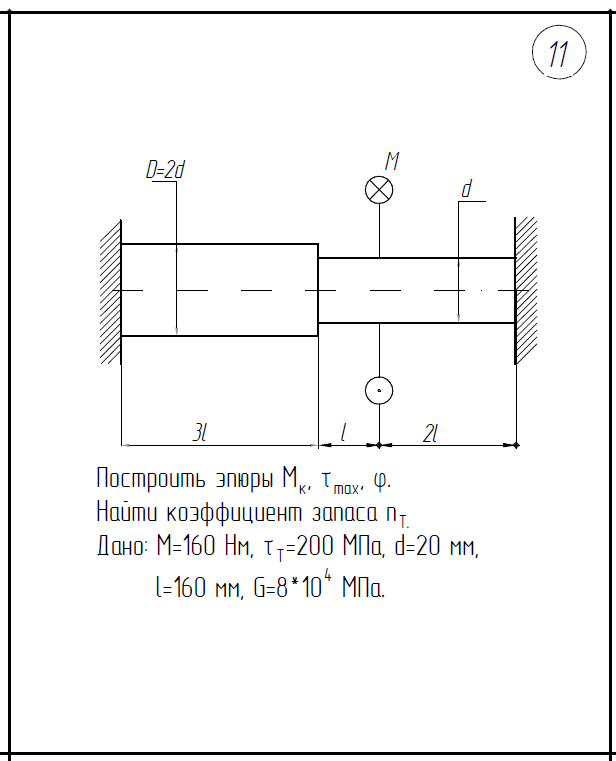
Задача 3 вариант 11
-47%
Описание

Характеристики решённой задачи
Предмет
Учебное заведение
Семестр
Номер задания
Вариант
Теги
Просмотров
1890
Качество
Фото рукописных листов
Размер
8,53 Mb
Список файлов
Задача 3.pdf
Задача (3).pdf

Вам все понравилось? Получите кэшбэк - 40 рублей на Ваш счёт при покупке. Поставьте оценку и напишите положительный комментарий к купленному файлу. После Вы получите деньги на ваш счет.