Вопросы/задания к тесту/контрольной: Прямой изгиб. Построение эпюр М и Q для балки
Описание
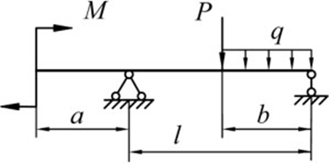
Для заданной балки требуется:
- вычертить расчетную схему балки с соблюдением масштаба по ее длине, указать все нагрузки и размеры в цифрах;
- определить опорные реакции;
- отметить на схеме участки балки;
- записать уравнения для поперечной силы Q(x) и изгибающего момента М(x) для произвольного сечения на каждом участке;
- вычислить значения Q и М в характерных сечениях балки и построить эпюры Q и М.
Дано:
Размеры: l=2,1м; а=0,5м; b=0,8м; Нагрузка: Р=22кН; q=19 кН/м; Изгибающий момент: М=14кНм.

Характеристики вопросов/заданий к КР
Предмет
Учебное заведение
Просмотров
3
Размер
126,54 Kb
Список файлов
Р.Р. №5.docx
Комментарии
Нет комментариев
Стань первым, кто что-нибудь напишет!
УрФУ им. Ельцина
all_at_700
















