Для студентов МГТУ им. Н.Э.Баумана по предмету Сопротивление материаловЗадача 4.1Задача 4.1
5,0055
2013-08-192024-12-14СтудИзба
Задача 4.1 вариант 2
-38%
Описание

Задача 4.1 решена тремя способами:
- Метод Мора
- Способ Верещагина
- Метод Коши-Крылова (Метод начальных параметров)

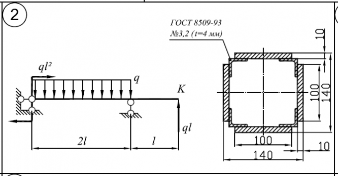
Для заданной балки требуется: 1)Построить эпюры Q/y и M/x. 2)Определить величину нагрузки при σ/Тр=σ/Тсж=240МПа; n/Т=1,5; l=1м 3)Определить угловое перемещение сечения К E=2*105/МПа 4)Нарисовать форму оси балки .
Характеристики решённой задачи
Предмет
Учебное заведение
Семестр
Номер задания
Вариант
Программы
Теги
Просмотров
383
Качество
Идеальное компьютерное
Размер
170,74 Kb
Список файлов
Вариант 2 - Задача 4.1.pdf

Вам все понравилось? Получите кэшбэк - 40 рублей на Ваш счёт при покупке. Поставьте оценку и напишите положительный комментарий к купленному файлу. После Вы получите деньги на ваш счет.