ДЗ: Основы расчета строительных конструкций вариант 9

Новинка

Описание

Показать/скрыть дополнительное описание

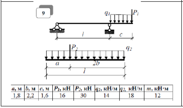
Методические указания к расчетно-графической работе. Расчет статически определимых стержней на изгиб следует начинать с определения опорных реакций из уравнений статики, которые нужно составлять таким образом, чтобы в каждое из них входила бы одна опорная реакция. Эпюры внутренних усилий - изгибающих моментов М, поперечных Q и продольных сил N строятся с использованием метода сечений, устанавливая их законы изменения в пределах рассматриваемых участков стержня, или вычисляя значения М, Q, N на границах участков и следуя следующим правилам: 1.На участках, где q = 0, поперечная сила Q = const, а изгибающий момент M изменяется по линейному закону. 2.На участках, где q = const, поперечная сила Q изменяется по линейному закону, а изгибающий момент М - по квадратной параболе, обращенной выпуклостью в сторону действия нагрузки q.

3.В сечениях, где Q = 0, изгибающий момент М может иметь экстремум. 4.В точке приложения сосредоточенной силы эпюра Q имеет скачок, равный по величине, приложенной в этой точке силе, а эпюра моментов М имеет излом. 5.В точке приложения сосредоточенного момента эпюра М имеет скачок, равный по величине приложенному моменту. В графической части задания необходимо на отдельном листе формата А4 изобразить схему стержня с геометрическими размерами и приложенными нагрузками, а также определенные из уравнений статики опорные реакции. Эпюры штрихуются прямыми линиями, перпендикулярными к оси стержня и указываются знаки внутренних усилий. В пояснительной записке приводятся необходимые расчеты по определению опорных реакций и вычислению значений внутренних усилий в рассматриваемых сечениях стержней.

Варианту задания соответствуют последние две цифры зачетной книжки..

Файлы условия, демо

Характеристики домашнего задания

Учебное заведение
Вариант
Программы
Теги
Просмотров
0
Качество
Идеальное компьютерное
Размер
51,99 Kb

Список файлов

Вариант (9).pdf
Картинка-подпись
Если вам всё понравилось, поставьте оценку и напишите пару слов о работе - так вы поможете другим покупателям. В благодарность мы вернём вам 40 рублей на счёт.❤️

Комментарии

Нет комментариев
Стань первым, кто что-нибудь напишет!
Поделитесь ссылкой:
Цена: 340 руб.
Расширенная гарантия +3 недели гарантии, +10% цены
Рейтинг автора
4,96 из 5
Поделитесь ссылкой:
Сопутствующие материалы

Подобрали для Вас услуги

-26%
-80%
Вы можете использовать домашнюю работу для примера, а также можете ссылаться на неё в своей работе. Авторство принадлежит автору работы, поэтому запрещено копировать текст из этой работы для любой публикации, в том числе в свою домашнюю работу в учебном заведении, без правильно оформленной ссылки. Читайте как правильно публиковать ссылки в своей работе.
Свежие статьи
Популярно сейчас
Как Вы думаете, сколько людей до Вас делали точно такое же задание? 99% студентов выполняют точно такие же задания, как и их предшественники год назад. Найдите нужный учебный материал на СтудИзбе!
Ответы на популярные вопросы
Да! Наши авторы собирают и выкладывают те работы, которые сдаются в Вашем учебном заведении ежегодно и уже проверены преподавателями.
Да! У нас любой человек может выложить любую учебную работу и зарабатывать на её продажах! Но каждый учебный материал публикуется только после тщательной проверки администрацией.
Вернём деньги! А если быть более точными, то автору даётся немного времени на исправление, а если не исправит или выйдет время, то вернём деньги в полном объёме!
Да! На равне с готовыми студенческими работами у нас продаются услуги. Цены на услуги видны сразу, то есть Вам нужно только указать параметры и сразу можно оплачивать.
Отзывы студентов
Ставлю 10/10
Все нравится, очень удобный сайт, помогает в учебе. Кроме этого, можно заработать самому, выставляя готовые учебные материалы на продажу здесь. Рейтинги и отзывы на преподавателей очень помогают сориентироваться в начале нового семестра. Спасибо за такую функцию. Ставлю максимальную оценку.
Лучшая платформа для успешной сдачи сессии
Познакомился со СтудИзбой благодаря своему другу, очень нравится интерфейс, количество доступных файлов, цена, в общем, все прекрасно. Даже сам продаю какие-то свои работы.
Студизба ван лав ❤
Очень офигенный сайт для студентов. Много полезных учебных материалов. Пользуюсь студизбой с октября 2021 года. Серьёзных нареканий нет. Хотелось бы, что бы ввели подписочную модель и сделали материалы дешевле 300 рублей в рамках подписки бесплатными.
Отличный сайт
Лично меня всё устраивает - и покупка, и продажа; и цены, и возможность предпросмотра куска файла, и обилие бесплатных файлов (в подборках по авторам, читай, ВУЗам и факультетам). Есть определённые баги, но всё решаемо, да и администраторы реагируют в течение суток.
Маленький отзыв о большом помощнике!
Студизба спасает в те моменты, когда сроки горят, а работ накопилось достаточно. Довольно удобный сайт с простой навигацией и огромным количеством материалов.
Студ. Изба как крупнейший сборник работ для студентов
Тут дофига бывает всего полезного. Печально, что бывают предметы по которым даже одного бесплатного решения нет, но это скорее вопрос к студентам. В остальном всё здорово.
Спасательный островок
Если уже не успеваешь разобраться или застрял на каком-то задание поможет тебе быстро и недорого решить твою проблему.
Всё и так отлично
Всё очень удобно. Особенно круто, что есть система бонусов и можно выводить остатки денег. Очень много качественных бесплатных файлов.
Отзыв о системе "Студизба"
Отличная платформа для распространения работ, востребованных студентами. Хорошо налаженная и качественная работа сайта, огромная база заданий и аудитория.
Отличный помощник
Отличный сайт с кучей полезных файлов, позволяющий найти много методичек / учебников / отзывов о вузах и преподователях.
Отлично помогает студентам в любой момент для решения трудных и незамедлительных задач
Хотелось бы больше конкретной информации о преподавателях. А так в принципе хороший сайт, всегда им пользуюсь и ни разу не было желания прекратить. Хороший сайт для помощи студентам, удобный и приятный интерфейс. Из недостатков можно выделить только отсутствия небольшого количества файлов.
Спасибо за шикарный сайт
Великолепный сайт на котором студент за не большие деньги может найти помощь с дз, проектами курсовыми, лабораторными, а также узнать отзывы на преподавателей и бесплатно скачать пособия.
Популярные преподаватели
Добавляйте материалы
и зарабатывайте!
Продажи идут автоматически
7134
Авторов
на СтудИзбе
254
Средний доход
с одного платного файла
Обучение Подробнее