Для студентов МАИ по предмету Сопротивление материаловПостроение эпюр внутренних силовых факторов при прямом поперечном изгибеПостроение эпюр внутренних силовых факторов при прямом поперечном изгибе
4,96530080
2025-07-032025-07-03СтудИзба
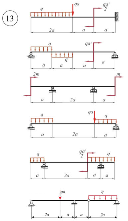
ДЗ 3.1: Построение эпюр внутренних силовых факторов при прямом поперечном изгибе вариант 13
-41%
Описание
Задача 3.1. Построение эпюр внутренних силовых факторов при прямом поперечном изгибе
- Для балок из заданного комплекта схем построить эпюры Qy и Мz
Характеристики домашнего задания
Предмет
Учебное заведение
Семестр
Номер задания
Вариант
Теги
Просмотров
1
Качество
Скан рукописных листов
Размер
10,8 Mb
Список файлов
Построение эпюр внутренних силовых факторов при прямом поперечном изгибе.pdf

Вам все понравилось? Получите кэшбэк - 40 рублей на Ваш счёт при покупке. Поставьте оценку и напишите положительный комментарий к купленному файлу. После Вы получите деньги на ваш счет.