Для студентов МАИ по предмету Сопротивление материаловПостроение эпюр внутренних силовых факторов при прямом поперечном изгибеПостроение эпюр внутренних силовых факторов при прямом поперечном изгибе
4,96530080
2025-06-012025-06-01СтудИзба
ДЗ 3.1: Построение эпюр внутренних силовых факторов при прямом поперечном изгибе вариант 2
-51%
Описание
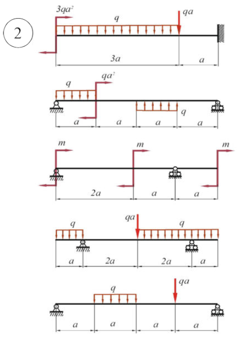
Задача 3.1. Построение эпюр внутренних силовых факторов при прямом поперечном изгибе
- Для балок из заданного комплекта схем построить эпюры Qy и Мz
Характеристики домашнего задания
Предмет
Учебное заведение
Семестр
Номер задания
Вариант
Просмотров
9
Качество
Фото рукописных листов
Размер
10,29 Mb
Список файлов
Построение эпюр внутренних силовых факторов при прямом поперечном изгиб.pdf

Вам все понравилось? Получите кэшбэк - 40 рублей на Ваш счёт при покупке. Поставьте оценку и напишите положительный комментарий к купленному файлу. После Вы получите деньги на ваш счет.