Для студентов МАИ по предмету Сопротивление материаловОсновная задачаОсновная задача
4,96530080
2025-04-292025-06-29СтудИзба
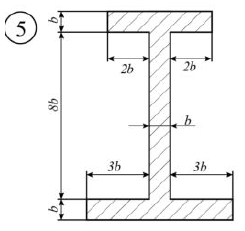
ДЗ 3.2: Основная задача вариант 17
-50%
Описание
Характеристики домашнего задания
Предмет
Учебное заведение
Семестр
Номер задания
Вариант
Просмотров
14
Качество
Фото рукописных листов
Размер
8,62 Mb
Список файлов
Основная задача.pdf

Вам все понравилось? Получите кэшбэк - 40 рублей на Ваш счёт при покупке. Поставьте оценку и напишите положительный комментарий к купленному файлу. После Вы получите деньги на ваш счет.