Для студентов МГТУ им. Н.Э.Баумана по предмету Сопротивление материаловРастяжение — сжатие, КручениеРастяжение — сжатие, Кручение
4,96529505
2024-11-062025-01-20СтудИзба
ДЗ 2: Растяжение — сжатие, Кручение вариант 30
-30%
Описание
Нужна только одна задача из всех? - Нажимай на ссылку
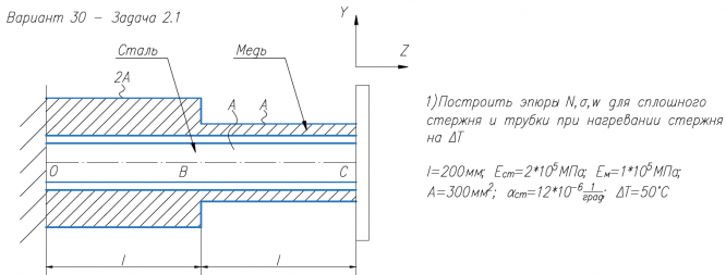
![]() | ![]() | ![]() |
Образец ![]()
Показать/скрыть дополнительное описание1)Построить эпюры N,σ,w для сплошного стержня и трубки при нагревании стержня на ΔT l=200мм; E/ст=2*105/МПа; E/м=1*105/МПа; A=300мм2/; α/ст=12*10-6/1/град; ΔT=50°С 1)Определить нагрузку, при которой в стержневой системе возникают первые пластические деформации. 2)Найти напряжения, возникающие в стержнях при найденной нагрузке. l=400мм; A=500мм2/; σ/Т=260МПа; E=2*105/МПа Построить в общем виде эпюры М/к, τ/max, φ. Определить при каком значении z (0<z<2l) работа момента М окажется наибольшей и какому z соответствует наибольшее касательное напряжение в системе. Вычислить наибольшую работу и коэффициент запаса по текучести n/Т, если: материал конструкции - сплав Д16; d=10мм; δ=D/16; τ/Т=60МПа; D=2d; M=0,4Нм; l=0,1м; G=2,7*104/МПа;.
Файлы условия, демо
Характеристики домашнего задания
Предмет
Учебное заведение
Семестр
Номер задания
Вариант
Программы
Теги
Просмотров
23
Качество
Идеальное компьютерное
Размер
680,41 Kb
Список файлов
Вариант 30 - Задача 2.1.pdf
Вариант 30 - Задача 2.2.pdf
Вариант 30 - Задача 3.pdf
Вариант 30 - Растяжение-сжатие, Кручение.pdf

Вам все понравилось? Получите кэшбэк - 40 рублей на Ваш счёт при покупке. Поставьте оценку и напишите положительный комментарий к купленному файлу. После Вы получите деньги на ваш счет.