ДЗ 2: Растяжение — сжатие, Кручение вариант 27
Описание
Нужна только одна задача из всех? - Нажимай на ссылку
![]() | ![]() | ![]() |
Образец ![]()
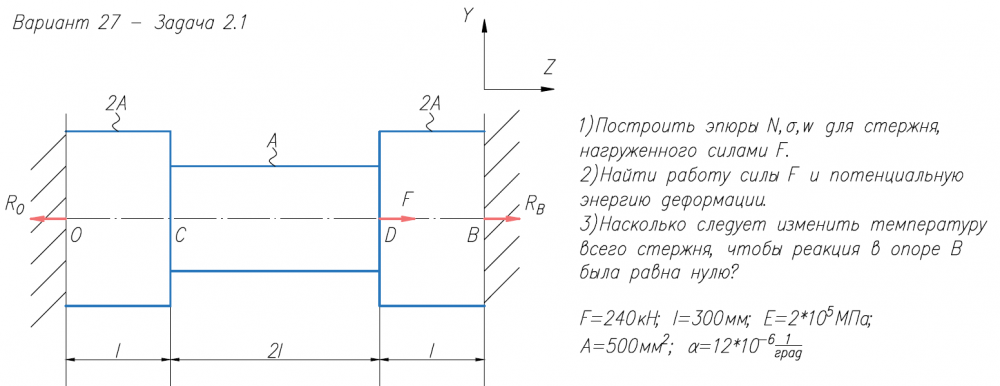
Показать/скрыть дополнительное описание1)Построить эпюры N,σ,w для стержня, нагруженного силами F. 2)Найти работу силы F и потенциальную энергию деформации. 3)Насколько следует изменить температуру всего стержня, чтобы реакция в опоре В была равна нулю? F=240кН; l=300мм; E=2*105/МПа; A=500мм2/; α=12*10-6/1/град 1)Определить нагрузку, при которой в стержневой системе возникают первые пластические деформации. 2)Найти напряжения, возникающие в стержнях при найденной нагрузке. l=500мм; A=400мм2/; σ/Т=150МПа; E=1*105/МПа Для проведения длительных испытаний торсион 1 закручен моментом М и после этого вставлен в стальную оправку 2. Торсион в оправке должен быть закручен на угол φ/1=0,08рад. Вычислить необходимый для этого момент предварительного закручивания, если: Материал торсиона - легированная сталь G=8*104/МПа; d=8мм; τ/Т=350МПа; l=0,16м.
Материал оправки - углеродистая сталь d/1=20мм; d/2=24мм. Найти коэффициент запаса по текучести n/Т при действии момента М. .
Файлы условия, демо
Характеристики домашнего задания
Список файлов
