Для студентов МГТУ им. Н.Э.Баумана по предмету Сопротивление материаловСтатически определимые балкиСтатически определимые балки
5,0054
2023-12-092024-12-08СтудИзба
ДЗ 3: Статически определимые балки вариант 20
-55%
Описание
Зачтено на максимальный балл🌞🌞🌞🌞
Спасибо за покупку 😍 😍😍😍😍
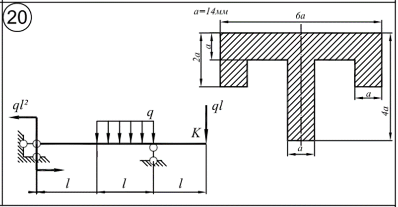
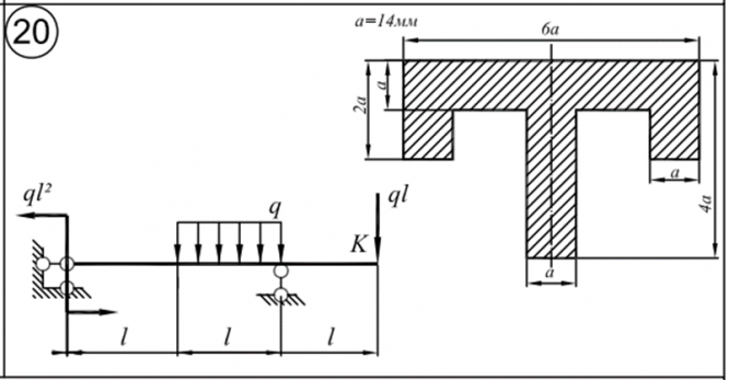
Задача 4.1

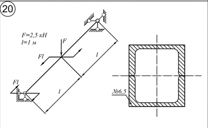
Задача 4.2


Пример решения
Задача 4.1


Задача 4.2


Характеристики домашнего задания
Предмет
Учебное заведение
Семестр
Номер задания
Вариант
Программы
Теги
Просмотров
41
Качество
Идеальное компьютерное
Размер
352,38 Kb
Список файлов
Вариант 20 - задача 4-1.docx
Вариант 20 - задача 4-2.docx

Ваше удовлетворение является нашим приоритетом, если вы удовлетворены нами, пожалуйста, оставьте нам 5 ЗВЕЗД и позитивных комментариев. Спасибо большое!. Смотрите файлы в моем профиле, там есть много полезных !