Для студентов МГТУ им. Н.Э.Баумана по предмету Сопротивление материаловСтатически определимые балкиСтатически определимые балки
5,005121
2023-12-042024-12-08СтудИзба
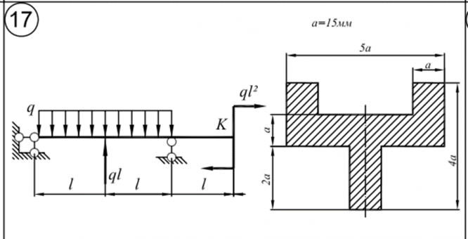
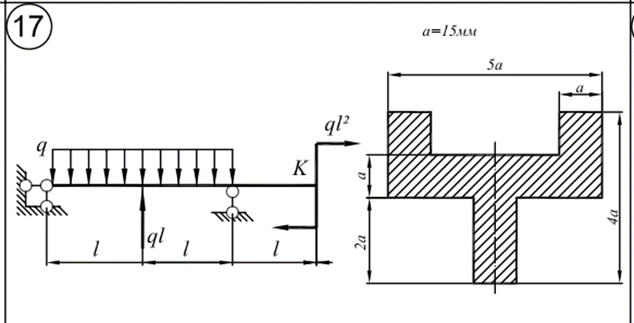
ДЗ 3: Статически определимые балки вариант 17
-55%
Описание
Зачтено на максимальный балл🌞🌞🌞
Спасибо за покупку 😍 😍😍😍😍
Задача 4.1

Задача 4.2


Пример решения
Задача 4.1


Задача 4.2


Характеристики домашнего задания
Предмет
Учебное заведение
Семестр
Номер задания
Вариант
Программы
Теги
Просмотров
144
Качество
Идеальное компьютерное
Размер
281,02 Kb
Список файлов
Вариант 17 - задача 4-1.docx
Вариант 17 - задача 4-2.docx

Ваше удовлетворение является нашим приоритетом, если вы удовлетворены нами, пожалуйста, оставьте нам 5 ЗВЕЗД и позитивных комментариев. Спасибо большое!. Смотрите файлы в моем профиле, там есть много полезных !
Комментарии

В файле была ошибка. Я исправил и сейчас все правильно.