Для студентов МГТУ им. Н.Э.Баумана по предмету Сопротивление материаловСтатически определимые балкиСтатически определимые балки
5,00512
2023-11-242024-12-08СтудИзба
ДЗ 3: Статически определимые балки вариант 2
-55%
Описание
Зачтено на максимальный балл🌞🌞🌞
Спасибо за покупку 😍 😍😍😍😍
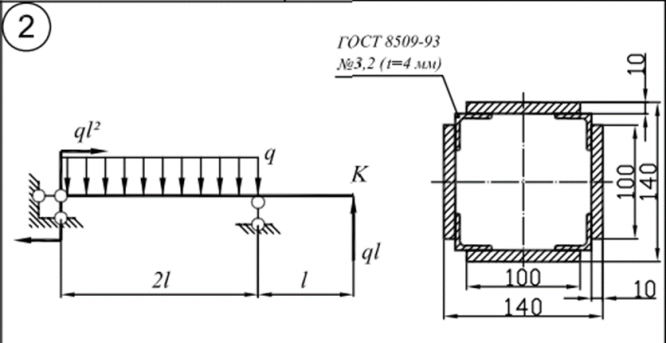
Задача 4.1



Пример решения
Задача 4.1




Характеристики домашнего задания
Предмет
Учебное заведение
Семестр
Номер задания
Вариант
Программы
Теги
Просмотров
208
Качество
Идеальное компьютерное
Размер
350,32 Kb
Список файлов
Вариант 2 - задача 4-1.docx
Вариант 2 - задача 4-2.docx

Ваше удовлетворение является нашим приоритетом, если вы удовлетворены нами, пожалуйста, оставьте нам 5 ЗВЕЗД и позитивных комментариев. Спасибо большое!. Смотрите файлы в моем профиле, там есть много полезных !