Для студентов МГТУ им. Н.Э.Баумана по предмету Сопротивление материаловРастяжение сжатие, КручениеРастяжение сжатие, Кручение
5,0056
2013-08-212025-10-20СтудИзба
ДЗ 2: Растяжение сжатие, Кручение вариант 5
-50%
Описание
Нужна только одна задача из всех? - Нажимай на ссылку
![]() | ![]() | ![]() |
Образец ![]()
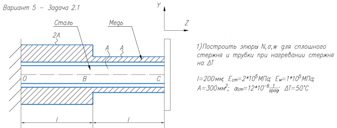
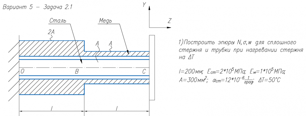
Показать/скрыть дополнительное описание1)Построить эпюры N,σ,w для сплошного стержня и трубки при нагревании стержня на ΔT l=200мм; E/ст=2*105/МПа; E/м=1*105/МПа; A=300мм2/; α/ст=12*10-6/1/град; ΔT=50°С 1)Определить нагрузку, при которой в стержневой системе возникают первые пластические деформации. 2)Найти напряжения, возникающие в стержнях при найденной нагрузке. l=500мм; E=2*105/МПа; A=200мм2/; σ/Т=240МПа 1)Построить эпюры М/к, τ/max, φ 2)Из расчета на прочность найти размер d М=100Нм; [τ]=60МПа; l=200мм; G=8*104/МПа.
Файлы условия, демо
Характеристики домашнего задания
Предмет
Учебное заведение
Семестр
Номер задания
Вариант
Программы
Теги
Просмотров
805
Качество
Идеальное компьютерное
Размер
785,39 Kb
Список файлов
Вариант 5 - Задача 2.1.pdf
Вариант 5 - Задача 2.2.pdf
Вариант 5 - Задача 3.pdf
Вариант 5 - Растяжение-сжатие, Кручение.pdf

Вам все понравилось? Получите кэшбэк - 40 рублей на Ваш счёт при покупке. Поставьте оценку и напишите положительный комментарий к купленному файлу. После Вы получите деньги на ваш счет.