Для студентов МГТУ им. Н.Э.Баумана по предмету Сопротивление материаловРастяжение — сжатие, КручениеРастяжение — сжатие, Кручение
5,005191
2022-10-292024-12-02СтудИзба
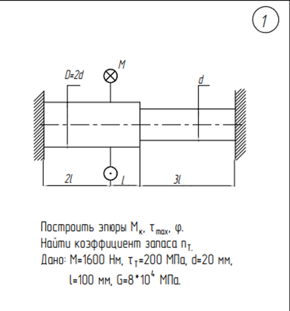
ДЗ 2: Растяжение — сжатие, Кручение вариант 1
-55%
Описание
Зачтено на максимальный балл 🔥 😍 🔥🔥🔥🔥😍😘😍



Найти напряжения, возникающие в стержнях при найденной нагрузке


3)



Характеристики домашнего задания
Предмет
Учебное заведение
Семестр
Номер задания
Вариант
Программы
Теги
Просмотров
587
Качество
Идеальное компьютерное
Размер
326,01 Kb
Список файлов
Задача 2- вар1.docx
Задача2.2-вар1.docx
Задача3-вар1.docx

Ваше удовлетворение является нашим приоритетом, если вы удовлетворены нами, пожалуйста, оставьте нам 5 ЗВЕЗД и позитивных комментариев. Спасибо большое!. Смотрите файлы в моем профиле, там есть много полезных !
Комментарии

Отзыв
все супер!!