Для студентов МГТУ им. Н.Э.Баумана по предмету Сопротивление материаловСтатически неопределимые задачи изгибаСтатически неопределимые задачи изгиба
5,0052
2022-03-302025-02-11СтудИзба
ДЗ 4: Статически неопределимые задачи изгиба вариант 18
-25%
Описание
Домашнее задание №1, задачи 1, 2, 3, "Статически неопределимые задачи изгиба", зачтено
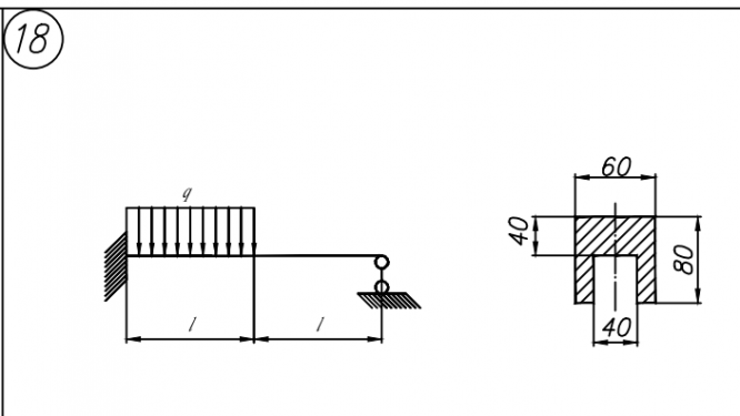
Задача 1:
Задача 2:
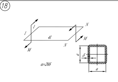
Задача 3:
Задача 1:






Характеристики домашнего задания
Предмет
Учебное заведение
Семестр
Номер задания
Вариант
Просмотров
71
Качество
Скан рукописных листов
Размер
4,71 Mb
Список файлов

Спасибо за покупку! Я буду очень рад, если поставишь справедливую оценку купленному файлу :3 Ищи больше работ в моём профиле, там много нужного тебе!