Для студентов МГТУ им. Н.Э.Баумана по предмету Сопротивление материаловСтатически неопределимые задачи изгибаСтатически неопределимые задачи изгиба
4,92523465
2021-07-212024-11-22СтудИзба
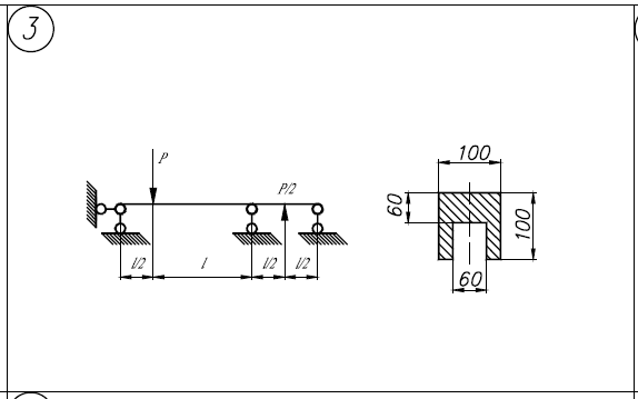
ДЗ 4: Статически неопределимые задачи изгиба вариант 3
-50%
Описание
Файлы условия, демо
Характеристики домашнего задания
Предмет
Учебное заведение
Семестр
Номер задания
Вариант
Просмотров
77
Качество
Фото рукописных листов
Размер
5,44 Mb
Список файлов
5.1.pdf
5.2.pdf
5.3.pdf
(5.1).pdf

Вам все понравилось? Получите кэшбэк - 40 рублей на Ваш счёт при покупке. Поставьте оценку и напишите положительный комментарий к купленному файлу. После Вы получите деньги на ваш счет.