Для студентов МГТУ им. Н.Э.Баумана по предмету Сопротивление материаловСтатически определимые балкиСтатически определимые балки
5,0056
2021-02-232025-10-19СтудИзба
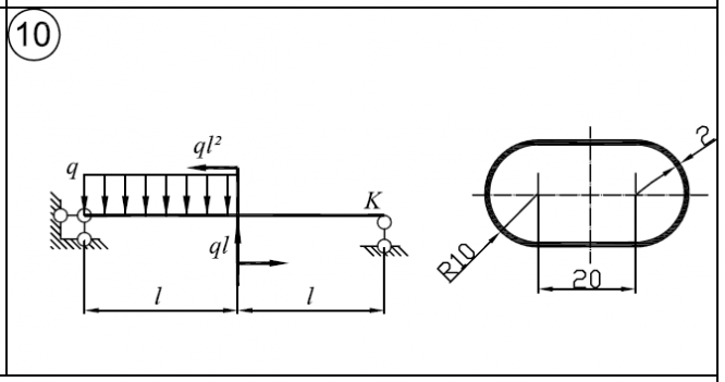
ДЗ 3: Статически определимые балки вариант 10
-55%
Описание
Нужна только одна задача из всех? - Нажимай на ссылку
Файлы условия, демо
Характеристики домашнего задания
Предмет
Учебное заведение
Семестр
Номер задания
Вариант
Теги
Просмотров
238
Качество
Скан рукописных листов
Размер
12,19 Mb
Список файлов
4.1.pdf
4.2.pdf

Вам все понравилось? Получите кэшбэк - 40 рублей на Ваш счёт при покупке. Поставьте оценку и напишите положительный комментарий к купленному файлу. После Вы получите деньги на ваш счет.