Для студентов МГТУ им. Н.Э.Баумана по предмету Сопротивление материаловСтатически определимые балкиСтатически определимые балки
4,96548
2021-02-222021-02-22СтудИзба
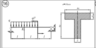
ДЗ 3: Статически определимые балки вариант 16
Описание
Домашнее задание приняли с первого раза
Все чертежи и проверки присутствуют
Написано красивым подчерком
![]()
Все чертежи и проверки присутствуют
Написано красивым подчерком

Характеристики домашнего задания
Предмет
Учебное заведение
Семестр
Номер задания
Вариант
Теги
Просмотров
36
Качество
Фото рукописных листов
Размер
12,9 Mb
Список файлов
3 сем сопр дз стопредбал.pdf
3 семсопр дз3 стопредбал.pdf
Комментарии
Нет комментариев
Стань первым, кто что-нибудь напишет!
МГТУ им. Н.Э.Баумана
vk_184542951



















