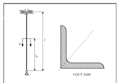
Для студентов МГТУ им. Н.Э.Баумана по предмету Сопротивление материаловУстойчивость сжатых стержнейУстойчивость сжатых стержней
5,0051
2020-12-172020-12-17СтудИзба
ДЗ 6: Устойчивость сжатых стержней вариант 3
Описание

Характеристики домашнего задания
Предмет
Учебное заведение
Семестр
Номер задания
Вариант
Теги
Просмотров
142
Размер
515,35 Kb
Список файлов
7djDuPy7xJ4.jpg
XYZ_VcpyYEY.jpg
МГТУ им. Н.Э.Баумана

















