Для студентов МГТУ им. Н.Э.Баумана по предмету Сопротивление материаловУстойчивость сжатых стержнейУстойчивость сжатых стержней
5,00511
2020-05-102020-05-10СтудИзба
ДЗ 7: Устойчивость сжатых стержней вариант 161
Описание
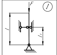
Дз выполнено по варианту 161. Дополнительно найдена критическая сила и коэффициент запаса по устойчивости. Зачтено на высший балл.
![]()

Характеристики домашнего задания
Предмет
Учебное заведение
Семестр
Номер задания
Вариант
Теги
Просмотров
282
Размер
2,58 Mb
Список файлов
Комментарии
Нет комментариев
Стань первым, кто что-нибудь напишет!
МГТУ им. Н.Э.Баумана
nelesser

















