ДЗ 4: Статически неопределимые задачи изгиба вариант 15
Описание
Нужна только одна задача из всех? - Нажимай на ссылку
Задача 5.1 ![]()
Задача 5.2 ![]()
Задача 5.3 ![]()
Образец ![]()
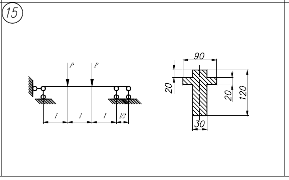
Показать/скрыть дополнительное описание1)Произвести расчет балки при упругих деформациях: а)раскрыть статическую неопределимость и построить эпюры Q/y и M/x; б)определить допускаемую нагрузку; в)изобразить примерный вид упругой линии балки. 2)Произвести расчет балки при упруго-пластических деформациях: а)вычислить предельный момент для заданного сечения; б)найти предельную нагрузку для балки и коэффициент запаса; в)определить коэффициент запаса как отношение предельной нагрузки к допустимой нагрузке. Дано: материал балки идеально упруго-пластичный; σ/Т=320МПа; [n]=1,5; l=1м 1)Раскрыть статическую неопределимость и построить эпюру M/изг; 2)Найти линейное перемещение в направлении А-А или угловое перемещение в сечении В.
3)Проверить полученное решение 1)Раскрыть статическую неопределимость и построить эпюры изгибающих M/изг и крутящих M/кр моментов. 2)Найти линейное перемещение сечения К. 3)Принять G=0,4E.
Файлы условия, демо
Характеристики домашнего задания
Список файлов
