Для студентов НИУ «МЭИ» по предмету Сопротивление материаловРешенный билетРешенный билет
4,96530109
2023-02-082023-02-08СтудИзба
Ответы к экзамену 85: Решенный билет
Описание
- 1. Устойчивость сжатого упругого стержня. Вывод формулы Эйлера
- 2. Проверить прочность цилиндра по критерию Мизеса, если r1=0,2 м, r2=0,3 м, [σ]=200 МПа, p=50 МПа, Q=2*10^3 кН
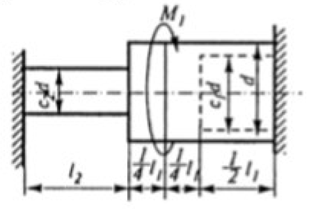
- 3. l1=l2=1 м, c2=1, c1=0,5, G=8*10^11 Па, [τ]=60 МПа, M1=1 кНм
б) из расчета на прочность выбрать допускаемый диаметр сечения d;
в) построить эпюру углов закручивания.

Характеристики ответов (шпаргалок) к экзамену
Предмет
Учебное заведение
Семестр
Номер задания
Просмотров
15
Качество
Фото рукописных листов
Размер
2,15 Mb
Список файлов
85.pdf

Вам все понравилось? Получите кэшбэк - 40 рублей на Ваш счёт при покупке. Поставьте оценку и напишите положительный комментарий к купленному файлу. После Вы получите деньги на ваш счет.