Для студентов НИУ «МЭИ» по предмету Сопротивление материаловРешенный билетРешенный билет
5,0051
2023-02-082023-02-08СтудИзба
Ответы к экзамену 67: Решенный билет
Описание
- 1. Осесимметричные тонкостенные оболочки вращения. Безмоментная теория. Вывод уравнения Лапласа.
- 2. По критерию текучести Сан-Венана определить значение радиуса r2 закрытого сосуда при r1=0,2м, [σ]=220 МПа, p=40 МПа
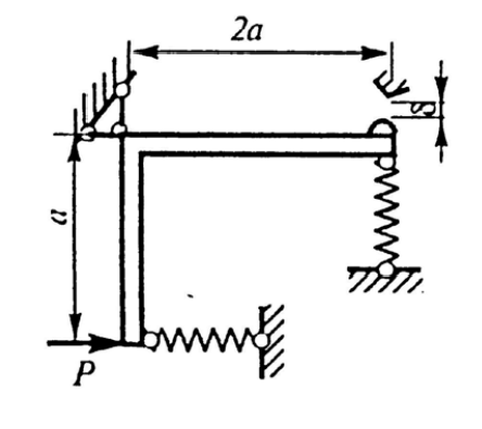
- 3. Диаметр проволоки пружин d=4 мм, диаметр витка D=4 см, число витков n=6, G=8*10^10, δ=0,1 мм. Определить силу P, при которой зазор будет перекрыт.
Характеристики ответов (шпаргалок) к экзамену
Предмет
Учебное заведение
Семестр
Номер задания
Просмотров
19
Качество
Фото рукописных листов
Размер
1,05 Mb
Список файлов
67.pdf

Вам все понравилось? Получите кэшбэк - 40 рублей на Ваш счёт при покупке. Поставьте оценку и напишите положительный комментарий к купленному файлу. После Вы получите деньги на ваш счет.