Для студентов НИУ «МЭИ» по предмету Сопротивление материаловРешенный билетРешенный билет
4,96530069
2023-02-082023-02-08СтудИзба
Ответы к экзамену 44: Решенный билет
Описание
- 1. Расчеты на устойчивость по коэффициенту снижения допускаемых напряжений.
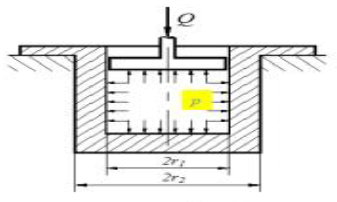
- 2. По критерию текучести Сен-Венанаопределить значение r2 толстостенного цилиндра при Q=80 кН, r1=0,2 м, G=200 МПа.
- 3. l1=l2=1 м, c2=1, c1=0,8, G=8*10^11 Па, [θ]=0,015 рад/м, М1=1 кНм
б) из расчета на жесткость выбрать допускаемый диаметр сечения d;
в) построить эпюру углов закручивания

Характеристики ответов (шпаргалок) к экзамену
Предмет
Учебное заведение
Семестр
Номер задания
Просмотров
12
Качество
Фото рукописных листов
Размер
412,08 Kb
Список файлов
44.pdf

Вам все понравилось? Получите кэшбэк - 40 рублей на Ваш счёт при покупке. Поставьте оценку и напишите положительный комментарий к купленному файлу. После Вы получите деньги на ваш счет.