Курсовая работа: САУ установки пескоструйной резки маскированных кремниевых пластин
Описание
Чертежи в PDF

«САУ установки пескоструйной резки маскированных кремниевых пластин »
Москва, 2013г.
Оглавление
Аннотация 3
Введение 4
1. Устройство экспериментальной установки пескоструйной резки 5
2. Выявление недостатков конструкции установки и пути их устранения 7
3. Механизм подачи рабочих сопел (механизм сканирования) 7
4. Транспортер цепной для подачи кассет 7
5. Система нагрева абразивного материала 8
6. Система вибрации бункера 8
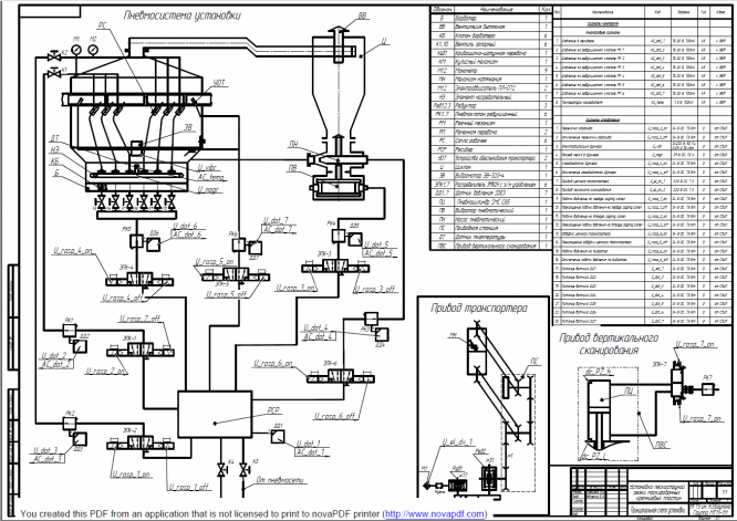
7. Пневмосистема 9
7.1. Назначение и работа пневмосистемы установки 9
7.2. Описание элементов пневмосистемы 10
7.2.1. Редукционные клапаны 10
7.2.2. Распределители 11
7.2.3. Датчики давления 12
7.2.4. Расходомеры 13
7.2.5. Запорные вентили 14
7.2.6. Манометры 16
8. Процессы 18
8.1. Операция «Общий пуск» 17
8.2. Операция «Подача сжатого воздуха» 17
8.3. Процесс «Формирование струи абразивного материала» 17
8.4. Процесс «Настройка установки» 24
8.5. Процесс «Обработка пластин» 29
9. Система электропитания и управления SPU 31
9.1. Назначение и работа системы электропитания и управления 31
9.2. Система питания 33
9.2.1. Преобразователь переменного напряжения GWS 500-24 35
9.2.2. Программируемы источник питания GEN300-5-IEEE 35
9.2.3. Программируемый источник питания ZUP36-24/E/W 36
9.3. Система управления 37
9.3.1. Клеммная плата TBI 16/8 38
9.3.2. Клеммная плата TBI 0/24C-2 38
9.3.3. Клеменная плата TBI-10 39
9.3.4. Реле G3NA-205B AC200-240 39
9.3.5. Микроконтроллер CPU188-5 40
Заключение 42
Аннотация
В курсовом проекте по курсу «Основы проектирования систем автоматического управления оборудования электронных технологий» была разработана система питания и управления установки пескоструйной резки маскированных кремниевых пластин. Графические работы проекта в объеме 5 листов формата А1 выполнены на персональном компьютере в программе КОМПАС 3D V13.0.
Расчетно–пояснительная записка выполнена в среде Microsoft Office Word 2010 и содержит 42 страницы машинописного текста, 27 таблиц и 32 рисунка.
Курсовой проект содержит следующие подразделы:
1). Описание установки пескоструйной резки;
2). Выявление недостатков конструкции установки и пути их устранения;
3). Описание систем установки;
4). Описание алгоритмов работы установки;
5). Описание системы питания и управления установки;
В данной курсовой работе была изучена установка пескоструйной резки маскированных полупроводниковых пластин. Была проведена разработка ее системы питания и управления.
Введение
Процесс пескоструйной резки
На пластину предварительно наклеивается маска-трафарет из набора защитных металлических дисков. Кремний разделяется вдоль этой маски с помощью сжатого воздуха, подаваемого с абразивным порошком. На рис. 1 представлена принципиальная схема пескоструйной обработки пластины.
Для обработки маскированных пластин 8 (рис.1) в пескоструйной камере 4 используют струйно-абразивные сопла 9. Абразивный материал всасывается в каждое сопло 9 из бункера 6 по гибкому трубопроводу за счет разряжения, создаваемого струей сжатого воздуха, выходящего из патрубка 3 в корпус сопла.
Для предотвращения выноса из камеры абразивных частиц с отработанным потоком воздуха на входе вытяжной вентиляции 1 установлен фильтр-отражатель 10 потока абразива.
Рис. 1 Принципиальная схема пескоструйной обработки кремниевой пластины
Обозначения: 1 –вытяжная вентиляция; 2 – гибкий трубопровод для подвода сжатого воздуха; 3 – трубопровод для абразивного материала; 4 – рабочая камера проходного типа; 5 – дозатор расхода абразивного материала; 6 – бункер для сбора абразива; 7 – механизм подачи пластин; 8 – обрабатываемая пластина; 9 –обрабатывающее сопло; 10 – фильтр осаждения абразивного порошка.
Схема обработки осуществляется в установках обычно в режиме непрерывной подачи пластин 8 с помощью транспортера 7 через шлюзы рабочей камеры при быстром возвратно-поступательном движении обрабатывающих сопел 9.
Характеристики курсовой работы
Список файлов

Начать зарабатывать