Для студентов МГТУ им. Н.Э.Баумана по предмету Системы автоматического управления (САУ) (МТ-11)Установка отжига корпусов ЭОП 2+Установка отжига корпусов ЭОП 2+
4,78522829
2017-12-22СтудИзба

Курсовая работа: Установка отжига корпусов ЭОП 2+

Описание

Готовая курсовая работа, которая была защищена в 2011-м году

На тему: «Установка отжига корпусов ЭОП 2+ »


Расчетно-пояснительная записка


Москва, 2011


Содержание

1.Техническое задание……………………………………………………………3

2.Реферат……………………………………………………………..……….……4

3.Введение…………………………………………………………………….……5

4.Описание процессной модели………………………………………………….5

4.1 Выбор сервисных функций………………………………………….…….9

4.2 Выбор функций коррекции цели…………………………………….……9

4.3.ТЗ на управляющую программу………………………………………….9

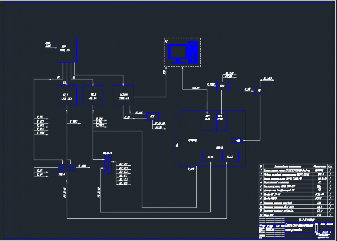
5. Описание комплексной принципиальной схемы установки………………..10

6. Камера технологическая……………………………………….……….……..12

6.1 Вакуумная камера ………………………………………………………..12

6.2 Оснастка для деталей……………………………………………………..12

6.3 Нагреватель………………………………………………………………...12

6.4 Твердотельные реле KIPPRIBOR серии HD……………………..……...13

6.5 Термопара ТХАв/ТХКв-2088-01……………………………...…………..14

6.6 ПИД Регулятор температуры ТРМ101…………………………………....15

6.7 Клапан электромагнитный SMART SM5563………………………….…18

6.8. Клапан-натекатель КН-2М………………………………………………..19

7. Вакуумная система………………………………………………………………19

7.1.Однокамерный безмасляный вакуумный спиральный насос SH-110….20

7.2.Турбомолекулярный насос Pfeiffer HiPace 1200…………………………20

7.3. Вакуумные датчики и контроллер…………………………………………23

7.4.Вакуумные электромагнитные клапаны AVC 040MA…………………….25

8. Система энергообеспечения………………………………………………………26

8.1 БПО……………………………………………………………………………..26

8.2 БП-1 (СКАТ 2400)……………………………………………………………..26

8.3 БП_2 (TPM 10512C)……………………………………………..…………….27

9. Система управления………………………………………………………………..28

9.1 Модуль процессора CPC107 (CPU188R)……………………………………28

9.2 Плата терминальная с опторазвязкой DIB915 (TBI-16/8C)………………30

9.3 Модуль релейной коммутации DIB911 (TBR8)…………………………….31

10. Заключение…………………………………………………………….....................32

11. Список литературы………………………………………………………………...33




2. Реферат

Графические работы в объеме 4 листов выполнены на ПК с помощью программы AutoCAD LT 2010. Расчетно–пояснительная записка составляет 33 листа выполненных в среде MicrosoftWord 2010.

Целью данного курсового проекта является овладение навыками, методами и средствами комплексных разработок механических и электронных компонентов оборудования САУ, а также правилами и методами составления технического задания на программное обеспечение САУ.

Задачи проекта состоят в:

  • распределении функций машины между различными компонентами и обоснование этих функций;
  • постановке четких технических заданий перед разработчиками отдельных компонентов;
  • выборе оборудования, необходимого для автоматической работы установки;
  • выполнении технической документации на электронные компоненты.

Курсовой проект выполнен в следующем объеме: процессная модель (алгоритм работы системы управления установкой); комплексная принципиальная схема установки, включающая разработку КПС механической части и КПС систем энергообеспечения и управления; схема соединений. В расчетно-пояснительной записке приведены необходимые пояснения, описания и отражены принципы построения САУ установки.



3. Введение

Основной целью курсового проектирования является закрепление знаний, полученных при изучении дисциплины САУ, применение их на практике в процессе разработки документации на САУ установки отжига корпусов ЭОП 2+.

Установка состоит из вакуумной камеры, нагревателя, системы охлаждения, вакуумной системы. Предназначена для отжига корпусов в вакууме. Вакуумная система установки снабжена турбомолекулярным насосом и механическим насосом. Управление форвакуумной и высоковакуумной магистралями производится оператором при помощи клапанов. Контролировать давление можно по показаниям манометров.

Корпус вакуумной камеры является сварной конструкцией состоящей из простых деталей, что обеспечивает простоту сборки. Толщина стенок камеры составляет 3 мм.

Материал камеры - коррозионно-стойкая нержавеющая сталь 12Х18Н10Т.

Форма камеры – цилиндрическая.

Для нагрева камеры был выбран спиральный ТЭН

Верхняя часть установки состоит из вакуумной камеры, внутри которой расположены нагреватель и оправка с корпусами. Через фланцы осуществляется подача напряжения на контакты ТЭНа с помощью токовводов, напуск газа в камеру и замер температуры посредством термопары. Камера имеет систему водяного охлаждения.

В нижней части располагается вакуумная система, подключенная к вакуумному штуцеру, розетки питания, предохранителей, сетевого выключателя.

Таблица 1 Технические характеристики установки отжига

Тип процесса

Габаритные размеры, вак. камеры (цидиндрич), мм

Мощность нагревателя, кВт

Рабочая температура T, 0С

Рабочее давление в камере, Па

Отжиг

H=265

D=200

1.5

400


Характеристики курсовой работы

Список файлов

Установка отжига корпусов ЭОП 2+
Презентация.ppt
Прочти меня.txt
САУ.doc
Чертёж.dwg
Картинка-подпись
Зарабатывай на студизбе! Просто выкладывай то, что так и так делаешь для своей учёбы: ДЗ, шпаргалки, решённые задачи и всё, что тебе пригодилось.
Начать зарабатывать

Комментарии

Нет комментариев
Стань первым, кто что-нибудь напишет!
Поделитесь ссылкой:
Цена: 1 200 руб.
Расширенная гарантия +3 недели гарантии, +10% цены
Рейтинг автора
4,78 из 5
Поделитесь ссылкой:
Сопутствующие материалы

Подобрали для Вас услуги

-26%
Вы можете использовать курсовую работу для примера, а также можете ссылаться на неё в своей работе. Авторство принадлежит автору работы, поэтому запрещено копировать текст из этой работы для любой публикации, в том числе в свою курсовую работу в учебном заведении, без правильно оформленной ссылки. Читайте как правильно публиковать ссылки в своей работе.
Свежие статьи
Популярно сейчас
А знаете ли Вы, что из года в год задания практически не меняются? Математика, преподаваемая в учебных заведениях, никак не менялась минимум 30 лет. Найдите нужный учебный материал на СтудИзбе!
Ответы на популярные вопросы
Да! Наши авторы собирают и выкладывают те работы, которые сдаются в Вашем учебном заведении ежегодно и уже проверены преподавателями.
Да! У нас любой человек может выложить любую учебную работу и зарабатывать на её продажах! Но каждый учебный материал публикуется только после тщательной проверки администрацией.
Вернём деньги! А если быть более точными, то автору даётся немного времени на исправление, а если не исправит или выйдет время, то вернём деньги в полном объёме!
Да! На равне с готовыми студенческими работами у нас продаются услуги. Цены на услуги видны сразу, то есть Вам нужно только указать параметры и сразу можно оплачивать.
Отзывы студентов
Ставлю 10/10
Все нравится, очень удобный сайт, помогает в учебе. Кроме этого, можно заработать самому, выставляя готовые учебные материалы на продажу здесь. Рейтинги и отзывы на преподавателей очень помогают сориентироваться в начале нового семестра. Спасибо за такую функцию. Ставлю максимальную оценку.
Лучшая платформа для успешной сдачи сессии
Познакомился со СтудИзбой благодаря своему другу, очень нравится интерфейс, количество доступных файлов, цена, в общем, все прекрасно. Даже сам продаю какие-то свои работы.
Студизба ван лав ❤
Очень офигенный сайт для студентов. Много полезных учебных материалов. Пользуюсь студизбой с октября 2021 года. Серьёзных нареканий нет. Хотелось бы, что бы ввели подписочную модель и сделали материалы дешевле 300 рублей в рамках подписки бесплатными.
Отличный сайт
Лично меня всё устраивает - и покупка, и продажа; и цены, и возможность предпросмотра куска файла, и обилие бесплатных файлов (в подборках по авторам, читай, ВУЗам и факультетам). Есть определённые баги, но всё решаемо, да и администраторы реагируют в течение суток.
Маленький отзыв о большом помощнике!
Студизба спасает в те моменты, когда сроки горят, а работ накопилось достаточно. Довольно удобный сайт с простой навигацией и огромным количеством материалов.
Студ. Изба как крупнейший сборник работ для студентов
Тут дофига бывает всего полезного. Печально, что бывают предметы по которым даже одного бесплатного решения нет, но это скорее вопрос к студентам. В остальном всё здорово.
Спасательный островок
Если уже не успеваешь разобраться или застрял на каком-то задание поможет тебе быстро и недорого решить твою проблему.
Всё и так отлично
Всё очень удобно. Особенно круто, что есть система бонусов и можно выводить остатки денег. Очень много качественных бесплатных файлов.
Отзыв о системе "Студизба"
Отличная платформа для распространения работ, востребованных студентами. Хорошо налаженная и качественная работа сайта, огромная база заданий и аудитория.
Отличный помощник
Отличный сайт с кучей полезных файлов, позволяющий найти много методичек / учебников / отзывов о вузах и преподователях.
Отлично помогает студентам в любой момент для решения трудных и незамедлительных задач
Хотелось бы больше конкретной информации о преподавателях. А так в принципе хороший сайт, всегда им пользуюсь и ни разу не было желания прекратить. Хороший сайт для помощи студентам, удобный и приятный интерфейс. Из недостатков можно выделить только отсутствия небольшого количества файлов.
Спасибо за шикарный сайт
Великолепный сайт на котором студент за не большие деньги может найти помощь с дз, проектами курсовыми, лабораторными, а также узнать отзывы на преподавателей и бесплатно скачать пособия.
Популярные преподаватели
Добавляйте материалы
и зарабатывайте!
Продажи идут автоматически
6876
Авторов
на СтудИзбе
270
Средний доход
с одного платного файла
Обучение Подробнее
{user_main_secret_data}