Курсовая работа: Установка низкотемпературного обезвоживания в вакууме НОВ-01

-14%

Описание

Курсовая работа по САУ 2010-го года (сдана и защищена)

Оглавление


Задание. 2

Реферат…………………………………………………………………………………………………………………………………………….…3

Введение. 5

1. Описание процессной модели. 9

1.1. Нагрев. 9

1.2. Запуск FVN.. 11

1.3 Откачка. 13

1.4 Дозатор. 14

1.5 Транспортирование. 15

1.6 Шлюз. 16

1.7 Остановка FVN.. 18

1.8 Выбор сервисных функций. 18

2. Описание комплексной принципиальной схемы.. 20

2.1. Система подачи исходного продукта Spin. 20

2.2 Камера технологическая КТ с системой транспортирования. 21

2.3 Система нагрева HS. 21

2.4 Сборник готового продукта. 23

2.5 Вакуумная система VS. 23

2.6 Система снабжения холодной водой CW... 24

2.7 Пневмосистема PSYS. 24

2.8 Система электропитания и управления SPU.. 24

3. Техническое задание на элементы и узлы САУ.. 26

Заключение. 38

Список литературы. 39


Реферат.


Графические работы в объеме 5 листов выполнены на ПК с помощью программы АСКОН КОМПАС v.11Plus. Записка выполнена с использованием программного продукта Microsoft Word 2007.

Целью данного курсового проекта является овладение навыками, методами и средствами комплексных разработок механических и электронных компонентов оборудования САУ, а также правилами и методами составления технического задания на программное обеспечение САУ.

Задачи проекта состоят в:

  • распределении функций машины между различными компонентами и обоснование этих функций;
  • постановке четких технических заданий перед разработчиками отдельных компонентов;
  • выполнении технической документации на электронные компоненты.

В проекте разработана система управления установкой низкотемпературного обезвоживания в вакууме НОВ-01.

Курсовой проект выполнен в следующем объеме: комплексная принципиальная схема (КПС) установки, включающая разработку КПС механической части, КПС систем пневмоавтоматики, энергообеспечения и управления; схема; экран монитора персонального компьютера.



Введение


Установка низкотемпературного обезвоживания органических веществ (установка НОВ-0.1АГ) разработана ООО «Научно-экспертным обществом «Эльтрон» (далее НЭО «Эльтрон») на основе патентов, держателем которых является ООО «НЭО Эльтрон».

В основе конструкция и принципа действия установки НОВ-0.1АГ лежит технология низкотемпературного обезвоживания в вакууме (технология НОВ). Технология НОВ – это процесс разделения исходного продукта большой первоначальной влажности на три составляющие: сухой продукт, водный конденсат и газообразный выхлоп, при этом нагрев обрабатываемого продукта осуществляется в вакууме в температурном диапазоне, нижний предел которого ограничивается температурой испарения воды при рабочем давлении в технологическом объеме, а верхний условиями, обеспечивающими отсутствие необратимых потерь полезных свойств исходного вещества и возможностью уничтожения живых клеток организмов и растений, присутствующих в обрабатываемом веществе.

Установка низкотемпературного обезвоживания в вакууме (НОВ-01) предназначена для демонстрации возможностей технологии НОВ и для отработки режимов обезвоживания различных веществ, имеющих первоначальную влажность от 98% до 65%.

Благодаря своей универсальности разработанная технология НОВ может быть использована для решения задач экологического бизнеса в таких областях как:

  • переработка птичьего помета на высокоэффективное органическое удобрение, аналогичное естественному гуано;
  • утилизация и переработка свиного помета;
  • переработка отходов лесоперерабатывающего производства и создание экологически чистых стройматериалов;
  • экологически чистая и безотходная переработка продуктов человеческой жизни деятельности (фекалий);
  • получение экологически чистого органического удобрения из отходов сахарного производства (дефиката);
  • переработка молочной сыворотки в импортозамещающий белково-витаминный продукт функционального питания людей;
  • производство лечебных грязей, парфюмерных добавок, смазывающих охлаждающих жидкостей для буровых машин и кормовых добавок из сапропелей;
  • производство микробиологического белка из отходов спиртового производства;
  • производство широкой гаммы порошков влажностью от 8 до 14 % и паст влажностью от 60 до 70 %: различных овощей, фруктов, томатов, моркови, грибов, яблок, чеснока, пивной дробины и других продуктов с начальной влажностью до 98%, использующихся при производстве соков и в качестве кормовых и пищевых добавок.

Отметим, что в случае необходимости изменения профиля предприятия и перехода к производству от одних продуктов к другим товарам с использованием технологии НОВ, установки низкотемпературного обезвоживания в вакууме (установки НОВ) не требуют серьезных конструкционных изменений. Модернизация оборудования, связана в основном с разработкой нового технологического регламента в соответствии с новым продуктом переработки и изменением конструкции узла подачи в установку НОВ исходного продукта. При этом затратная часть на проведение этих работ незначительна и составляет не более 15% от стоимости установки НОВ.

В установке предусмотрен нагрев обрабатываемого продукта с помощью горячей воды, циркулирующей по замкнутому контуру и нагреваемой тепловой машиной и тепловым котлом.

Транспортирование продукта по теплообменнику осуществляется ленточным конвейером с приводом от пневмоцилиндра. Интервалы времени между тактами локальных перемещений могут определяться программно и изменяться в процессе работы установки.

Управление установкой при выходе на стационарный режим осуществляется оператором. На мониторе отображается состояние ее подсистем и элементов. Оператор запускает процессы откачки, нагрева, подачи и транспортирования продукта, вручную по подсказке с монитора коммутируя клапана и включая насосы. Он имеет возможность задавать уставки на основные параметры реализуемых процессов, активизировать их и далее они выполняются автоматически.

В процессе работы установки фиксируются в памяти системы управления и сохраняются на жестком диске файлы отчёта о работе, предназначенные для анализа режимов ее работы с целью выбора оптимальных режимов функционирования. Ручной режим управления позволяет реализовать нетиповые режимы и устранять нештатные ситуации.

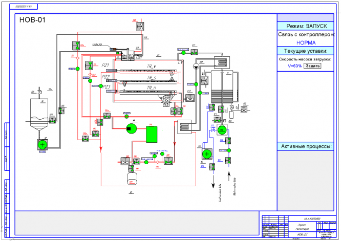
Продукт из приемного бункера Bp насосом NZ подается в дозатор Dzt, из которого с помощью загрузочного шлюза, приводимого в действие пневмоцилиндром дозатора PZD попадает в камеру технологическую КТ.

В камере КТ размещен теплообменник из полого алюминиевого профиля. Над ним расположена лента транспортера, приводимая в действие пневмоцилиндром PZK. При движении транспортера продукт нагревается от алюминиевого профиля, во внутренней полости которого циркулирует горячая вода.

Нагрев продукта от теплообменника и откачка камеры технологической вакуумным насосом FVN приводят к интенсивному испарению содержащейся в продукте влаги. Дойдя до конца теплообменника, продукт ножом соскребается с полотна транспортера и выгружается в приемную емкость.



Функционально установка НОВ-01 состоит из:

  1. системы подачи исходного продукта Spin;
  2. камеры технологической КТ с системой транспортирования ;
  3. системы нагрева HS;
  4. cборника готового продукта SPout ;
  5. вакуумной системы VS;
  6. системы снабжения холодной водой CW;
  7. пневмосистемы PSYS;
  8. системы электропитания и управления SPU.

Характеристики курсовой работы

Список файлов

Установка низкотемпературного обезвоживания в вакууме НОВ-01
Задание.doc
Презентация.ppt
Прочти меня.txt
САУ.doc
Титульный лист.doc
Чертёж (1).cdw
Чертёж (1).frw
Чертёж (2).cdw
Чертёж (2).frw
Чертёж (3).cdw
Чертёж (4).cdw
Картинка-подпись
Зарабатывай на студизбе! Просто выкладывай то, что так и так делаешь для своей учёбы: ДЗ, шпаргалки, решённые задачи и всё, что тебе пригодилось.
Начать зарабатывать

Комментарии

Нет комментариев
Стань первым, кто что-нибудь напишет!
Поделитесь ссылкой:
Цена: 1 200 1 029 руб.
Расширенная гарантия +3 недели гарантии, +10% цены
Рейтинг автора
4,79 из 5
Поделитесь ссылкой:
Сопутствующие материалы

Подобрали для Вас услуги

Вы можете использовать курсовую работу для примера, а также можете ссылаться на неё в своей работе. Авторство принадлежит автору работы, поэтому запрещено копировать текст из этой работы для любой публикации, в том числе в свою курсовую работу в учебном заведении, без правильно оформленной ссылки. Читайте как правильно публиковать ссылки в своей работе.
Свежие статьи
Популярно сейчас
Почему делать на заказ в разы дороже, чем купить готовую учебную работу на СтудИзбе? Наши учебные работы продаются каждый год, тогда как большинство заказов выполняются с нуля. Найдите подходящий учебный материал на СтудИзбе!
Ответы на популярные вопросы
Да! Наши авторы собирают и выкладывают те работы, которые сдаются в Вашем учебном заведении ежегодно и уже проверены преподавателями.
Да! У нас любой человек может выложить любую учебную работу и зарабатывать на её продажах! Но каждый учебный материал публикуется только после тщательной проверки администрацией.
Вернём деньги! А если быть более точными, то автору даётся немного времени на исправление, а если не исправит или выйдет время, то вернём деньги в полном объёме!
Да! На равне с готовыми студенческими работами у нас продаются услуги. Цены на услуги видны сразу, то есть Вам нужно только указать параметры и сразу можно оплачивать.
Отзывы студентов
Ставлю 10/10
Все нравится, очень удобный сайт, помогает в учебе. Кроме этого, можно заработать самому, выставляя готовые учебные материалы на продажу здесь. Рейтинги и отзывы на преподавателей очень помогают сориентироваться в начале нового семестра. Спасибо за такую функцию. Ставлю максимальную оценку.
Лучшая платформа для успешной сдачи сессии
Познакомился со СтудИзбой благодаря своему другу, очень нравится интерфейс, количество доступных файлов, цена, в общем, все прекрасно. Даже сам продаю какие-то свои работы.
Студизба ван лав ❤
Очень офигенный сайт для студентов. Много полезных учебных материалов. Пользуюсь студизбой с октября 2021 года. Серьёзных нареканий нет. Хотелось бы, что бы ввели подписочную модель и сделали материалы дешевле 300 рублей в рамках подписки бесплатными.
Отличный сайт
Лично меня всё устраивает - и покупка, и продажа; и цены, и возможность предпросмотра куска файла, и обилие бесплатных файлов (в подборках по авторам, читай, ВУЗам и факультетам). Есть определённые баги, но всё решаемо, да и администраторы реагируют в течение суток.
Маленький отзыв о большом помощнике!
Студизба спасает в те моменты, когда сроки горят, а работ накопилось достаточно. Довольно удобный сайт с простой навигацией и огромным количеством материалов.
Студ. Изба как крупнейший сборник работ для студентов
Тут дофига бывает всего полезного. Печально, что бывают предметы по которым даже одного бесплатного решения нет, но это скорее вопрос к студентам. В остальном всё здорово.
Спасательный островок
Если уже не успеваешь разобраться или застрял на каком-то задание поможет тебе быстро и недорого решить твою проблему.
Всё и так отлично
Всё очень удобно. Особенно круто, что есть система бонусов и можно выводить остатки денег. Очень много качественных бесплатных файлов.
Отзыв о системе "Студизба"
Отличная платформа для распространения работ, востребованных студентами. Хорошо налаженная и качественная работа сайта, огромная база заданий и аудитория.
Отличный помощник
Отличный сайт с кучей полезных файлов, позволяющий найти много методичек / учебников / отзывов о вузах и преподователях.
Отлично помогает студентам в любой момент для решения трудных и незамедлительных задач
Хотелось бы больше конкретной информации о преподавателях. А так в принципе хороший сайт, всегда им пользуюсь и ни разу не было желания прекратить. Хороший сайт для помощи студентам, удобный и приятный интерфейс. Из недостатков можно выделить только отсутствия небольшого количества файлов.
Спасибо за шикарный сайт
Великолепный сайт на котором студент за не большие деньги может найти помощь с дз, проектами курсовыми, лабораторными, а также узнать отзывы на преподавателей и бесплатно скачать пособия.
Популярные преподаватели
Добавляйте материалы
и зарабатывайте!
Продажи идут автоматически
7213
Авторов
на СтудИзбе
248
Средний доход
с одного платного файла
Обучение Подробнее