Курсовая работа: САУ установкой для дозирования клеевых составов

Описание

Курсовая работа по САУ 2010-го года (сдана и защищена)

Содержание


1. Реферат. 3

2. Введение. 4

3 Комплексная принципиальная схема. 5

3.1. Механическая часть. 6

5. Описание элктрической части установки. 79

5.1. Шаговый двигаетль. 7

5.2. Дозатор. 11

6 Блок питания. 12

7Датчики контроля. 13

8 Драйвер. 14

9Микроконтроллер. 15

4.Документы сопровождающие КПС.. 4

10. Заключение. 16

11. Список использованных источников. 17



В данном курсовом проекте рассмотрена система автоматизированного управления 3х координатным станком для дозирования клеевых составов.

Рассмотрены основные узлы .

Графическую часть проекта составляют 4 листа, выполненных в среде Компас-3D V9.

Расчетно – пояснительная записка составляет 26 листов, выполненных в среде Microsoft Word 2007.


Графическая часть курсового проекта содержит:

  1. Процессную модель установки. Блок схему алгоритмов работы.
  2. Комплексную принципиальную схему установки.
  3. Таблицы сигналов и элементов.


2. Введение


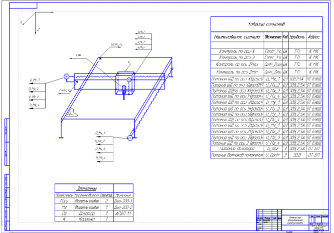
3. Комплексная принципиальная схема


КПС установки дозирования клеевых составов состоит из:

  • Механической части;
  • Блока питания (БП);
  • Блока управления шаговыми двигателями;
  • Блока управления дозатором;
  • Компьютера PC;

3.1. Механическая часть


Рис. 1. Кинематическая схема

Конструкция станка включает:

  • Механизм поперечного перемещения по оси Х
  • Механизм продольного перемещения по оси Y
  • Механизм вертикального перемещения по оси Z
  • Дозатор

Механизм перемещения по оси Х и Y

Перемещение в поперечном и продольном направлении осуществляется по направляющим качения , основу которых составляет пруток диаметром 16 мм из стали 18ХГТ с твердостью 59-61 HRC при глубине закаленного после обработки слоя не менее 0,8 – 1 мм. По направляющим перемещается каретка, в которую вмонтированы шариковые втулки. Каретка приводится в движение с помощью привода, состоящего из передачи винт-гайка и шагового двигателя.

Крепление ходового винта и двух направляющих осуществляется в стенки (для механизма перемещения вдоль оси Y) или в каретку продольного перемещения( для механизма перемещения вдоль оси X).


Для определения начала отсчета в станке установлены 2 датчика (конечных выключателя). При определении «0» станка, приводы выводят опору и каретку со шпинделем в крайнее положение. При нажатии на конечный выключатель, привод производит отвод на несколько мм и медленный подвод столика или каретки к датчику (для обеспечения точности).

Характеристики курсовой работы

Список файлов

САУ установкой для дозирования клеевых составов
Презентация.ppt
Прочти меня.txt
РПЗ.doc
Чертёж (1).cdw
Чертёж (1).frw
Чертёж (2).cdw
Чертёж (3).cdw
Картинка-подпись
Зарабатывай на студизбе! Просто выкладывай то, что так и так делаешь для своей учёбы: ДЗ, шпаргалки, решённые задачи и всё, что тебе пригодилось.
Начать зарабатывать

Комментарии

Нет комментариев
Стань первым, кто что-нибудь напишет!
Поделитесь ссылкой:
Цена: 1 200 руб.
Расширенная гарантия +3 недели гарантии, +10% цены
Рейтинг автора
4,79 из 5
Поделитесь ссылкой:
Сопутствующие материалы

Подобрали для Вас услуги

-55%
Вы можете использовать курсовую работу для примера, а также можете ссылаться на неё в своей работе. Авторство принадлежит автору работы, поэтому запрещено копировать текст из этой работы для любой публикации, в том числе в свою курсовую работу в учебном заведении, без правильно оформленной ссылки. Читайте как правильно публиковать ссылки в своей работе.
Свежие статьи
Популярно сейчас
Как Вы думаете, сколько людей до Вас делали точно такое же задание? 99% студентов выполняют точно такие же задания, как и их предшественники год назад. Найдите нужный учебный материал на СтудИзбе!
Ответы на популярные вопросы
Да! Наши авторы собирают и выкладывают те работы, которые сдаются в Вашем учебном заведении ежегодно и уже проверены преподавателями.
Да! У нас любой человек может выложить любую учебную работу и зарабатывать на её продажах! Но каждый учебный материал публикуется только после тщательной проверки администрацией.
Вернём деньги! А если быть более точными, то автору даётся немного времени на исправление, а если не исправит или выйдет время, то вернём деньги в полном объёме!
Да! На равне с готовыми студенческими работами у нас продаются услуги. Цены на услуги видны сразу, то есть Вам нужно только указать параметры и сразу можно оплачивать.
Отзывы студентов
Ставлю 10/10
Все нравится, очень удобный сайт, помогает в учебе. Кроме этого, можно заработать самому, выставляя готовые учебные материалы на продажу здесь. Рейтинги и отзывы на преподавателей очень помогают сориентироваться в начале нового семестра. Спасибо за такую функцию. Ставлю максимальную оценку.
Лучшая платформа для успешной сдачи сессии
Познакомился со СтудИзбой благодаря своему другу, очень нравится интерфейс, количество доступных файлов, цена, в общем, все прекрасно. Даже сам продаю какие-то свои работы.
Студизба ван лав ❤
Очень офигенный сайт для студентов. Много полезных учебных материалов. Пользуюсь студизбой с октября 2021 года. Серьёзных нареканий нет. Хотелось бы, что бы ввели подписочную модель и сделали материалы дешевле 300 рублей в рамках подписки бесплатными.
Отличный сайт
Лично меня всё устраивает - и покупка, и продажа; и цены, и возможность предпросмотра куска файла, и обилие бесплатных файлов (в подборках по авторам, читай, ВУЗам и факультетам). Есть определённые баги, но всё решаемо, да и администраторы реагируют в течение суток.
Маленький отзыв о большом помощнике!
Студизба спасает в те моменты, когда сроки горят, а работ накопилось достаточно. Довольно удобный сайт с простой навигацией и огромным количеством материалов.
Студ. Изба как крупнейший сборник работ для студентов
Тут дофига бывает всего полезного. Печально, что бывают предметы по которым даже одного бесплатного решения нет, но это скорее вопрос к студентам. В остальном всё здорово.
Спасательный островок
Если уже не успеваешь разобраться или застрял на каком-то задание поможет тебе быстро и недорого решить твою проблему.
Всё и так отлично
Всё очень удобно. Особенно круто, что есть система бонусов и можно выводить остатки денег. Очень много качественных бесплатных файлов.
Отзыв о системе "Студизба"
Отличная платформа для распространения работ, востребованных студентами. Хорошо налаженная и качественная работа сайта, огромная база заданий и аудитория.
Отличный помощник
Отличный сайт с кучей полезных файлов, позволяющий найти много методичек / учебников / отзывов о вузах и преподователях.
Отлично помогает студентам в любой момент для решения трудных и незамедлительных задач
Хотелось бы больше конкретной информации о преподавателях. А так в принципе хороший сайт, всегда им пользуюсь и ни разу не было желания прекратить. Хороший сайт для помощи студентам, удобный и приятный интерфейс. Из недостатков можно выделить только отсутствия небольшого количества файлов.
Спасибо за шикарный сайт
Великолепный сайт на котором студент за не большие деньги может найти помощь с дз, проектами курсовыми, лабораторными, а также узнать отзывы на преподавателей и бесплатно скачать пособия.
Популярные преподаватели
Добавляйте материалы
и зарабатывайте!
Продажи идут автоматически
7169
Авторов
на СтудИзбе
252
Средний доход
с одного платного файла
Обучение Подробнее