Курсовая работа: Разработка системы управления автооператорной линии травления

-14%

Описание

Курсовая работа по САУ 2010-го года (сдана и защищена)

Расчетно-пояснительная записка

к курсовому проекту по курсу

«Система автоматического управления»

на тему:

«Разработка системы управления автооператорной линии травления»



Москва 2010 г.


Задание на проект. 3

Реферат. 4

Введение. 5

1. Описание процессной модели. 6

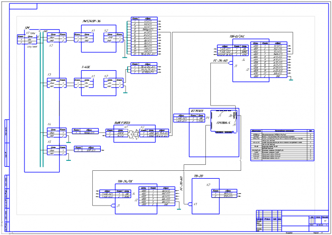
2. Описание комплексной принципиальной схемы ФС. Обоснование структурно-компоновочного решения, выбор и согласования уровней потоков элементов. 9

3. Документы, сопровождающие комплексную принципиальную схему. 11

3.1 Перечень элементов ПЭ.. 11

3.2 Перечень потоков и сигналов ПС.. 11

4. Информационный поиск датчиков и исполнительных элементов машины и ее САУ.. 13

4.1 Микроконтроллер AT89C5131. 13

4.2 АЦП MAX165. 15

4.3 Аналоговый ключ DG508A.. 17

4.4 Компрессор для пневмосистемы.. 18

4.5 Компрессор для охлаждения. 19

4.6 Датчик температуры.. 20

4.7 Нагреватель. 21

5. Расчет и описание принципиальной электрической схемы.. 22

5.1 Расчет операционного усилителя. 22

5.2 Расчет оптронной развязки. 23

5.3 Расчет времени нагрева раствора. 24

Заключение. 25

Список литературы.. 26

Приложение. 27


Задание на проект


Реферат

На расчетно-пояснительную записку к курсовому проекту на тему «Система управления автооператорной линией травления»

РПЗ содержит страниц текста 26, рисунков 13, таблицы 4.

Графические работы в объеме 4 листов выполнены на ПК с помощью программы Компас V12. Записка выполнена с использованием среды Microsoft Word.

Целью проекта является автоматизация процесса травления печатной платы и разработка системы управления установкой, овладение навыками, методами и средствами комплексных разработок электронных компонентов оборудования САУ.

В ходе выполнения курсового проекта:

-проработано описание работы машины

-разработана комплексная принципиальная схема

-разработана принципиальная электрическая схема.




Введение


Постоянное совершенствование микроэлектронной технологии, рост степени интеграции микросхем, увеличение функциональной насыщенности электронной аппаратуры, повышение производительности вычислительных процессов требуют постоянного роста плотности печатного монтажа, освоения новых технологий сборочно-монтажного производства, дальнейшего совершенствования технологического обеспечения надежности. Современные требования к электронным приборам и оборудованию заставляют все эти процессы идти с все возрастающей скоростью. С увеличением требований к электронным приборам увеличиваются требования к печатным платам, к их надежности, появляется потребность в более тщательном тестировании печатных плат, необходимо проверять надежность печатной платы при работе в агрессивной среде.

Перед началом проекта необходимо:

  • внимательно изучить и продумать все возможные варианты применения САУ в данной конструкции и выбрать оптимальный из этих вариантов, как по цене, так и по сложности изготовления и эксплуатации;
  • обеспечить проектируемое оборудование более высоким сроком службы, то есть, чтобы его физическое и моральное старение настало как можно позже.
  • К механическому интерфейсу относятся:
  • - пневмораспределители
  • - клапаны
  • - компрессоры
  • - пневморегуляторы
  • К энергетическому интерфейсу относятся:
  • - блок питания
  • - контроллер
  • - ПК


Описание процессной модели

Описание целевых функций:

- установка платы – оператор закрепляет плату в держателе.

- инициализация системы – выполняется после включения питания установки. При выполнении этого процесса происходит проверка работоспособности установки и всех подсистем печи.

Критерием начала данного процесса является включение питания установки.

Критерием окончания является получение ответа от системы управления, что все элементы установки функционируют корректно.

- установка параметров цикла – температура раствора в каждой ванне, время периода, время погружения в каждую ванну.

- подготовка раствора к работе – нагрев раствора в ванне до требуемой (65°С).

Критерий начала процесса: все элементы установки функционируют корректно.

Критерий окончания процесса: температура в ванне соответствует требуемой.

- подготовка сжатого воздуха – наполнение ресивера, фильтрация воздуха и распыление масла в него, клапаны открываются при достижении требуемого давления в трубопроводе.

Критерий начала процесса: все элементы установки функционируют корректно, температура в обеих ваннах соответствует требуемой.

Критерий окончания процесса: давление в системе соответствует требуемому.

- запуск цикла испытания – пневмораспределители переключаются в соответствии с программой, в течение всего цикла температура ванны проверяется и остается на одном уровне.

Критерий начала процесса: все элементы установки функционируют корректно, температура в ванне соответствует требуемой, давление в системе соответствует требуемому..

Критерий окончания процесса: пройден весь цикл.


Описание сервисных функций:

Сервисные функции необходимы для облегчения работы наладчика и оператора. Также сервисные функции необходимы для предотвращения ряда возможных отказов оборудования и их последствий, а также застраховаться от возможных ошибок оператора, которые могут привести к поломкам оборудования. Решение эти задач возлагается на программное обеспечение ПК. В процессную модель заложено достаточно управляющих и управляемых сигналов для получения полной информации о ходе процесса и оператор, и инженер может в реальном времени получать информацию о работе установки (температура в каждой ванне установки, давление в системе).

– контроль температуры в ванне

– контроль давления в системе (для обеспечения необходимой скорости перемещения заготовки);

Характеристики курсовой работы

Список файлов

Разработка системы управления автооператорной линии травления
Записка.docx
Презентация.ppt
Прочти меня.txt
Чертёж (1).cdw
Чертёж (2).cdw
Чертёж (3).cdw
Чертёж (4).cdw
Картинка-подпись
Зарабатывай на студизбе! Просто выкладывай то, что так и так делаешь для своей учёбы: ДЗ, шпаргалки, решённые задачи и всё, что тебе пригодилось.
Начать зарабатывать

Комментарии

Нет комментариев
Стань первым, кто что-нибудь напишет!
Поделитесь ссылкой:
Цена: 1 200 1 029 руб.
Расширенная гарантия +3 недели гарантии, +10% цены
Рейтинг автора
4,79 из 5
Поделитесь ссылкой:
Сопутствующие материалы

Подобрали для Вас услуги

-29%
3d-моделирование
7 000 4 999 руб.
Вы можете использовать курсовую работу для примера, а также можете ссылаться на неё в своей работе. Авторство принадлежит автору работы, поэтому запрещено копировать текст из этой работы для любой публикации, в том числе в свою курсовую работу в учебном заведении, без правильно оформленной ссылки. Читайте как правильно публиковать ссылки в своей работе.
Свежие статьи
Популярно сейчас
Как Вы думаете, сколько людей до Вас делали точно такое же задание? 99% студентов выполняют точно такие же задания, как и их предшественники год назад. Найдите нужный учебный материал на СтудИзбе!
Ответы на популярные вопросы
Да! Наши авторы собирают и выкладывают те работы, которые сдаются в Вашем учебном заведении ежегодно и уже проверены преподавателями.
Да! У нас любой человек может выложить любую учебную работу и зарабатывать на её продажах! Но каждый учебный материал публикуется только после тщательной проверки администрацией.
Вернём деньги! А если быть более точными, то автору даётся немного времени на исправление, а если не исправит или выйдет время, то вернём деньги в полном объёме!
Да! На равне с готовыми студенческими работами у нас продаются услуги. Цены на услуги видны сразу, то есть Вам нужно только указать параметры и сразу можно оплачивать.
Отзывы студентов
Ставлю 10/10
Все нравится, очень удобный сайт, помогает в учебе. Кроме этого, можно заработать самому, выставляя готовые учебные материалы на продажу здесь. Рейтинги и отзывы на преподавателей очень помогают сориентироваться в начале нового семестра. Спасибо за такую функцию. Ставлю максимальную оценку.
Лучшая платформа для успешной сдачи сессии
Познакомился со СтудИзбой благодаря своему другу, очень нравится интерфейс, количество доступных файлов, цена, в общем, все прекрасно. Даже сам продаю какие-то свои работы.
Студизба ван лав ❤
Очень офигенный сайт для студентов. Много полезных учебных материалов. Пользуюсь студизбой с октября 2021 года. Серьёзных нареканий нет. Хотелось бы, что бы ввели подписочную модель и сделали материалы дешевле 300 рублей в рамках подписки бесплатными.
Отличный сайт
Лично меня всё устраивает - и покупка, и продажа; и цены, и возможность предпросмотра куска файла, и обилие бесплатных файлов (в подборках по авторам, читай, ВУЗам и факультетам). Есть определённые баги, но всё решаемо, да и администраторы реагируют в течение суток.
Маленький отзыв о большом помощнике!
Студизба спасает в те моменты, когда сроки горят, а работ накопилось достаточно. Довольно удобный сайт с простой навигацией и огромным количеством материалов.
Студ. Изба как крупнейший сборник работ для студентов
Тут дофига бывает всего полезного. Печально, что бывают предметы по которым даже одного бесплатного решения нет, но это скорее вопрос к студентам. В остальном всё здорово.
Спасательный островок
Если уже не успеваешь разобраться или застрял на каком-то задание поможет тебе быстро и недорого решить твою проблему.
Всё и так отлично
Всё очень удобно. Особенно круто, что есть система бонусов и можно выводить остатки денег. Очень много качественных бесплатных файлов.
Отзыв о системе "Студизба"
Отличная платформа для распространения работ, востребованных студентами. Хорошо налаженная и качественная работа сайта, огромная база заданий и аудитория.
Отличный помощник
Отличный сайт с кучей полезных файлов, позволяющий найти много методичек / учебников / отзывов о вузах и преподователях.
Отлично помогает студентам в любой момент для решения трудных и незамедлительных задач
Хотелось бы больше конкретной информации о преподавателях. А так в принципе хороший сайт, всегда им пользуюсь и ни разу не было желания прекратить. Хороший сайт для помощи студентам, удобный и приятный интерфейс. Из недостатков можно выделить только отсутствия небольшого количества файлов.
Спасибо за шикарный сайт
Великолепный сайт на котором студент за не большие деньги может найти помощь с дз, проектами курсовыми, лабораторными, а также узнать отзывы на преподавателей и бесплатно скачать пособия.
Популярные преподаватели
Добавляйте материалы
и зарабатывайте!
Продажи идут автоматически
7215
Авторов
на СтудИзбе
248
Средний доход
с одного платного файла
Обучение Подробнее