Курсовая работа: Вакуумная печь для отжига опаловых нанокомпозитов

Описание

Курсовая работа по САУ 2010-го года (сдана и защищена)

«Вакуумная печь для отжига опаловых нанокомпозитов »



Расчетно-пояснительная записка


Москва 2010 г.


Содержание
1.... Техническое задание. 3
2.... Реферат.. 4
3.... Введение. 5
4.... Описание процессной модели.. 7
4.1Выбор сервисных функции системы.. 10
4.2.Программа управления. 12
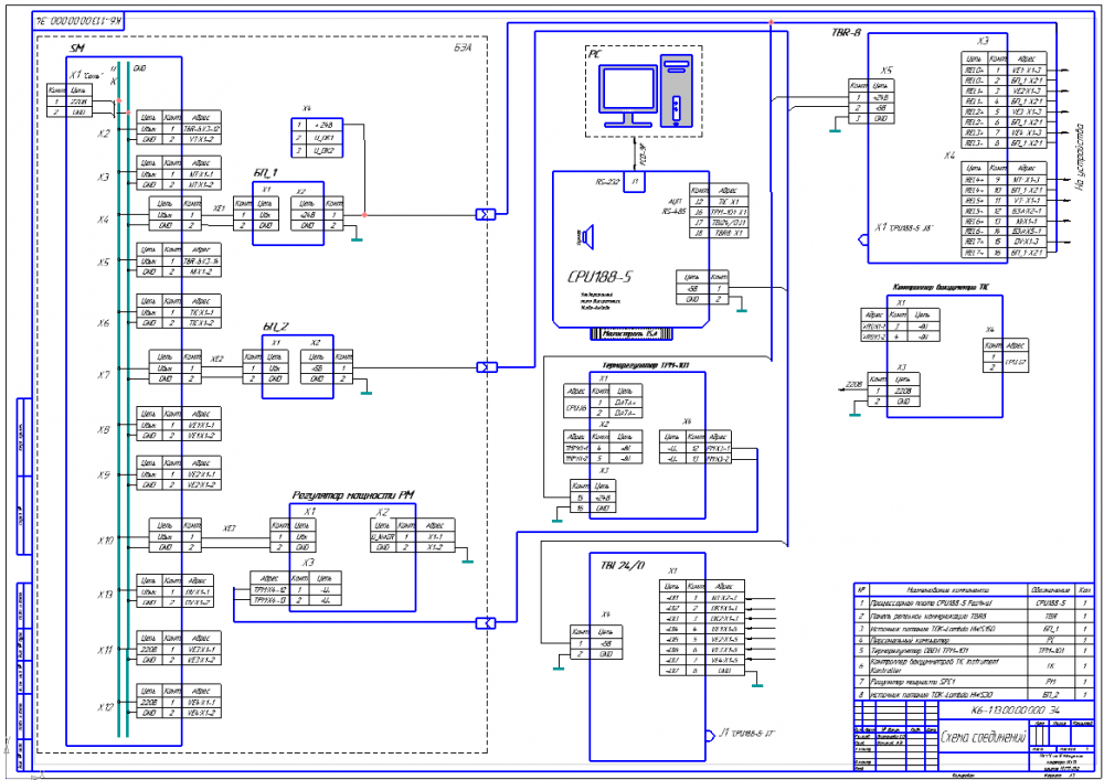
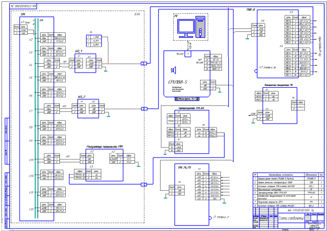
6.Описание комплексной принципиальной схемы... 14
6.1. Камера технологическая. 15
6.2. Вакуумная система. 17
6.3. Система загрузки-выгрузки. 21
6.4. Система энергообеспечения. 22
6.5. Система управления. 26
7. Расчет и описание принципиальной электрической схемы……………………………………………………………………………………………...…34
6.... Заключение. 35
8.... Список литературы... 36

1. Техническое задание

ЗАДАНИЕ

на курсовой проект по системам автоматического управления оборудования электронных технологий.


Тема проекта: «Вакуумная печь для отжига опаловых нанокомпозитов»

1.Проработать описание работы машины, выбрать и обосновать состав его основных целевых функций, сервисных функций, функций коррекции цели.

2.Разработать комплексную принципиальную схему, как совокупность системы целевых механизмов, системы их энергообеспечения и системы управления, связанных материальными, энергетическими и информационными потоками.

3.Описать механический, энергетический и информационный интерфейс компонентов машины. Дать техническое задание и техническое предложение на САУ и основные элементы машины.

4.Разработать принципиальную электрическую схему элемента САУ или САУ в целом.

Содержание графической части.
Процессная модель машины..................................................1 л.
Комплексная принципиальная схема....................................2 л.
Схема соединений...................................................................1 л.
Экран монитора.......................................................................1л
Содержание расчетно-пояснительной записки.

1.Введение.

2.Описание процессной модели. Выбор и обоснование целевых, сервисных функций, и функций коррекции цели.

3.Техническое задание и техническое предложение на систему управления машины по приведенной в приложении 1 форме.

4.Описание комплексной принципиальной схемы ФС. Обоснование структурно-компоновочного решения, выбор и согласование уровней потоков элементов.

5.Документы, сопровождающие комплексную принципиальную схему:

·перечень элементов ПЭ;

·перечень потоков и сигналов ПС;

·технические задания на основные подсистемы и узлы машины ТЗ.

6.Информационный поиск датчиков и исполнительных элементов машины и ее САУ, описание целевого, механического, энергетического и информационного интерфейса этих элементов ОЭ.

7.Расчет и описание принципиальной электрической схемы.

8.Заключение.


2. Реферат

Графические работы в объеме 5 листов выполнены на ПК с помощью программы АСКОН КОМПАС V12. Записка выполнена с использованием программного продукта Microsoft Word.
Целью данного курсового проекта является овладение навыками, методами и средствами комплексных разработок механических и электронных компонентов оборудования САУ, а также правилами и методами составления технического задания на программное обеспечение САУ.
Задачи проекта состоят в:

1. распределении функций машины между различными компонентами и обоснование этих функций;

2. постановке четких технических заданий перед разработчиками отдельных компонентов;

3. выполнении технической документации на электронные компоненты.

В проекте разработана система управления вакуумной печью для отжига.
Курсовой проект выполнен в следующем объеме: процессная модель (алгоритм работы системы управления установкой); комплексная принципиальная схема (КПС) установки, включающая разработку КПС механической части и КПС систем энергообеспечения и управления; схема соединений; экран монитора персонального компьютера. В расчетно-пояснительной записке приведены необходимые пояснения, описания и отражены принципы построения САУ установки.

3. Введение

Одно из перспективных направлений в наноэлектронике связано с созданием 3D-наноструктур на основе матриц синтетического опала – трёхмерных плотноупакованных структур, состоящие из SiO2 – сфер размером от десятков нанометров до микрона в диаметре с периодически расположенными пустотами между ними. Внедрение в пустоты матрицы ферромагнитных материалов позволяет расширить фотонную запрещенную зону (ФЗЗ) до радиодиапазона [1]. За счет наличия упорядоченно расположенных магнитных зерен нанометрового размера в таких структурах возможно наблюдать эффект магнитного упорядочения. В области ФЗЗ у таких материалов наблюдается возрастание магнито-оптических эффектов Керра и Фарадея.

Поэтому предлагается использовать пленки опаловых нанокомпозитов для создания волноводов; волноводных фильтров, представляющих собой отрезок волновода, стенки которого покрыты пленкой синтетического опала, содержащей ферромагнитный материал.

Экспериментальные исследования газочувствительности тонких пленок диоксида олова, осажденных на поверхность синтетического опала показали [2], что одной из областей применения таких структур могут быть чувствительные элементы тонкопленочных резистивных газовых сенсоров, в которых опаловая матрица послужит рельефообразующей подложкой.

Также опаловые матрицы являются перспективным элементом для создания автоэмиссионных катодов, общими требованиями к которым являются: работа при низком напряжении, высокая плотность тока эмис­сии, маленький размер, совместимость с микротехнологией и высоко­вакуумной обработкой. Поскольку для получения заметного автоэлектронного тока необхо­димы сильные электрические поля (~ 107 В/см) у поверхности эмит­теров, то для таких полей при не слишком высоких напряжениях, применяется особая геометрия эмиттера — это всегда поверхность с большой кривизной: острия, лезвия, выступы и т п. Из электростатики известно, что поверхностная плотность заряда на проводнике сложной формы всегда принимает наибольшее значение на заострении. Именно такие упорядоченные острия и возможно получить с использованием упорядоченной структуры опаловой матрицы.

Печь Forum-100K, изучаемая в этом проекте, позволяет с помощью отжига упрочнить опаловую структуру, изменить структуры в нужном направлении, придать определенные электрические, магнитные и другие свойства. Данная печь способна удовлетворить все профессиональные требования, как опытного специалиста, так и начинающего пользователя. Изделие соответствует ГОСТ 12.2.025-76 класс 1, тип Н.

Основные технические характеристики выбранной печи Forum-100K:

-Температурный диапазон 200-1200

-Количество программ пользователя 99

-Отклонение температуры в режиме выдержки 2

-Диапазон длительности шага 1…99 min

-Скорость нагрева 10…150 С/мин

-Разряжение в камере 720 мм.рт.ст

-Рабочая влажность 35-80%

-Атмосферное давление 650-805 мм.рт.ст.

-Напряжение питания 220V

-Потребляемая мощность 1,5 кВт

-Габаритные размеры 30*33*58

-Масса (без насоса) 20 кг

Верхняя часть печи состоит из муфеля, теплоизоляционного столика, столика подъемного механизма, алфавитно- цифрового дисплея на ЖК, клавиатуры. В нижней части располагается вакуумная система, подключенная к вакуумному штуцеру, розетки питания, предохранителей, сетевого выключателя.

Характеристики курсовой работы

Список файлов

Вакуумная печь для отжига опаловых нанокомпозитов
Презентация.pptx
Прочти меня.txt
САУ.doc
Чертёж (1).cdw
Чертёж (2).cdw
Чертёж (3).cdw
Чертёж (4).cdw
Картинка-подпись
Зарабатывай на студизбе! Просто выкладывай то, что так и так делаешь для своей учёбы: ДЗ, шпаргалки, решённые задачи и всё, что тебе пригодилось.
Начать зарабатывать

Комментарии

Нет комментариев
Стань первым, кто что-нибудь напишет!
Поделитесь ссылкой:
Цена: 1 200 руб.
Расширенная гарантия +3 недели гарантии, +10% цены
Рейтинг автора
4,79 из 5
Поделитесь ссылкой:
Сопутствующие материалы

Подобрали для Вас услуги

-55%
-29%
3d-моделирование
7 000 4 999 руб.
Вы можете использовать курсовую работу для примера, а также можете ссылаться на неё в своей работе. Авторство принадлежит автору работы, поэтому запрещено копировать текст из этой работы для любой публикации, в том числе в свою курсовую работу в учебном заведении, без правильно оформленной ссылки. Читайте как правильно публиковать ссылки в своей работе.
Свежие статьи
Популярно сейчас
Почему делать на заказ в разы дороже, чем купить готовую учебную работу на СтудИзбе? Наши учебные работы продаются каждый год, тогда как большинство заказов выполняются с нуля. Найдите подходящий учебный материал на СтудИзбе!
Ответы на популярные вопросы
Да! Наши авторы собирают и выкладывают те работы, которые сдаются в Вашем учебном заведении ежегодно и уже проверены преподавателями.
Да! У нас любой человек может выложить любую учебную работу и зарабатывать на её продажах! Но каждый учебный материал публикуется только после тщательной проверки администрацией.
Вернём деньги! А если быть более точными, то автору даётся немного времени на исправление, а если не исправит или выйдет время, то вернём деньги в полном объёме!
Да! На равне с готовыми студенческими работами у нас продаются услуги. Цены на услуги видны сразу, то есть Вам нужно только указать параметры и сразу можно оплачивать.
Отзывы студентов
Ставлю 10/10
Все нравится, очень удобный сайт, помогает в учебе. Кроме этого, можно заработать самому, выставляя готовые учебные материалы на продажу здесь. Рейтинги и отзывы на преподавателей очень помогают сориентироваться в начале нового семестра. Спасибо за такую функцию. Ставлю максимальную оценку.
Лучшая платформа для успешной сдачи сессии
Познакомился со СтудИзбой благодаря своему другу, очень нравится интерфейс, количество доступных файлов, цена, в общем, все прекрасно. Даже сам продаю какие-то свои работы.
Студизба ван лав ❤
Очень офигенный сайт для студентов. Много полезных учебных материалов. Пользуюсь студизбой с октября 2021 года. Серьёзных нареканий нет. Хотелось бы, что бы ввели подписочную модель и сделали материалы дешевле 300 рублей в рамках подписки бесплатными.
Отличный сайт
Лично меня всё устраивает - и покупка, и продажа; и цены, и возможность предпросмотра куска файла, и обилие бесплатных файлов (в подборках по авторам, читай, ВУЗам и факультетам). Есть определённые баги, но всё решаемо, да и администраторы реагируют в течение суток.
Маленький отзыв о большом помощнике!
Студизба спасает в те моменты, когда сроки горят, а работ накопилось достаточно. Довольно удобный сайт с простой навигацией и огромным количеством материалов.
Студ. Изба как крупнейший сборник работ для студентов
Тут дофига бывает всего полезного. Печально, что бывают предметы по которым даже одного бесплатного решения нет, но это скорее вопрос к студентам. В остальном всё здорово.
Спасательный островок
Если уже не успеваешь разобраться или застрял на каком-то задание поможет тебе быстро и недорого решить твою проблему.
Всё и так отлично
Всё очень удобно. Особенно круто, что есть система бонусов и можно выводить остатки денег. Очень много качественных бесплатных файлов.
Отзыв о системе "Студизба"
Отличная платформа для распространения работ, востребованных студентами. Хорошо налаженная и качественная работа сайта, огромная база заданий и аудитория.
Отличный помощник
Отличный сайт с кучей полезных файлов, позволяющий найти много методичек / учебников / отзывов о вузах и преподователях.
Отлично помогает студентам в любой момент для решения трудных и незамедлительных задач
Хотелось бы больше конкретной информации о преподавателях. А так в принципе хороший сайт, всегда им пользуюсь и ни разу не было желания прекратить. Хороший сайт для помощи студентам, удобный и приятный интерфейс. Из недостатков можно выделить только отсутствия небольшого количества файлов.
Спасибо за шикарный сайт
Великолепный сайт на котором студент за не большие деньги может найти помощь с дз, проектами курсовыми, лабораторными, а также узнать отзывы на преподавателей и бесплатно скачать пособия.
Популярные преподаватели
Добавляйте материалы
и зарабатывайте!
Продажи идут автоматически
7167
Авторов
на СтудИзбе
252
Средний доход
с одного платного файла
Обучение Подробнее