Курсовая работа: Установка ламинирования солнечных панелей

-19%

Описание

Защищённый курсовой проект 2008-го года по САУ

РАСЧЕТНО-ПОЯСНИТЕЛЬНАЯ ЗАПИСКА


к курсовому проекту «Основы проектирования систем автоматического управления оборудования электронных технологий»

на тему:

«Установка ламинирования солнечных панелей»


Москва 2008 г.

Оглавление.


Оглавление. 2

Техническое задание. 3

Реферат. 4

Введение. Описание интерфейсов установки. 5

Описание процессной модели. 7

Описание программы управления установкой. 11

Техническое задание и техническое предложение на систему управления установкой. 16

Описание комплексной принципиальной схемы ФС. 21

Описание датчиков и исполнительных элементов установки и ее САУ. 32

Описание схемы соединений. 47

Заключение. 49

Список литературы. 50


Техническое задание.


ЗАДАНИЕ

на курсовой проект по системам автоматического управления оборудования электронных технологий.

Тема проекта: «Установка ламинирования солнечных панелей »

1. Проработать описание работы машины, выбрать и обосновать состав его основных целевых функций, сервисных функций, функций коррекции цели.

2. Разработать комплексную принципиальную схему, как совокупность системы целевых механизмов, системы их энергообеспечения и системы управления, связанных материальными, энергетическими и информационными потоками.

3. Описать механический, энергетический и информационный интерфейс компонентов машины. Дать техническое задание и техническое предложение на САУ и основные элементы машины.

4. Разработать принципиальную электрическую схему элемента САУ или САУ в целом.

Содержание графической части.

  1. Процессная модель машины..................................................1 л.
  2. Комплексная принципиальная схема....................................2 л.
  3. Принципиальная электрическая схема..................................1 л.

Содержание расчетно-пояснительной записки.

  1. Введение. Описание целевого, механического и энергетического интерфейса спроектированной технологической машины.
  2. Описание процессной модели. Выбор и обоснование целевых, сервисных функций, и функций коррекции цели.
  3. Техническое задание и техническое предложение на систему управления машины по приведенной в Приложении 1 форме.
  4. Описание комплексной принципиальной схемы ФС. Обоснование структурно-компоновочного решения, выбор и согласование уровней потоков элементов.
  5. Документы, сопровождающие комплексную принципиальную схему:
  6. перечень элементов ПЭ;
  7. перечень потоков и сигналов ПС;
  8. технические задания на основные подсистемы и узлы машины ТЗ.
  9. Информационный поиск датчиков и исполнительных элементов машины и ее САУ, описание целевого, механического, энергетического и информационного интерфейса этих элементов ОЭ.
  10. Расчет и описание принципиальной электрической схемы.
  11. Заключение.

Реферат.


Графические работы в объеме 4 листов выполнены на ПК с помощью программы АСКОН КОМПАС v.9Plus. Записка выполнена с использованием программного продукта Microsoft Word 2007.

Целью данного курсового проекта является овладение навыками, методами и средствами комплексных разработок механических и электронных компонентов оборудования САУ, а также правилами и методами составления технического задания на программное обеспечение САУ.

Задачи проекта состоят в:

  • распределении функций машины между различными компонентами и обоснование этих функций;
  • постановке четких технических заданий перед разработчиками отдельных компонентов;
  • выполнении технической документации на электронные компоненты.

В проекте разработана установка ламинирования солнечных панелей.

Курсовой проект выполнен в следующем объеме: процессная модель (алгоритм работы системы управления установкой); комплексная принципиальная схема (КПС) установки, включающая разработку КПС механической части и КПС систем пневмоавтоматики, энергообеспечения и управления; схема соединений элементов установки; экран монитора персонального компьютера. В расчетно-пояснительной записке приведены необходимые пояснения и отражены принципы построения САУ установки, даны расчеты и описания.














Введение. Описание интерфейсов установки.

Целью данного курсового проекта является разработка системы автоматизированного управления станка ламинирования солнечных панелей. Необходимо автоматизировать процесс спайки стекла, кремневых пластин с помощью тонкой пленки этиленвинилоцетат.

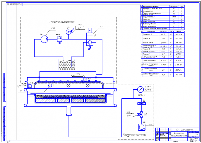
Установка ламинирования солнечных панелей рис.1.


Рис.1

На основание вакуумной камеры 8крепится заготовка уложенная и закрепленная в прижимной раме 16. Прижимная рама крепится по периметру, прежде проложив резиновое уплотнение. Крышка камеры закрывается и начинается процесс обработки детали.

Сперва включаем механический насос и даем время выдержки 15 секунд, после чего открываем электромагнитный клапан. В течение 60-90 минут, достигаем рабочего давления 100 Па. После чего запускаем галогеновые лампы и греем рабочую камеру до температуры 200 С, цель нагрева поддерживать данную температуру в течении 90 минут. Сразу же после пуска нагревателей, запускаем систему охлаждения рефлектора, она требуется для равномерного нагрева поверхности заготовки. Регулируем поток жидкости в трубопроводе и охлаждаем рефлектор в течении 90 минут.

Завершив все операции можем открывать крышку установки, и вынимать заготовку с нижней прижимной рамой. Цикл начинается снова.

Техническая характеристика установки.

Производительность…………………………………………..0,4 шт/час

Число одновременно загружаемых изделий…………………1 шт

Предельное давление…………………………………………0,66 Па

Рабочее давление……………………………………………...100 Па

Время выхода на рабочий режим……………………………60 мин

Время нагрева камеры……………………………………..…90 мин

Температура нагрева подложек в процессе напыления……200±10°С


Целевой интерфейс.

Установка предназначена для ламинирования солнечных панелей (удаление слоев воздуха между слоями панели, для достижения

Характеристики курсовой работы

Список файлов

Установка ламинирования солнечных панелей
1.cdw
2.cdw
3.1.cdw
3.2.cdw
4.cdw
Прочти меня.txt
САУ.doc
Картинка-подпись
Зарабатывай на студизбе! Просто выкладывай то, что так и так делаешь для своей учёбы: ДЗ, шпаргалки, решённые задачи и всё, что тебе пригодилось.
Начать зарабатывать

Комментарии

Нет комментариев
Стань первым, кто что-нибудь напишет!
Поделитесь ссылкой:
Цена: 1 200 969 руб.
Расширенная гарантия +3 недели гарантии, +10% цены
Рейтинг автора
4,79 из 5
Поделитесь ссылкой:
Сопутствующие материалы

Подобрали для Вас услуги

-55%
-26%
-20%
Вы можете использовать курсовую работу для примера, а также можете ссылаться на неё в своей работе. Авторство принадлежит автору работы, поэтому запрещено копировать текст из этой работы для любой публикации, в том числе в свою курсовую работу в учебном заведении, без правильно оформленной ссылки. Читайте как правильно публиковать ссылки в своей работе.
Свежие статьи
Популярно сейчас
А знаете ли Вы, что из года в год задания практически не меняются? Математика, преподаваемая в учебных заведениях, никак не менялась минимум 30 лет. Найдите нужный учебный материал на СтудИзбе!
Ответы на популярные вопросы
Да! Наши авторы собирают и выкладывают те работы, которые сдаются в Вашем учебном заведении ежегодно и уже проверены преподавателями.
Да! У нас любой человек может выложить любую учебную работу и зарабатывать на её продажах! Но каждый учебный материал публикуется только после тщательной проверки администрацией.
Вернём деньги! А если быть более точными, то автору даётся немного времени на исправление, а если не исправит или выйдет время, то вернём деньги в полном объёме!
Да! На равне с готовыми студенческими работами у нас продаются услуги. Цены на услуги видны сразу, то есть Вам нужно только указать параметры и сразу можно оплачивать.
Отзывы студентов
Ставлю 10/10
Все нравится, очень удобный сайт, помогает в учебе. Кроме этого, можно заработать самому, выставляя готовые учебные материалы на продажу здесь. Рейтинги и отзывы на преподавателей очень помогают сориентироваться в начале нового семестра. Спасибо за такую функцию. Ставлю максимальную оценку.
Лучшая платформа для успешной сдачи сессии
Познакомился со СтудИзбой благодаря своему другу, очень нравится интерфейс, количество доступных файлов, цена, в общем, все прекрасно. Даже сам продаю какие-то свои работы.
Студизба ван лав ❤
Очень офигенный сайт для студентов. Много полезных учебных материалов. Пользуюсь студизбой с октября 2021 года. Серьёзных нареканий нет. Хотелось бы, что бы ввели подписочную модель и сделали материалы дешевле 300 рублей в рамках подписки бесплатными.
Отличный сайт
Лично меня всё устраивает - и покупка, и продажа; и цены, и возможность предпросмотра куска файла, и обилие бесплатных файлов (в подборках по авторам, читай, ВУЗам и факультетам). Есть определённые баги, но всё решаемо, да и администраторы реагируют в течение суток.
Маленький отзыв о большом помощнике!
Студизба спасает в те моменты, когда сроки горят, а работ накопилось достаточно. Довольно удобный сайт с простой навигацией и огромным количеством материалов.
Студ. Изба как крупнейший сборник работ для студентов
Тут дофига бывает всего полезного. Печально, что бывают предметы по которым даже одного бесплатного решения нет, но это скорее вопрос к студентам. В остальном всё здорово.
Спасательный островок
Если уже не успеваешь разобраться или застрял на каком-то задание поможет тебе быстро и недорого решить твою проблему.
Всё и так отлично
Всё очень удобно. Особенно круто, что есть система бонусов и можно выводить остатки денег. Очень много качественных бесплатных файлов.
Отзыв о системе "Студизба"
Отличная платформа для распространения работ, востребованных студентами. Хорошо налаженная и качественная работа сайта, огромная база заданий и аудитория.
Отличный помощник
Отличный сайт с кучей полезных файлов, позволяющий найти много методичек / учебников / отзывов о вузах и преподователях.
Отлично помогает студентам в любой момент для решения трудных и незамедлительных задач
Хотелось бы больше конкретной информации о преподавателях. А так в принципе хороший сайт, всегда им пользуюсь и ни разу не было желания прекратить. Хороший сайт для помощи студентам, удобный и приятный интерфейс. Из недостатков можно выделить только отсутствия небольшого количества файлов.
Спасибо за шикарный сайт
Великолепный сайт на котором студент за не большие деньги может найти помощь с дз, проектами курсовыми, лабораторными, а также узнать отзывы на преподавателей и бесплатно скачать пособия.
Популярные преподаватели
Добавляйте материалы
и зарабатывайте!
Продажи идут автоматически
7149
Авторов
на СтудИзбе
253
Средний доход
с одного платного файла
Обучение Подробнее