Курсовая работа: Установка для металлизации печатных плат

Описание

Готовый курсовой проект по САУ 2007-го года

Курсовой проект

«Система автоматического управления установкой для металлизации печатных плат»


Москва, 2007 г.

Содержание

1. Введение. 2
2. Описание процессной модели. 3
3. Функции системы.. 5
4. Режимы работы.. 5
5. Сервисные процессы.. 7
6. Коррекция цели. 7
7. Система энергообеспечения и пневмосхема. 8
8. Перечень информационных сигналов системы управления. 9
9. Покупные изделия. 9
10. Список литературы.. 22

1. Введение.

В современном мире автоматизация проникает практически во все сферы нашей жизни, тем более в промышленность. Теперь без автоматизации не обойтись, тем более в производстве печатных плат, где необходимо особенно точно управлять технологическими процессами и параметрами. Поскольку при этом наличие хотя бы одного некачественно металлизированного отверстия приводит к браку всего изделия.

Использование современных материалов и технологий, а также системы автоматизированного управления позволяет значительно упростить процесс изготовления печатных плат и увеличить производительность уже существующего оборудования для металлизации.

Перед началом проекта необходимо:

внимательно изучить и продумать все возможные варианты применения САУ в данной конструкции и выбрать оптимальный из этих вариантов, как по цене, так и по сложности изготовления и эксплуатации;

обеспечить проектируемое оборудование более высоким сроком службы, то есть, чтобы его физическое и моральное старение настало как можно позже.


Целью данного курсового проекта является овладение навыками, методами и средствами комплексных разработок механических и электронных компонентов оборудования САУ.


Для упрощения работы оператора и повышения производительности предложен вариант полностью автоматизированной установки вместо существующей установки с ручным управлением.

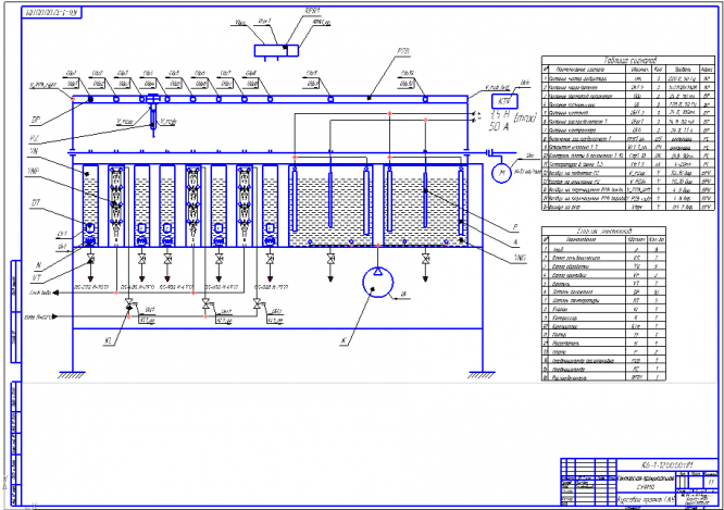
Курсовой проект выполнен в объеме 4-х листов и расчетно-пояснительной записки. На первом листе комплексно-принципиальная схема установки, таблица сигналов и элементов. На втором – пневмосхема и схема энергообеспечения, третьем – вид экрана монитора, на котором работает оператор и на четвёртом листе – начинка компьютера. В расчетно-пояснительной записке приведены необходимые пояснения и расчеты, отражены принципы построения СУ установки, даны описания листов проекта.

Характеристики курсовой работы

Список файлов

Установка для металлизации печатных плат
ЗАДАНИЕ.doc
Прочти меня.txt
САУ.doc
лист1.cdw
лист2.cdw
лист3.cdw
лист4.cdw
Картинка-подпись
Зарабатывай на студизбе! Просто выкладывай то, что так и так делаешь для своей учёбы: ДЗ, шпаргалки, решённые задачи и всё, что тебе пригодилось.
Начать зарабатывать

Комментарии

Нет комментариев
Стань первым, кто что-нибудь напишет!
Поделитесь ссылкой:
Цена: 1 200 руб.
Расширенная гарантия +3 недели гарантии, +10% цены
Рейтинг автора
4,79 из 5
Поделитесь ссылкой:
Сопутствующие материалы

Подобрали для Вас услуги

-26%
Вы можете использовать курсовую работу для примера, а также можете ссылаться на неё в своей работе. Авторство принадлежит автору работы, поэтому запрещено копировать текст из этой работы для любой публикации, в том числе в свою курсовую работу в учебном заведении, без правильно оформленной ссылки. Читайте как правильно публиковать ссылки в своей работе.
Свежие статьи
Популярно сейчас
Как Вы думаете, сколько людей до Вас делали точно такое же задание? 99% студентов выполняют точно такие же задания, как и их предшественники год назад. Найдите нужный учебный материал на СтудИзбе!
Ответы на популярные вопросы
Да! Наши авторы собирают и выкладывают те работы, которые сдаются в Вашем учебном заведении ежегодно и уже проверены преподавателями.
Да! У нас любой человек может выложить любую учебную работу и зарабатывать на её продажах! Но каждый учебный материал публикуется только после тщательной проверки администрацией.
Вернём деньги! А если быть более точными, то автору даётся немного времени на исправление, а если не исправит или выйдет время, то вернём деньги в полном объёме!
Да! На равне с готовыми студенческими работами у нас продаются услуги. Цены на услуги видны сразу, то есть Вам нужно только указать параметры и сразу можно оплачивать.
Отзывы студентов
Ставлю 10/10
Все нравится, очень удобный сайт, помогает в учебе. Кроме этого, можно заработать самому, выставляя готовые учебные материалы на продажу здесь. Рейтинги и отзывы на преподавателей очень помогают сориентироваться в начале нового семестра. Спасибо за такую функцию. Ставлю максимальную оценку.
Лучшая платформа для успешной сдачи сессии
Познакомился со СтудИзбой благодаря своему другу, очень нравится интерфейс, количество доступных файлов, цена, в общем, все прекрасно. Даже сам продаю какие-то свои работы.
Студизба ван лав ❤
Очень офигенный сайт для студентов. Много полезных учебных материалов. Пользуюсь студизбой с октября 2021 года. Серьёзных нареканий нет. Хотелось бы, что бы ввели подписочную модель и сделали материалы дешевле 300 рублей в рамках подписки бесплатными.
Отличный сайт
Лично меня всё устраивает - и покупка, и продажа; и цены, и возможность предпросмотра куска файла, и обилие бесплатных файлов (в подборках по авторам, читай, ВУЗам и факультетам). Есть определённые баги, но всё решаемо, да и администраторы реагируют в течение суток.
Маленький отзыв о большом помощнике!
Студизба спасает в те моменты, когда сроки горят, а работ накопилось достаточно. Довольно удобный сайт с простой навигацией и огромным количеством материалов.
Студ. Изба как крупнейший сборник работ для студентов
Тут дофига бывает всего полезного. Печально, что бывают предметы по которым даже одного бесплатного решения нет, но это скорее вопрос к студентам. В остальном всё здорово.
Спасательный островок
Если уже не успеваешь разобраться или застрял на каком-то задание поможет тебе быстро и недорого решить твою проблему.
Всё и так отлично
Всё очень удобно. Особенно круто, что есть система бонусов и можно выводить остатки денег. Очень много качественных бесплатных файлов.
Отзыв о системе "Студизба"
Отличная платформа для распространения работ, востребованных студентами. Хорошо налаженная и качественная работа сайта, огромная база заданий и аудитория.
Отличный помощник
Отличный сайт с кучей полезных файлов, позволяющий найти много методичек / учебников / отзывов о вузах и преподователях.
Отлично помогает студентам в любой момент для решения трудных и незамедлительных задач
Хотелось бы больше конкретной информации о преподавателях. А так в принципе хороший сайт, всегда им пользуюсь и ни разу не было желания прекратить. Хороший сайт для помощи студентам, удобный и приятный интерфейс. Из недостатков можно выделить только отсутствия небольшого количества файлов.
Спасибо за шикарный сайт
Великолепный сайт на котором студент за не большие деньги может найти помощь с дз, проектами курсовыми, лабораторными, а также узнать отзывы на преподавателей и бесплатно скачать пособия.
Популярные преподаватели
Добавляйте материалы
и зарабатывайте!
Продажи идут автоматически
7125
Авторов
на СтудИзбе
254
Средний доход
с одного платного файла
Обучение Подробнее