Курсовая работа: Установка для художественной резки и обработки стекла

Описание

Этот курсовой проект по САУ был выполнен и защищён в 2006-м году

Курсовой проект:

"Автоматизация установки для художественной

обработки стеклоизделий"



Москва, 2006 г.



Реферат


В курсовом проекте рассматривается установка для художественной обработки стеклоизделий. Установка позволяет обрабатывать (вырезать, шлифовать) стеклоизделия с педальным управлением при автоматической подаче воды, а также указывает на неполадки системы, как отсутствие воды или недостаточное натяжение режущей ленты инструмента

Была разработана система автоматического управления, которая позволяет:

  • Автоматически осуществлять процессы, связанные с проверкой общей работы системы;
  • Автоматически осуществлять процессы, связанные с подачей воды на инструмент и выводом ее из установки;
  • Ускорить или замедлить процесс обработки.

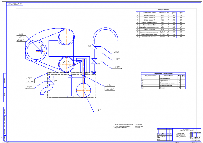
Курсовой проект выполнен в объеме 5 листов формата А1, выполненных в среде САПР Компас-график 3Dv8.0, и 20 листов формата А4 расчетно-пояснительной записки, выполненных в среде MS Office2003. На первом листе показана принципиальная схема установки и объяснена основная работа в проектировании. На втором листе приведена комплексная принципиальная схема (КПС) установки и таблицы перечня элементов и сигналов. На третьем листе приведена комплексная принципиальная схема (КПС) электропитания и системы управления с соответствующими таблицами. На четвертом листе приведены алгоритмы основных целевых процессов рабочего цикла установки. На пятом листе приведена принципиальная схема блока управления клапанами.



Оглавление

Реферат. 2

Оглавление. 3

Введение. 4

Техническое предложение по разработке САУ установки. 5

1. Общие требования к алгоритму управления. 5

2. Процессы, реализуемые в системе. 6

2.1. Основные целевые процессы.. 6

2.2. Сервисные процессы.. 9

3. Ресурсы системы.. 10

3.1. Система исполнительных механизмов. 10

3.2. Система электропитания и электроавтоматики. 100

3.3. Перечень информационных сигналов системы управления. 10

Технические задания на элементы, узлы установки. 11

Заключение. 19

Список литературы.. 20



Введение

Технологическое оборудование в настоящее время становится всё более автоматизированным во многих областях его применения. Поэтому при его конструировании надо тщательно изучить и продумать все возможные варианты применения систем автоматизированного управления в данной конструкции и выбрать наиболее оптимальный из этих вариантов, как по цене, так и по сложности изготовления и эксплуатации.

Одним из эффективных путей для достижения этого является применение новых технологий или сочетание таких технологий с традиционными.

Также обеспечить проектируемое оборудование более высоким сроком службы, то есть, чтобы как физическое, так и моральное устаревание его прошло как можно позже, нужно в конструкцию изделия заранее закладывать модули, которые легко было бы заменить или доработать.


*****


При изготовлении рекламных вывесок, декоративных композиций, витражей и других видов изделий применяются различные материалы. Очень хорошо смотрятся стеклянные вывески с нанесённым рисунком. Рисунок может быть получен с использованием различных технологий, таких как покраска, наклейка стеклянных декоративных элементов, пескоструйная обработка.

В настоящее время рассматривается задача автоматизации установки для фигурной резки и обработки стеклянных изделий. Учитывая то, что в нашей стране данная технология только набирает обороты, соответственно мало технических наработок в автоматизации этого процесса. Поэтому стоит задача в проектировании автоматизированной установки для фигурной резки обработки стеклоизделий и разработке отдельных её узлов.


*****


На сегодняшний момент на Российском рынке широко представлены установки таких производителей как SAG (Австрия), Melzo (Италия) и некоторых других европейских производителей. Главные черты всех продаваемых видов подобного оборудования – дороговизна и неуниверсальность, именно поэтому ставится задача проектирования

Особенностью современного проектирования является широкое использование готовых узлов и деталей, а также использование общего привода для всех видов обрабатывающих инструментов. Ряд фирм предлагает широкий спектр компонентов для создания подобных установок, включающий в себя узлы разного класса точности, сложности и стоимости.


Техническое предложение по разработке САУ установки

1. Общие требования к алгоритму управления


  1. Функции системы.

Установка должна работать с несколькими режущими и обрабатывающими инструментами. Система управления должна реализовывать основные сервисные функции и функции коррекции установки.

Характеристики курсовой работы

Список файлов

Установка для художественной резки и обработки стекла
ЗАДАНИЕ_.doc
Записка.doc
Лист1.cdw
Лист2.cdw
Лист3.cdw
Лист4.cdw
Лист5.cdw
Прочти меня.txt
Картинка-подпись
Зарабатывай на студизбе! Просто выкладывай то, что так и так делаешь для своей учёбы: ДЗ, шпаргалки, решённые задачи и всё, что тебе пригодилось.
Начать зарабатывать

Комментарии

Нет комментариев
Стань первым, кто что-нибудь напишет!
Поделитесь ссылкой:
Цена: 1 200 руб.
Расширенная гарантия +3 недели гарантии, +10% цены
Рейтинг автора
4,79 из 5
Поделитесь ссылкой:
Сопутствующие материалы

Подобрали для Вас услуги

-55%
-66%
Вы можете использовать курсовую работу для примера, а также можете ссылаться на неё в своей работе. Авторство принадлежит автору работы, поэтому запрещено копировать текст из этой работы для любой публикации, в том числе в свою курсовую работу в учебном заведении, без правильно оформленной ссылки. Читайте как правильно публиковать ссылки в своей работе.
Свежие статьи
Популярно сейчас
А знаете ли Вы, что из года в год задания практически не меняются? Математика, преподаваемая в учебных заведениях, никак не менялась минимум 30 лет. Найдите нужный учебный материал на СтудИзбе!
Ответы на популярные вопросы
Да! Наши авторы собирают и выкладывают те работы, которые сдаются в Вашем учебном заведении ежегодно и уже проверены преподавателями.
Да! У нас любой человек может выложить любую учебную работу и зарабатывать на её продажах! Но каждый учебный материал публикуется только после тщательной проверки администрацией.
Вернём деньги! А если быть более точными, то автору даётся немного времени на исправление, а если не исправит или выйдет время, то вернём деньги в полном объёме!
Да! На равне с готовыми студенческими работами у нас продаются услуги. Цены на услуги видны сразу, то есть Вам нужно только указать параметры и сразу можно оплачивать.
Отзывы студентов
Ставлю 10/10
Все нравится, очень удобный сайт, помогает в учебе. Кроме этого, можно заработать самому, выставляя готовые учебные материалы на продажу здесь. Рейтинги и отзывы на преподавателей очень помогают сориентироваться в начале нового семестра. Спасибо за такую функцию. Ставлю максимальную оценку.
Лучшая платформа для успешной сдачи сессии
Познакомился со СтудИзбой благодаря своему другу, очень нравится интерфейс, количество доступных файлов, цена, в общем, все прекрасно. Даже сам продаю какие-то свои работы.
Студизба ван лав ❤
Очень офигенный сайт для студентов. Много полезных учебных материалов. Пользуюсь студизбой с октября 2021 года. Серьёзных нареканий нет. Хотелось бы, что бы ввели подписочную модель и сделали материалы дешевле 300 рублей в рамках подписки бесплатными.
Отличный сайт
Лично меня всё устраивает - и покупка, и продажа; и цены, и возможность предпросмотра куска файла, и обилие бесплатных файлов (в подборках по авторам, читай, ВУЗам и факультетам). Есть определённые баги, но всё решаемо, да и администраторы реагируют в течение суток.
Маленький отзыв о большом помощнике!
Студизба спасает в те моменты, когда сроки горят, а работ накопилось достаточно. Довольно удобный сайт с простой навигацией и огромным количеством материалов.
Студ. Изба как крупнейший сборник работ для студентов
Тут дофига бывает всего полезного. Печально, что бывают предметы по которым даже одного бесплатного решения нет, но это скорее вопрос к студентам. В остальном всё здорово.
Спасательный островок
Если уже не успеваешь разобраться или застрял на каком-то задание поможет тебе быстро и недорого решить твою проблему.
Всё и так отлично
Всё очень удобно. Особенно круто, что есть система бонусов и можно выводить остатки денег. Очень много качественных бесплатных файлов.
Отзыв о системе "Студизба"
Отличная платформа для распространения работ, востребованных студентами. Хорошо налаженная и качественная работа сайта, огромная база заданий и аудитория.
Отличный помощник
Отличный сайт с кучей полезных файлов, позволяющий найти много методичек / учебников / отзывов о вузах и преподователях.
Отлично помогает студентам в любой момент для решения трудных и незамедлительных задач
Хотелось бы больше конкретной информации о преподавателях. А так в принципе хороший сайт, всегда им пользуюсь и ни разу не было желания прекратить. Хороший сайт для помощи студентам, удобный и приятный интерфейс. Из недостатков можно выделить только отсутствия небольшого количества файлов.
Спасибо за шикарный сайт
Великолепный сайт на котором студент за не большие деньги может найти помощь с дз, проектами курсовыми, лабораторными, а также узнать отзывы на преподавателей и бесплатно скачать пособия.
Популярные преподаватели
Добавляйте материалы
и зарабатывайте!
Продажи идут автоматически
7129
Авторов
на СтудИзбе
254
Средний доход
с одного платного файла
Обучение Подробнее