Для студентов МГТУ им. Н.Э.Баумана по предмету Системы автоматического управления (САУ) (МТ-11)САУ установки исследования частиц в плазмеСАУ установки исследования частиц в плазме
4,78522224
2017-12-22СтудИзба

Курсовая работа: САУ установки исследования частиц в плазме

Описание

Этот курсовой проект по САУ был выполнен и защищён в 2006-м году

Расчетно-пояснительная записка

к курсовому проекту по ОПР САУ

на тему: "Автоматизация установки

для исследования частиц в плазме"



Москва 2006 г.

Содержание


Задание 3

Введение 4

1. Описание процессной модели 5

1.1. Деление технологии на процессы 5

1.2. Режим коллекции цели 5

1.3. Процесс откачки 5

1.4. Технологический процесс 5

1.5. Выбор сервисных функций 6

1.6. Выбор функций коррекции цели 6

1.7. ТЗ на управляющую программу 6

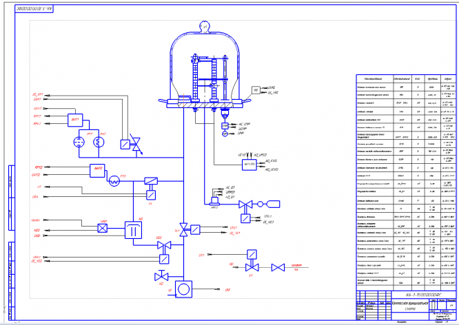
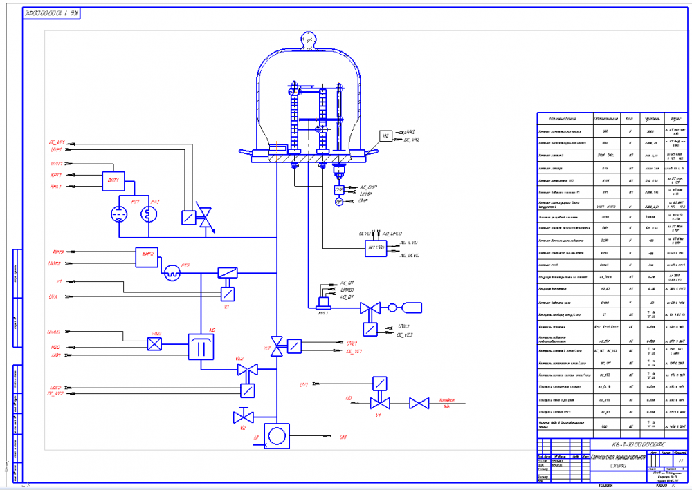
2. Комплексная принципиальная схема 6

3. Техническое задание на элементы и узлы машины 7

3.1. Промышленный компьютер (ЭВМ) 7

3.2. Блок нормализации сигналов 9

3.3. Блок энергоавтоматики 10

3.4. Блок питания 11

4. Описание схемы 11

4.1. Блок оптронных развязок 11

4.1.1. Выбор и расчет элементов БОРа 12

4.2. Блок управления клапанами 13

4.3. Блок нормализации сигналов 13

Заключение 15

Список литературы 16




ЗАДАНИЕ

на курсовой проект по системам автоматического управления оборудования электронных технологий.


Тема проекта: Система автоматического управления установки исследования частиц в плазме.


1. Проработать описание работы машины, выбрать и обосновать состав его основных целевых функций, сервисных функций и функций коррекции цели. Разработать ТЗ на программное обеспечение.

2. Разработать комплексную принципиальную схему, как совокупность системы целевых механизмов, системы их энергообеспечения и системы управления, связанных материальными, энергетическими и информационными потоками.

3. Описать целевой, механический, энергетический и информационный интерфейс компонентов машины. Выбрать стандартные компоненты и поставить технические задания на оригинальные. Уточнить КПС.

4. Разработать принципиальную электрическую схему оригинального компонента машины.


Содержание графической части.

1.Процессная модель машины..................................................1 л.

2.Комплексная принципиальная схема....................................2 л.

3.Принципиальная электрическая схема.................................1 л.


Содержание расчетно-пояснительной записки.


1.Введение.

2.Описание процессной модели. Выбор и обоснование целевых, сервисных функций и функций коррекции цели. ТЗ на управляющую программу.

3.Описание комплексной принципиальной схемы.

4.Технические задания на оригинальные элементы и узлы машины.

5.Выбор и обоснование стандартных компонентов машины: информационный поиск датчиков и исполнительных элементов, описание целевого, механического, энергетического и информационного интерфейса этих элементов.

6.Расчет и описание принципиальной электрической схемы.

7.Заключение.

8.Источники информации.









Введение.


Производственное оборудование становится всё более автоматизированным во многих сферах его применения. Без управляющей электроники уже не может обойтись ни одна отрасль промышленности, особенно электронное машиностроение, где необходимо управление множеством технологических параметров при высочайшей точности и жестких требованиях к соблюдению технологии.

Целью данного курсового проекта является овладение навыками, методами и средствами комплексных разработок механических и электронных компонентов оборудования САУ.


Задачи проекта состоят в:

-распределении функций машины между различными компонентами и обосновании этих функций;

-постановке четких технических заданий перед разработчиками отдельных компонентов;

-выполнении технической документации на электронные компоненты.


Для упрощения работы оператора и повышения производительности предложен вариант полностью автоматизированной установки вместо существующей установки с ручным управлением.

Курсовой проект выполнен в объеме 4-х листов А1 и расчетно-пояснительной записки. На первом листе приведены алгоритм работы, таблица процессов. На втором и третьем листах - комплексная принципиальная схема установки: механика, энергообеспечение, системы автоматического и ручного управления. На четвертом листе - принципиальная электрическая схема БОРа, блока управления клапанами и блока нормализации сигналов. В расчетно-пояснительной записке приведены необходимые пояснения и расчеты, отражены принципы построения СУ установки, даны описания листов проекта.



Характеристики курсовой работы

Список файлов

САУ установки исследования частиц в плазме
sau_1.cdw
sau_2.cdw
sau_3.cdw
sau_4.cdw
sau_spec_4.spw
Задание.doc
Прочти меня.txt
РПЗ.doc
Картинка-подпись
Зарабатывай на студизбе! Просто выкладывай то, что так и так делаешь для своей учёбы: ДЗ, шпаргалки, решённые задачи и всё, что тебе пригодилось.
Начать зарабатывать

Комментарии

Поделитесь ссылкой:
Цена: 1 200 руб.
Расширенная гарантия +3 недели гарантии, +10% цены
Рейтинг автора
4,78 из 5
Поделитесь ссылкой:
Сопутствующие материалы

Подобрали для Вас услуги

Вы можете использовать курсовую работу для примера, а также можете ссылаться на неё в своей работе. Авторство принадлежит автору работы, поэтому запрещено копировать текст из этой работы для любой публикации, в том числе в свою курсовую работу в учебном заведении, без правильно оформленной ссылки. Читайте как правильно публиковать ссылки в своей работе.
Свежие статьи
Популярно сейчас
Почему делать на заказ в разы дороже, чем купить готовую учебную работу на СтудИзбе? Наши учебные работы продаются каждый год, тогда как большинство заказов выполняются с нуля. Найдите подходящий учебный материал на СтудИзбе!
Ответы на популярные вопросы
Да! Наши авторы собирают и выкладывают те работы, которые сдаются в Вашем учебном заведении ежегодно и уже проверены преподавателями.
Да! У нас любой человек может выложить любую учебную работу и зарабатывать на её продажах! Но каждый учебный материал публикуется только после тщательной проверки администрацией.
Вернём деньги! А если быть более точными, то автору даётся немного времени на исправление, а если не исправит или выйдет время, то вернём деньги в полном объёме!
Да! На равне с готовыми студенческими работами у нас продаются услуги. Цены на услуги видны сразу, то есть Вам нужно только указать параметры и сразу можно оплачивать.
Отзывы студентов
Ставлю 10/10
Все нравится, очень удобный сайт, помогает в учебе. Кроме этого, можно заработать самому, выставляя готовые учебные материалы на продажу здесь. Рейтинги и отзывы на преподавателей очень помогают сориентироваться в начале нового семестра. Спасибо за такую функцию. Ставлю максимальную оценку.
Лучшая платформа для успешной сдачи сессии
Познакомился со СтудИзбой благодаря своему другу, очень нравится интерфейс, количество доступных файлов, цена, в общем, все прекрасно. Даже сам продаю какие-то свои работы.
Студизба ван лав ❤
Очень офигенный сайт для студентов. Много полезных учебных материалов. Пользуюсь студизбой с октября 2021 года. Серьёзных нареканий нет. Хотелось бы, что бы ввели подписочную модель и сделали материалы дешевле 300 рублей в рамках подписки бесплатными.
Отличный сайт
Лично меня всё устраивает - и покупка, и продажа; и цены, и возможность предпросмотра куска файла, и обилие бесплатных файлов (в подборках по авторам, читай, ВУЗам и факультетам). Есть определённые баги, но всё решаемо, да и администраторы реагируют в течение суток.
Маленький отзыв о большом помощнике!
Студизба спасает в те моменты, когда сроки горят, а работ накопилось достаточно. Довольно удобный сайт с простой навигацией и огромным количеством материалов.
Студ. Изба как крупнейший сборник работ для студентов
Тут дофига бывает всего полезного. Печально, что бывают предметы по которым даже одного бесплатного решения нет, но это скорее вопрос к студентам. В остальном всё здорово.
Спасательный островок
Если уже не успеваешь разобраться или застрял на каком-то задание поможет тебе быстро и недорого решить твою проблему.
Всё и так отлично
Всё очень удобно. Особенно круто, что есть система бонусов и можно выводить остатки денег. Очень много качественных бесплатных файлов.
Отзыв о системе "Студизба"
Отличная платформа для распространения работ, востребованных студентами. Хорошо налаженная и качественная работа сайта, огромная база заданий и аудитория.
Отличный помощник
Отличный сайт с кучей полезных файлов, позволяющий найти много методичек / учебников / отзывов о вузах и преподователях.
Отлично помогает студентам в любой момент для решения трудных и незамедлительных задач
Хотелось бы больше конкретной информации о преподавателях. А так в принципе хороший сайт, всегда им пользуюсь и ни разу не было желания прекратить. Хороший сайт для помощи студентам, удобный и приятный интерфейс. Из недостатков можно выделить только отсутствия небольшого количества файлов.
Спасибо за шикарный сайт
Великолепный сайт на котором студент за не большие деньги может найти помощь с дз, проектами курсовыми, лабораторными, а также узнать отзывы на преподавателей и бесплатно скачать пособия.
Популярные преподаватели
Добавляйте материалы
и зарабатывайте!
Продажи идут автоматически
6698
Авторов
на СтудИзбе
289
Средний доход
с одного платного файла
Обучение Подробнее