Курсовая работа: САУ стенда инфракрасного нагрева

-9%

Описание

Этот курсовой проект по САУ был выполнен и защищён в 2006-м году

Расчетно-пояснительная записка

по курсовому проекту на тему

«Система автоматизированного управления стенда инфракрасного нагрева»


Москва 2006г.


Содержание:

1. Введение 4

2. Описание установки 4

3. Описание процессной модели 6

4. Комплексная принципиальная схема 8

5. Подбор элементной базы САУ 12

6. Проектирование блока управления нагревателям 22

7. Проектирование блока оптронной развязки 23

8. Список использованной литературы и источников 26

9. Приложения 27





































1. Введение.


Автоматизация различного вида оборудования применяется широкомасштабно, причем, не только для процессов с очень хорошо отработанной технологией, но и для таких в которых нельзя говорить о четко сформированных закономерностях. Более того оборудование с хорошо проработанной системой автоматизированного управления (САУ) позволяет более гибко и плодотворно отрабатывать технологию новых процессов и, например, проводить опыты по новому применению старых технологий, т.е. позволяет вмешиваться в технологический процесс на любой его стадии.

При проектировании САУ необходимо внимательно изучить и продумать все возможные варианты применения САУ в данной конструкции с целью выбора оптимального из них по нескольким критериям: степень автоматизации, сложность изготовления и эксплуатации, цена. Также при проектировании следует использовать элементы и модули, которые впоследствии можно будет без особых проблем заменить и доработать. Это несколько удорожает систему в целом на первоначальном этапе, но вполне окупается в процессе эксплуатации, поскольку через несколько лет не придётся полностью заменять систему по причине её полного морального или физического старения.

Целью данного курсового проекта является овладение навыками, методами и средствами комплексных разработок механических и электронных компонентов оборудования САУ.


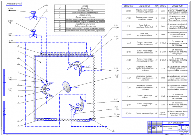
2. Описание установки.

Модульный многоцелевой экспериментальный стенд по исследованию инфракрасного нагрева состоит из нескольких варьируемых компонент:

а) нагреватель,

б) рефлектор,

в) водяное охлаждение рефлектора

г) экранная изоляция камеры,

д) теплоизоляция камеры (футеровка),

е) водяное охлаждение камеры.


Рис 1. Принципиальная схема модульной установки.


Стенд представляет собой набор изменяемых компонент, которые могут быть подобраны для конкретного эксперимента индивидуально, например комплект сменных рефлекторов разной формы на перемещающихся каретках (для смены местоположения фокуса рефлектора и его настройки, перемещение осуществляется вручную), включаемое и выключаемое водяное охлаждение как камеры так и индивидуально рефлекторов и т.д. Набор рефлекторных блоков может доходить до 6, расположенных равномерно вокруг месторасположения изделия. Изделием может являться широкий круг изделий в силу высокой способности к настройке элементов нагревательной системы.




Параметры установки:

1. максимальная допустимая температура изделия – 500 С.

2. максимальная допустимая температура стенок камеры – 60 С.

3. максимальная допустимая температура воды в системе охлаждения рефлектора – 80 С.

4. допустимая инерция измерения температуры – 10с.

5. мощность одного нагревательного элемента до 1кВт.

6. допустимое колебание температуры при выдержке изделия +-10 С.


3. Описание процессной модели.


Система управления должна реализовать основные целевые, сервисные функции и функции коррекции цели.


1. Основные целевые функции.

  • Реализация процесса нагрева изделия по заданным параметрам (температура нагрева, выдержка и т.д.).
  • Функции учета и статистики процесса (график температур по времени, отметки о включении водяного охлаждения).


2. Сервисные функции.

  • Индикация процесса нагрева (температуры изделия, рефлектора и камеры., времени нагрева, состояния систем охлаждения).
  • Сигнализация о неплановых ситуациях (отклонение от планового процесса, превышение допустимых параметров).


3.Функции коррекции цели.

Характеристики курсовой работы

Список файлов

САУ стенда инфракрасного нагрева
Лист 1.cdw
Лист 2.cdw
Лист 3.cdw
Лист 4.cdw
Прочти меня.txt
РПЗ.doc
Картинка-подпись
Зарабатывай на студизбе! Просто выкладывай то, что так и так делаешь для своей учёбы: ДЗ, шпаргалки, решённые задачи и всё, что тебе пригодилось.
Начать зарабатывать

Комментарии

Нет комментариев
Стань первым, кто что-нибудь напишет!
Поделитесь ссылкой:
Цена: 1 200 1 089 руб.
Расширенная гарантия +3 недели гарантии, +10% цены
Рейтинг автора
4,79 из 5
Поделитесь ссылкой:
Сопутствующие материалы

Подобрали для Вас услуги

Вы можете использовать курсовую работу для примера, а также можете ссылаться на неё в своей работе. Авторство принадлежит автору работы, поэтому запрещено копировать текст из этой работы для любой публикации, в том числе в свою курсовую работу в учебном заведении, без правильно оформленной ссылки. Читайте как правильно публиковать ссылки в своей работе.
Свежие статьи
Популярно сейчас
Как Вы думаете, сколько людей до Вас делали точно такое же задание? 99% студентов выполняют точно такие же задания, как и их предшественники год назад. Найдите нужный учебный материал на СтудИзбе!
Ответы на популярные вопросы
Да! Наши авторы собирают и выкладывают те работы, которые сдаются в Вашем учебном заведении ежегодно и уже проверены преподавателями.
Да! У нас любой человек может выложить любую учебную работу и зарабатывать на её продажах! Но каждый учебный материал публикуется только после тщательной проверки администрацией.
Вернём деньги! А если быть более точными, то автору даётся немного времени на исправление, а если не исправит или выйдет время, то вернём деньги в полном объёме!
Да! На равне с готовыми студенческими работами у нас продаются услуги. Цены на услуги видны сразу, то есть Вам нужно только указать параметры и сразу можно оплачивать.
Отзывы студентов
Ставлю 10/10
Все нравится, очень удобный сайт, помогает в учебе. Кроме этого, можно заработать самому, выставляя готовые учебные материалы на продажу здесь. Рейтинги и отзывы на преподавателей очень помогают сориентироваться в начале нового семестра. Спасибо за такую функцию. Ставлю максимальную оценку.
Лучшая платформа для успешной сдачи сессии
Познакомился со СтудИзбой благодаря своему другу, очень нравится интерфейс, количество доступных файлов, цена, в общем, все прекрасно. Даже сам продаю какие-то свои работы.
Студизба ван лав ❤
Очень офигенный сайт для студентов. Много полезных учебных материалов. Пользуюсь студизбой с октября 2021 года. Серьёзных нареканий нет. Хотелось бы, что бы ввели подписочную модель и сделали материалы дешевле 300 рублей в рамках подписки бесплатными.
Отличный сайт
Лично меня всё устраивает - и покупка, и продажа; и цены, и возможность предпросмотра куска файла, и обилие бесплатных файлов (в подборках по авторам, читай, ВУЗам и факультетам). Есть определённые баги, но всё решаемо, да и администраторы реагируют в течение суток.
Маленький отзыв о большом помощнике!
Студизба спасает в те моменты, когда сроки горят, а работ накопилось достаточно. Довольно удобный сайт с простой навигацией и огромным количеством материалов.
Студ. Изба как крупнейший сборник работ для студентов
Тут дофига бывает всего полезного. Печально, что бывают предметы по которым даже одного бесплатного решения нет, но это скорее вопрос к студентам. В остальном всё здорово.
Спасательный островок
Если уже не успеваешь разобраться или застрял на каком-то задание поможет тебе быстро и недорого решить твою проблему.
Всё и так отлично
Всё очень удобно. Особенно круто, что есть система бонусов и можно выводить остатки денег. Очень много качественных бесплатных файлов.
Отзыв о системе "Студизба"
Отличная платформа для распространения работ, востребованных студентами. Хорошо налаженная и качественная работа сайта, огромная база заданий и аудитория.
Отличный помощник
Отличный сайт с кучей полезных файлов, позволяющий найти много методичек / учебников / отзывов о вузах и преподователях.
Отлично помогает студентам в любой момент для решения трудных и незамедлительных задач
Хотелось бы больше конкретной информации о преподавателях. А так в принципе хороший сайт, всегда им пользуюсь и ни разу не было желания прекратить. Хороший сайт для помощи студентам, удобный и приятный интерфейс. Из недостатков можно выделить только отсутствия небольшого количества файлов.
Спасибо за шикарный сайт
Великолепный сайт на котором студент за не большие деньги может найти помощь с дз, проектами курсовыми, лабораторными, а также узнать отзывы на преподавателей и бесплатно скачать пособия.
Популярные преподаватели
Добавляйте материалы
и зарабатывайте!
Продажи идут автоматически
7150
Авторов
на СтудИзбе
253
Средний доход
с одного платного файла
Обучение Подробнее