Курсовая работа: Привод установки обработки стекла

Описание

Этот курсовой проект по САУ был выполнен и защищён в 2006-м году

Содержание

Введение …………………………………………………………………………4

Техническое задание …………………………………………………………….5

Процессная модель ……………………………………………………………….6

Схема ………………………………………………………………………………7

Информационный поиск …………………………………………………………9

Выбор датчика усилия ……………………………………………………………9

Выбор насоса ……………………………………………………………………...10

Выбор клапанов …………………………………………………………………..11

Описание и расчет принципиальной электрической схемы …………………..12

Заключение ………………………………………………………………………..16

Использованная литература ……………………………………………………...17

Приложение



Введение

Целью курсового проекта является разработка автоматической системы управления для привода установки обработки стекла. Выбор целевых и сервисных функций, а так же функций коррекции цели. Необходимо найти варианты решения комплексной принципиальной схемы.

Исходя из цели, задачу можно определить как поиск оптимальной принципиальной схемы, как совокупности системы целевых механизмов, системы их энергообеспечения и системы управления, связанных материальными, энергетическими и информационными потоками.

Введение автоматической системы управления позволит повысить производительность установки, и облегчит труд оператора.

Техническое задание и техническое предложение

В проекте требуется создать установку, состоящую из нескольких блоков, каждый из которых отвечает за исполнение конкретных функций установки. Они связаны между собой информационными и энергетическими потоками. Первым этапом проектирования является формирование технического задания и технических требований на эти блоки.

Основными блоками данной установки являются:

  • механическая часть установки (клапана, арматура, насос,компрессор);
  • электронная часть (схема управления пневмораспределителем).

Техническое задание на привод установки обработки стекла

Задача установки является обработка кромки стекла сложной формы. Требуется наличие возможности проведения технологического процесса в ручном или полуавтоматическом режиме.

Техническое задание на электрическую схему управления распределителем (ЭСУП).

ЭСУП предназначена для непрерывного, динамического, автономного управления установкой, для непрерывного контроля за усилием пневмоцилиндра и управления пневмораспределителем.



Процессная модель

Система управления должна реализовать основные целевые, сервисные функции и функции коррекции цели.

Основные целевые функции направлены на реализацию целевого назначения машины.

Для привода установки обработки стекла это: бесперебойная работа во время обработки изделия.

Сервисные функции обслуживают и создают условия для наилучшего выполнения основных функций.

Для данной установки это:

oобслуживает считывание состояния датчиков

oконтроль усилия пневмоцилиндра

oпереключение питания обмотки пневмораспределителя

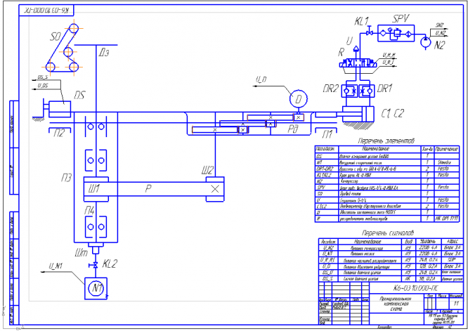
Схемы

Общая схема привода


Комплексная принципиальная схема

Структура технологической машины – это комплекс функциональных систем, связанных между собой и объединенных в единое целое, направленное на реализацию одного или ряда технологических процессов, обеспечивающих получение изделий, имеющих товарную ценность. У разработчиков машины, специалистов, занимающихся ее продажей, монтажом, эксплуатацией и ремонтом свой взгляд на назначение структуры, состав и способ ее отображения, мы здесь будем рассматривать структуру или структурно-компоновочное решение (СКР) с точки зрения разработчика.

Прежде всего, определим цель разработки структурно-компоновочного решения машины, исходя из которой – содержание СКР и методы проработки, необходимые для реализации поставленной цели.

  1. Структура машины разрабатывается в процессе ее проектирования для выявления требований к ее отдельным подсистемам и элементам. Появляется структура на этапе технического предложения и эскизного проекта и, по сути, должна являться техническим заданием на дальнейшую проработку подсистем и элементов технологической машины на этапах технического и рабочего проекта. Как отдельный результат проектирования синтезированная структура для разработчика особой ценности не несет, это лишь промежуточный результат, отражающий свойства системы, необходимые для дальнейшей её проработки.

Характеристики курсовой работы

Список файлов

Привод установки обработки стекла
list1_v5.cdw
list2_v5.cdw
list3_v5.cdw
v5.cdw
Прочти меня.txt
РПЗ.doc
топология1.JPG
Картинка-подпись
Зарабатывай на студизбе! Просто выкладывай то, что так и так делаешь для своей учёбы: ДЗ, шпаргалки, решённые задачи и всё, что тебе пригодилось.
Начать зарабатывать

Комментарии

Нет комментариев
Стань первым, кто что-нибудь напишет!
Поделитесь ссылкой:
Цена: 1 200 руб.
Расширенная гарантия +3 недели гарантии, +10% цены
Рейтинг автора
4,79 из 5
Поделитесь ссылкой:
Сопутствующие материалы

Подобрали для Вас услуги

-25%
-20%
Вы можете использовать курсовую работу для примера, а также можете ссылаться на неё в своей работе. Авторство принадлежит автору работы, поэтому запрещено копировать текст из этой работы для любой публикации, в том числе в свою курсовую работу в учебном заведении, без правильно оформленной ссылки. Читайте как правильно публиковать ссылки в своей работе.
Свежие статьи
Популярно сейчас
Как Вы думаете, сколько людей до Вас делали точно такое же задание? 99% студентов выполняют точно такие же задания, как и их предшественники год назад. Найдите нужный учебный материал на СтудИзбе!
Ответы на популярные вопросы
Да! Наши авторы собирают и выкладывают те работы, которые сдаются в Вашем учебном заведении ежегодно и уже проверены преподавателями.
Да! У нас любой человек может выложить любую учебную работу и зарабатывать на её продажах! Но каждый учебный материал публикуется только после тщательной проверки администрацией.
Вернём деньги! А если быть более точными, то автору даётся немного времени на исправление, а если не исправит или выйдет время, то вернём деньги в полном объёме!
Да! На равне с готовыми студенческими работами у нас продаются услуги. Цены на услуги видны сразу, то есть Вам нужно только указать параметры и сразу можно оплачивать.
Отзывы студентов
Ставлю 10/10
Все нравится, очень удобный сайт, помогает в учебе. Кроме этого, можно заработать самому, выставляя готовые учебные материалы на продажу здесь. Рейтинги и отзывы на преподавателей очень помогают сориентироваться в начале нового семестра. Спасибо за такую функцию. Ставлю максимальную оценку.
Лучшая платформа для успешной сдачи сессии
Познакомился со СтудИзбой благодаря своему другу, очень нравится интерфейс, количество доступных файлов, цена, в общем, все прекрасно. Даже сам продаю какие-то свои работы.
Студизба ван лав ❤
Очень офигенный сайт для студентов. Много полезных учебных материалов. Пользуюсь студизбой с октября 2021 года. Серьёзных нареканий нет. Хотелось бы, что бы ввели подписочную модель и сделали материалы дешевле 300 рублей в рамках подписки бесплатными.
Отличный сайт
Лично меня всё устраивает - и покупка, и продажа; и цены, и возможность предпросмотра куска файла, и обилие бесплатных файлов (в подборках по авторам, читай, ВУЗам и факультетам). Есть определённые баги, но всё решаемо, да и администраторы реагируют в течение суток.
Маленький отзыв о большом помощнике!
Студизба спасает в те моменты, когда сроки горят, а работ накопилось достаточно. Довольно удобный сайт с простой навигацией и огромным количеством материалов.
Студ. Изба как крупнейший сборник работ для студентов
Тут дофига бывает всего полезного. Печально, что бывают предметы по которым даже одного бесплатного решения нет, но это скорее вопрос к студентам. В остальном всё здорово.
Спасательный островок
Если уже не успеваешь разобраться или застрял на каком-то задание поможет тебе быстро и недорого решить твою проблему.
Всё и так отлично
Всё очень удобно. Особенно круто, что есть система бонусов и можно выводить остатки денег. Очень много качественных бесплатных файлов.
Отзыв о системе "Студизба"
Отличная платформа для распространения работ, востребованных студентами. Хорошо налаженная и качественная работа сайта, огромная база заданий и аудитория.
Отличный помощник
Отличный сайт с кучей полезных файлов, позволяющий найти много методичек / учебников / отзывов о вузах и преподователях.
Отлично помогает студентам в любой момент для решения трудных и незамедлительных задач
Хотелось бы больше конкретной информации о преподавателях. А так в принципе хороший сайт, всегда им пользуюсь и ни разу не было желания прекратить. Хороший сайт для помощи студентам, удобный и приятный интерфейс. Из недостатков можно выделить только отсутствия небольшого количества файлов.
Спасибо за шикарный сайт
Великолепный сайт на котором студент за не большие деньги может найти помощь с дз, проектами курсовыми, лабораторными, а также узнать отзывы на преподавателей и бесплатно скачать пособия.
Популярные преподаватели
Добавляйте материалы
и зарабатывайте!
Продажи идут автоматически
7226
Авторов
на СтудИзбе
248
Средний доход
с одного платного файла
Обучение Подробнее