Курсовая работа: Установка металлизации отверстий печатных плат

Описание

Курсовой проект по системам автоматического управления 2005-го года

Проект курсовой


На тему: «Установка металлизации отверстий печатных плат»


Расчетно-пояснительная записка


Москва 2005.


ЗАДАНИЕ

на курсовой проект по системам автоматического управления оборудования электронных технологий.


Тема проекта: Установка для травления ПП


1. Проработать описание работы машины, выбрать и обосновать состав его основных целевых функций, сервисных функций и функций коррекции цели. Разработать ТЗ на программное обеспечение.

2. Разработать комплексную принципиальную схему, как совокупность системы целевых механизмов, системы их энергообеспечения и системы управления, связанных материальными, энергетическими и информационными потоками.

3. Описать целевой, механический, энергетический и информационный интерфейс компонентов машины. Выбрать стандартные компоненты и поставить технические задания на оригинальные. Уточнить КПС.

4. Разработать принципиальную электрическую схему оригинального компонента машины.


Содержание графической части.

Процессная модель машины..................................................1 л.

Комплексная принципиальная схема....................................2 л.

Принципиальная электрическая схема.................................1 л.


Содержание расчетно-пояснительной записки.


  1. Введение.
  2. Описание процессной модели. Выбор и обоснование целевых, сервисных функций и функций коррекции цели. ТЗ на управляющую программу.
  3. Описание комплексной принципиальной схемы.
  4. Технические задания на оригинальные элементы и узлы машины.
  5. Выбор и обоснование стандартных компонентов машины: информационный поиск датчиков и исполнительных элементов, описание целевого, механического, энергетического и информационного интерфейса этих элементов.
  6. Расчет и описание принципиальной электрической схемы.
  7. Заключение.
  • Источники информации.


Содержание

Введение. 4

1.... Процессная модель. 4

1.2. Функции системы.. 4

1.3. Режимы работы.. 5

2.... Процессы, реализуемые в системе. 5

2.1. Основные целевые процессы.. 5

2.2 Выбор сервисных процессов. 6

2.3 Функции коррекции цели. 7

2.4 Разработка алгоритма работы установки. 7

3. Комплексная принципиальная схема (КПС) и ТЗ на отдельные элементы 7

3.1 Построение аппаратной части САУ.. 7

3.1.1. Механическая часть. 8

3.1.2. Блок питания и управления. 10

3.1.3. Компьютер. 10

3.1.4. Погружные насосы.. 11

3.2. Техническое задание на элементы и узлы машины.. 11

3.2.1 Компьютер. 11

3.2.2. Блок питания и управления. 12

3.2.3. Термодатчик. 13

Заключение. 14

Список использованных источников. 15


Введение.

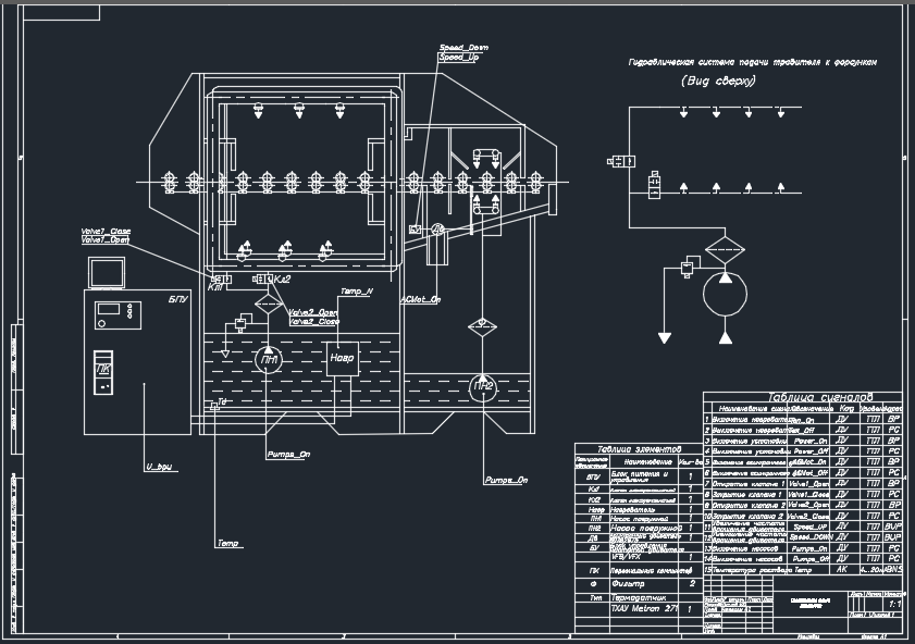
В данном курсовом проекте рассматриваются вопросы, связанные с автоматизацией процесса травления печатных плат (ПП) на установке травления с горизонтальным травлением Resco.

Была разработана система автоматического управления (САУ) установкой, которая позволяет:

  • Реализовать автоматическую работу клапанов
  • Отслеживать весь процесс травления заготовок на экране монитора компьютера, оперативно выводя сообщения о неполадках и сбоях в работе установки
  • Менять частоту вращения асинхронного двигателя непосредственно с персонального компьютера
  • Осуществлять контроль за температурой травильного раствора
  1. Процессная модель

Данная установка предназначена для травления печатных плат, несомненным ее преимуществом является возможность встраивания в автоматическую линию по производству ПП. Как было сказано выше, установка относится к типу установок с горизонтальным конвейером. Конвейер роликового типа позволяет пропускать ПП с различным набором толщин, а также травить гибкие ПП. Травильный раствор подается через набор форсунок, причем гидросистема имеет два контура. Раствор подается поочередно с каждой стороны, чтобы избежать застоя травильного раствора в центре заготовки, а следовательно протрава.

Технические характеристики.

Производительность, м2/час

15

Длина, мм

1710

Ширина, мм

1400

Высота, мм

1250

Емкость резервуара для травильного раствора, л

200

Мощность, кВт

6

Максимальные размеры ПП (дл х ш), мм

¥ х 610

Минимальные размеры ПП (дл х ш), мм

120 х 20

Питание

220/240 В, 50 Гц

Нагреватели, кВт

4

  1. Функции системы

Система управления должна реализовать основные целевые, сервисные функции и функции коррекции цели.

Целевые функции:

  • Нагрев травильного раствора
  • Осуществление попеременной подачи травильного раствора

Сервисные функции:

  • Сигнализация аварийных ситуаций.

Функции коррекции цели:

Характеристики курсовой работы

Список файлов

Установка металлизации отверстий печатных плат
l1.dwg
l2.dwg
l3.dwg
l4.dwg
Задание.doc
Записка.doc
Прочти меня.txt
Картинка-подпись
Зарабатывай на студизбе! Просто выкладывай то, что так и так делаешь для своей учёбы: ДЗ, шпаргалки, решённые задачи и всё, что тебе пригодилось.
Начать зарабатывать

Комментарии

Нет комментариев
Стань первым, кто что-нибудь напишет!
Поделитесь ссылкой:
Цена: 1 200 руб.
Расширенная гарантия +3 недели гарантии, +10% цены
Рейтинг автора
4,79 из 5
Поделитесь ссылкой:
Сопутствующие материалы

Подобрали для Вас услуги

-26%
Вы можете использовать курсовую работу для примера, а также можете ссылаться на неё в своей работе. Авторство принадлежит автору работы, поэтому запрещено копировать текст из этой работы для любой публикации, в том числе в свою курсовую работу в учебном заведении, без правильно оформленной ссылки. Читайте как правильно публиковать ссылки в своей работе.
Свежие статьи
Популярно сейчас
Зачем заказывать выполнение своего задания, если оно уже было выполнено много много раз? Его можно просто купить или даже скачать бесплатно на СтудИзбе. Найдите нужный учебный материал у нас!
Ответы на популярные вопросы
Да! Наши авторы собирают и выкладывают те работы, которые сдаются в Вашем учебном заведении ежегодно и уже проверены преподавателями.
Да! У нас любой человек может выложить любую учебную работу и зарабатывать на её продажах! Но каждый учебный материал публикуется только после тщательной проверки администрацией.
Вернём деньги! А если быть более точными, то автору даётся немного времени на исправление, а если не исправит или выйдет время, то вернём деньги в полном объёме!
Да! На равне с готовыми студенческими работами у нас продаются услуги. Цены на услуги видны сразу, то есть Вам нужно только указать параметры и сразу можно оплачивать.
Отзывы студентов
Ставлю 10/10
Все нравится, очень удобный сайт, помогает в учебе. Кроме этого, можно заработать самому, выставляя готовые учебные материалы на продажу здесь. Рейтинги и отзывы на преподавателей очень помогают сориентироваться в начале нового семестра. Спасибо за такую функцию. Ставлю максимальную оценку.
Лучшая платформа для успешной сдачи сессии
Познакомился со СтудИзбой благодаря своему другу, очень нравится интерфейс, количество доступных файлов, цена, в общем, все прекрасно. Даже сам продаю какие-то свои работы.
Студизба ван лав ❤
Очень офигенный сайт для студентов. Много полезных учебных материалов. Пользуюсь студизбой с октября 2021 года. Серьёзных нареканий нет. Хотелось бы, что бы ввели подписочную модель и сделали материалы дешевле 300 рублей в рамках подписки бесплатными.
Отличный сайт
Лично меня всё устраивает - и покупка, и продажа; и цены, и возможность предпросмотра куска файла, и обилие бесплатных файлов (в подборках по авторам, читай, ВУЗам и факультетам). Есть определённые баги, но всё решаемо, да и администраторы реагируют в течение суток.
Маленький отзыв о большом помощнике!
Студизба спасает в те моменты, когда сроки горят, а работ накопилось достаточно. Довольно удобный сайт с простой навигацией и огромным количеством материалов.
Студ. Изба как крупнейший сборник работ для студентов
Тут дофига бывает всего полезного. Печально, что бывают предметы по которым даже одного бесплатного решения нет, но это скорее вопрос к студентам. В остальном всё здорово.
Спасательный островок
Если уже не успеваешь разобраться или застрял на каком-то задание поможет тебе быстро и недорого решить твою проблему.
Всё и так отлично
Всё очень удобно. Особенно круто, что есть система бонусов и можно выводить остатки денег. Очень много качественных бесплатных файлов.
Отзыв о системе "Студизба"
Отличная платформа для распространения работ, востребованных студентами. Хорошо налаженная и качественная работа сайта, огромная база заданий и аудитория.
Отличный помощник
Отличный сайт с кучей полезных файлов, позволяющий найти много методичек / учебников / отзывов о вузах и преподователях.
Отлично помогает студентам в любой момент для решения трудных и незамедлительных задач
Хотелось бы больше конкретной информации о преподавателях. А так в принципе хороший сайт, всегда им пользуюсь и ни разу не было желания прекратить. Хороший сайт для помощи студентам, удобный и приятный интерфейс. Из недостатков можно выделить только отсутствия небольшого количества файлов.
Спасибо за шикарный сайт
Великолепный сайт на котором студент за не большие деньги может найти помощь с дз, проектами курсовыми, лабораторными, а также узнать отзывы на преподавателей и бесплатно скачать пособия.
Популярные преподаватели
Добавляйте материалы
и зарабатывайте!
Продажи идут автоматически
7228
Авторов
на СтудИзбе
249
Средний доход
с одного платного файла
Обучение Подробнее