Для студентов МГТУ им. Н.Э.Баумана по предмету Системы автоматического управления (САУ) (МТ-11)Установка двухстороннего совмещения и экспонирования на базе ЭМ-576Установка двухстороннего совмещения и экспонирования на базе ЭМ-576
5,0052
2017-12-22СтудИзба

Курсовая работа: Установка двухстороннего совмещения и экспонирования на базе ЭМ-576

Описание

Курсовой проект по системам автоматического управления 2005-го года

Расчетно-пояснительная записка к курсовому проекту

по теме:


«Установка двухстороннего совмещения и экспонирования на базе ЭМ-576»


Москва, 2005


Оглавление


1.Введение……………………………………………………………………………….…...3

2.Описание процессной модели……………………………………………………….……4

2.1.Разделение технологии на процессы…………………………………………………4

2.2.Описание функций установки…………………………………………………….…..6

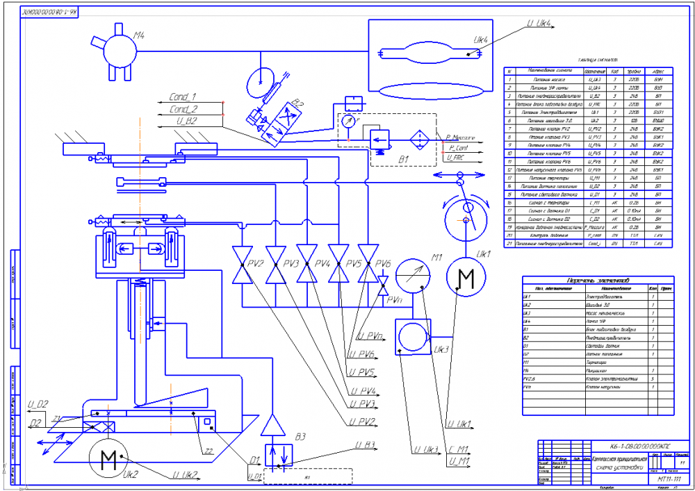
3.Описание комплексной принципиальной схемы………………………………………..7

3.1.Механический интерфейс установки……….………………………………………..8

3.2.Энергетический интерфейс установки……………………………………………….9

3.3.Информационный интерфейс установки…………………………………………….9

4.Выбор стандартных компонентов………………………………………………………...10

4.1.Клапан электромагнитный…………………………………………………………….10

4.2.Клапан-натекатель……………………………………………………………………..11

4.3.Датчик давления термопарный………………………………………………………..11

4.4.Блок подготовки воздуха………………………………………………………………11

4.5.Распределитель…………………………………………………………………………12

4.6.Насос вакуумной системы……………………………………………………………..13

5.Технические задания на оригинальные узлы…………………………………………….14

5.1.Блок питания……………………………………………………………………………14

5.2.Блок ключей…………………………………………………………………………….14

5.3.Блок нормализации сигналов………………………………………………………….14

5.4.Блоки ключей управления пневмораспределителем ,УФ лампой, двигателями…..14

5.5.Персональный компьютер……………………………………………………………..14

6.Расчёт и описание интерфейсных схем……………………………………………………17

6.1.Блок нормализации сигналов…………………………………………………………..17

6.2.Блок ключей для управления клапанами и натекателем……………………………..19

Заключение……………………………………………………………………………………21

Список использованных источников………………………………………………………..22


1.Ведение


Целью данного курсового проекта является овладение навыками, методами и средствами комплексных разработок механических, электронных и программных компонентов оборудования САУ. Проведена разработка системы автоматического управления установки двухстороннего совмещения и экспонирования сконструированной на базе установки ЭМ-576.


  1. Описание процессной модели


Установка предназначена для двухстороннего совмещения и экспонирования кремниевой пластина. У установки имеется вакуумная , пневматическая, электрическая, механическая системы. С целью упрощения процесса и увеличения скорости цикла необходима централизованная система автоматического управления.

Для двустороннего совмещения сначала необходимо совместить рамки-шаблонодержатели с зафиксированными (при помощи вакуума) на них шаблонами, Далее между ними помещается заготовка, происходит выравнивание поверхностей ,зажим заготовки между шаблонами с целью создания статичной совмещённой системы .Следом идёт операция экспонирования.


Характеристики курсовой работы

Список файлов

Установка двухстороннего совмещения и экспонирования на базе ЭМ-576
4лист.cdw
4лист.dwg
zapiska.doc
Лист1.cdw
Лист1.dwg
Лист2.cdw
Лист2.dwg
Прочти меня.txt
лист3.cdw
лист3.dwg
Картинка-подпись
Зарабатывай на студизбе! Просто выкладывай то, что так и так делаешь для своей учёбы: ДЗ, шпаргалки, решённые задачи и всё, что тебе пригодилось.
Начать зарабатывать

Комментарии

Нет комментариев
Стань первым, кто что-нибудь напишет!
Поделитесь ссылкой:
Цена: 1 200 руб.
Расширенная гарантия +3 недели гарантии, +10% цены
Рейтинг покупателей
5 из 5
Поделитесь ссылкой:
Сопутствующие материалы

Подобрали для Вас услуги

Вы можете использовать курсовую работу для примера, а также можете ссылаться на неё в своей работе. Авторство принадлежит автору работы, поэтому запрещено копировать текст из этой работы для любой публикации, в том числе в свою курсовую работу в учебном заведении, без правильно оформленной ссылки. Читайте как правильно публиковать ссылки в своей работе.
Свежие статьи
Популярно сейчас
Почему делать на заказ в разы дороже, чем купить готовую учебную работу на СтудИзбе? Наши учебные работы продаются каждый год, тогда как большинство заказов выполняются с нуля. Найдите подходящий учебный материал на СтудИзбе!
Ответы на популярные вопросы
Да! Наши авторы собирают и выкладывают те работы, которые сдаются в Вашем учебном заведении ежегодно и уже проверены преподавателями.
Да! У нас любой человек может выложить любую учебную работу и зарабатывать на её продажах! Но каждый учебный материал публикуется только после тщательной проверки администрацией.
Вернём деньги! А если быть более точными, то автору даётся немного времени на исправление, а если не исправит или выйдет время, то вернём деньги в полном объёме!
Да! На равне с готовыми студенческими работами у нас продаются услуги. Цены на услуги видны сразу, то есть Вам нужно только указать параметры и сразу можно оплачивать.
Отзывы студентов
Ставлю 10/10
Все нравится, очень удобный сайт, помогает в учебе. Кроме этого, можно заработать самому, выставляя готовые учебные материалы на продажу здесь. Рейтинги и отзывы на преподавателей очень помогают сориентироваться в начале нового семестра. Спасибо за такую функцию. Ставлю максимальную оценку.
Лучшая платформа для успешной сдачи сессии
Познакомился со СтудИзбой благодаря своему другу, очень нравится интерфейс, количество доступных файлов, цена, в общем, все прекрасно. Даже сам продаю какие-то свои работы.
Студизба ван лав ❤
Очень офигенный сайт для студентов. Много полезных учебных материалов. Пользуюсь студизбой с октября 2021 года. Серьёзных нареканий нет. Хотелось бы, что бы ввели подписочную модель и сделали материалы дешевле 300 рублей в рамках подписки бесплатными.
Отличный сайт
Лично меня всё устраивает - и покупка, и продажа; и цены, и возможность предпросмотра куска файла, и обилие бесплатных файлов (в подборках по авторам, читай, ВУЗам и факультетам). Есть определённые баги, но всё решаемо, да и администраторы реагируют в течение суток.
Маленький отзыв о большом помощнике!
Студизба спасает в те моменты, когда сроки горят, а работ накопилось достаточно. Довольно удобный сайт с простой навигацией и огромным количеством материалов.
Студ. Изба как крупнейший сборник работ для студентов
Тут дофига бывает всего полезного. Печально, что бывают предметы по которым даже одного бесплатного решения нет, но это скорее вопрос к студентам. В остальном всё здорово.
Спасательный островок
Если уже не успеваешь разобраться или застрял на каком-то задание поможет тебе быстро и недорого решить твою проблему.
Всё и так отлично
Всё очень удобно. Особенно круто, что есть система бонусов и можно выводить остатки денег. Очень много качественных бесплатных файлов.
Отзыв о системе "Студизба"
Отличная платформа для распространения работ, востребованных студентами. Хорошо налаженная и качественная работа сайта, огромная база заданий и аудитория.
Отличный помощник
Отличный сайт с кучей полезных файлов, позволяющий найти много методичек / учебников / отзывов о вузах и преподователях.
Отлично помогает студентам в любой момент для решения трудных и незамедлительных задач
Хотелось бы больше конкретной информации о преподавателях. А так в принципе хороший сайт, всегда им пользуюсь и ни разу не было желания прекратить. Хороший сайт для помощи студентам, удобный и приятный интерфейс. Из недостатков можно выделить только отсутствия небольшого количества файлов.
Спасибо за шикарный сайт
Великолепный сайт на котором студент за не большие деньги может найти помощь с дз, проектами курсовыми, лабораторными, а также узнать отзывы на преподавателей и бесплатно скачать пособия.
Популярные преподаватели
Добавляйте материалы
и зарабатывайте!
Продажи идут автоматически
6862
Авторов
на СтудИзбе
271
Средний доход
с одного платного файла
Обучение Подробнее
{user_main_secret_data}