Курсовая работа: САУ установки низкотемпературного обезвоживания в вакууме

Описание

Курсовой проект был сдан и защищён в 2003-м году

ЗАДАНИЕ

на курсовой проект по системам автоматического управления оборудования электронных технологий.

Тема проекта: Установка низкотемпературного обезвоживания в вакууме.


1. Проработать описание работы машины, выбрать и обосновать состав его основных целевых функций, сервисных функций и функций коррекции цели. Разработать ТЗ на программное обеспечение.

2. Разработать комплексную принципиальную схему, как совокупность системы целевых механизмов, системы их энергообеспечения и системы управления, связанных материальными, энергетическими и информационными потоками.

3. Описать целевой, механический, энергетический и информационный интерфейс компонентов машины. Выбрать стандартные компоненты и поставить технические задания на оригинальные. Уточнить КПС.

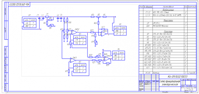
4. Разработать принципиальную электрическую схему датчика перепада температур


Содержание графической части.

  • Процессная модель машины.............................................………………...1 л.
  • Комплексная принципиальная схема..................................………………2 л.
  • Принципиальная электрическая схема датчика перепада температур....1 л.
  • Рабочие чертежи датчика перепада температур………………………….1 л.


Содержание расчетно-пояснительной записки.


  • Введение.
  • Описание процессной модели. Выбор и обоснование целевых, сервисных функций и функций коррекции цели. ТЗ на управляющую программу.
  • Описание комплексной принципиальной схемы.
  • Технические задания на оригинальные элементы и узлы машины.
  • Выбор и обоснование стандартных компонентов машины: информационный поиск датчиков и исполнительных элементов, описание целевого, механического, энергетического и информационного интерфейса этих элементов.
  • Расчет и описание принципиальной электрической схемы.
  • Заключение.
  • Источники информации.

Характеристики курсовой работы

Список файлов

САУ установки низкотемпературного обезвоживания в вакууме
Датчик температуры
Чертежи
blok _usilenia.spw
blok_usilenia.cdw
datchik.cdw
datchik2.cdw
datchik2.spw
prinz_schema.cdw
razvodka_platy.dwg
schema_podkl.cdw
печатная плата.dwg
Элементы
LM317L.pdf
LM335.PDF
MC33201-D.pdf
Новый вариант
Acad_version
blok_usilenia.dwg
datchik.dwg
datchik2.dwg
elektric.dwg
mechanic.dwg
monitor.cdw
pnevmatic.dwg
prinz_schema.dwg
prozess.dwg
razvodka_platy.dwg
schema_podkl.dwg
Kompas_version
blok _usilenia.spw
Картинка-подпись
Зарабатывай на студизбе! Просто выкладывай то, что так и так делаешь для своей учёбы: ДЗ, шпаргалки, решённые задачи и всё, что тебе пригодилось.
Начать зарабатывать

Комментарии

Нет комментариев
Стань первым, кто что-нибудь напишет!
Поделитесь ссылкой:
Цена: 1 200 руб.
Расширенная гарантия +3 недели гарантии, +10% цены
Рейтинг автора
4,79 из 5
Поделитесь ссылкой:
Сопутствующие материалы

Подобрали для Вас услуги

-55%
Вы можете использовать курсовую работу для примера, а также можете ссылаться на неё в своей работе. Авторство принадлежит автору работы, поэтому запрещено копировать текст из этой работы для любой публикации, в том числе в свою курсовую работу в учебном заведении, без правильно оформленной ссылки. Читайте как правильно публиковать ссылки в своей работе.
Свежие статьи
Популярно сейчас
Зачем заказывать выполнение своего задания, если оно уже было выполнено много много раз? Его можно просто купить или даже скачать бесплатно на СтудИзбе. Найдите нужный учебный материал у нас!
Ответы на популярные вопросы
Да! Наши авторы собирают и выкладывают те работы, которые сдаются в Вашем учебном заведении ежегодно и уже проверены преподавателями.
Да! У нас любой человек может выложить любую учебную работу и зарабатывать на её продажах! Но каждый учебный материал публикуется только после тщательной проверки администрацией.
Вернём деньги! А если быть более точными, то автору даётся немного времени на исправление, а если не исправит или выйдет время, то вернём деньги в полном объёме!
Да! На равне с готовыми студенческими работами у нас продаются услуги. Цены на услуги видны сразу, то есть Вам нужно только указать параметры и сразу можно оплачивать.
Отзывы студентов
Ставлю 10/10
Все нравится, очень удобный сайт, помогает в учебе. Кроме этого, можно заработать самому, выставляя готовые учебные материалы на продажу здесь. Рейтинги и отзывы на преподавателей очень помогают сориентироваться в начале нового семестра. Спасибо за такую функцию. Ставлю максимальную оценку.
Лучшая платформа для успешной сдачи сессии
Познакомился со СтудИзбой благодаря своему другу, очень нравится интерфейс, количество доступных файлов, цена, в общем, все прекрасно. Даже сам продаю какие-то свои работы.
Студизба ван лав ❤
Очень офигенный сайт для студентов. Много полезных учебных материалов. Пользуюсь студизбой с октября 2021 года. Серьёзных нареканий нет. Хотелось бы, что бы ввели подписочную модель и сделали материалы дешевле 300 рублей в рамках подписки бесплатными.
Отличный сайт
Лично меня всё устраивает - и покупка, и продажа; и цены, и возможность предпросмотра куска файла, и обилие бесплатных файлов (в подборках по авторам, читай, ВУЗам и факультетам). Есть определённые баги, но всё решаемо, да и администраторы реагируют в течение суток.
Маленький отзыв о большом помощнике!
Студизба спасает в те моменты, когда сроки горят, а работ накопилось достаточно. Довольно удобный сайт с простой навигацией и огромным количеством материалов.
Студ. Изба как крупнейший сборник работ для студентов
Тут дофига бывает всего полезного. Печально, что бывают предметы по которым даже одного бесплатного решения нет, но это скорее вопрос к студентам. В остальном всё здорово.
Спасательный островок
Если уже не успеваешь разобраться или застрял на каком-то задание поможет тебе быстро и недорого решить твою проблему.
Всё и так отлично
Всё очень удобно. Особенно круто, что есть система бонусов и можно выводить остатки денег. Очень много качественных бесплатных файлов.
Отзыв о системе "Студизба"
Отличная платформа для распространения работ, востребованных студентами. Хорошо налаженная и качественная работа сайта, огромная база заданий и аудитория.
Отличный помощник
Отличный сайт с кучей полезных файлов, позволяющий найти много методичек / учебников / отзывов о вузах и преподователях.
Отлично помогает студентам в любой момент для решения трудных и незамедлительных задач
Хотелось бы больше конкретной информации о преподавателях. А так в принципе хороший сайт, всегда им пользуюсь и ни разу не было желания прекратить. Хороший сайт для помощи студентам, удобный и приятный интерфейс. Из недостатков можно выделить только отсутствия небольшого количества файлов.
Спасибо за шикарный сайт
Великолепный сайт на котором студент за не большие деньги может найти помощь с дз, проектами курсовыми, лабораторными, а также узнать отзывы на преподавателей и бесплатно скачать пособия.
Популярные преподаватели
Добавляйте материалы
и зарабатывайте!
Продажи идут автоматически
7157
Авторов
на СтудИзбе
252
Средний доход
с одного платного файла
Обучение Подробнее