Курсовая работа: Установка фрезерования

Описание

Этот курсовой проект был успешно сдан в 2002-м году

Проект курсовой


«МЕТОДЫ И СРЕДСТВА КОМПЛЕКСНОЙ ПРОРАБОТКИ МЕХАНИЧЕСКИХ, ЭЛЕКТРОННЫХ И ПРОГРАММНЫХ КОМПОНЕНТОВ ТЕХНОЛОГИЧЕСКОГО ОБОРУДОВАНИЯ ЭЛЕКТРОННОЙ ТЕХНИКИ»


Установка фрезерования



Москва 2002



Оглавление.


  1. Задание. 3
  2. Введение. 4
  3. Описание процессной модели. Выбор и обоснование целевых, сервисных 5 функций, и функций коррекции цели.
  4. Технические задания на элементы и узлы машины. 8
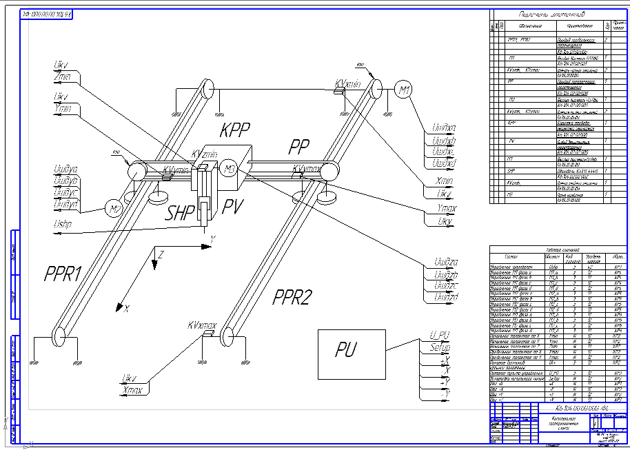
  5. Описание комплексной принципиальной схемы. 10
  6. Расчет и описание схемы. 14
  7. Заключение.

ЗАДАНИЕ


на курсовой проект по системам автоматического управления оборудования электронных технологий.

Тема проекта: Установка фрезерования.


1. Проработать описание работы установки, выбрать и обосновать состав ее основных целевых функций, сервисных функций, функций коррекции цели.

2. Разработать комплексную принципиальную схему, как совокупность системы целевых механизмов, системы их энергообеспечения и управления, связанных материальными, энергетическими и информационными потоками.

3. Описать механический, энергетический и информационный интерфейс компонентов установки. Составить технические задания на проработку отдельных компонентов.

4. На уровне эскизного и рабочего проекта проработать предложенный компонент САУ.


Содержание графической части.

  1. Процессная модель машины..................................................1 л.
  2. Комплексная принципиальная схема....................................2 л.
  3. Электрическая схема………………………….......................1 л.


Содержание расчетно-пояснительной записки.

  1. Введение.
  2. Описание процессной модели. Выбор и обоснование целевых, сервисных функций, и функций коррекции цели.
  3. Описание комплексной принципиальной схемы.
  4. Технические задания на элементы и узлы машины.
  5. Расчет и описание схемы.
  6. Заключение.

Введение.


В данной работе рассматриваются вопросы, связанные с автоматизацией процесса обработки на установке фрезерования. Была разработана система автоматического управления (САУ) процессом, которая позволяет:

  • проводить обработку по заданной траектории;
  • контролировать глубину обработки
  • контролировать конечное положение инструмента после процесса обработки (возврат в исходное положение);
  • управлять шаговыми двигателями приводов и двигателем шпинделя;
  • контролировать процесс работы установки.

Курсовой проект выполнен в объеме 4-х листов и расчетно-пояснительной записки. На первом листе приведена процессная модель, блок-схема алгоритмов и таблица ресурсов. На втором листе приведена комплексная принципиальная схема (КПС) установки. На третьем листе приведены системы энергообеспечения и управления, таблица привязки. На четвертом листе приведена принципиальная схема микроконтроллера, подключение шаговых двигателей, системы связи с объектами и с РС.

В расчетно-пояснительной записке описано назначение установки. Технология разделена на процессы. Выбраны процессы коррекции цели и сервисные процессы. Описана комплексная принципиальная схема (КПС) установки. Описана принципиальная электрическая схема и работа установки.


Описание процессной модели.

Назначение установки фрезерования.

Установка фрезерования предназначена для декоративной обработки неметаллических материалов – ПВХ-пластик, полистирол, акриловое стекло.

Дополнительное оборудование для подачи СОЖ в зону обработки позволяет обрабатывать мягкие металлы и сплавы – алюминий, латунь.

На установке могут обрабатываться горизонтальные плоскости, уступы и пазы различного профиля.

Размер зоны обработки – 1000х750 мм.

Для удаления стружки используется промышленный пылесос, установленный под вытяжкой.


Локальный анализ целевых процессов.


Установка должна работать в непрерывном цикле.

Система управления должна реализовать основные целевые, сервисные функции и функции коррекции цели.

  1. Основные целевые функции.
  2. Установка инструмента
  3. Запуск шпинделя
  4. Фрезерование


  1. Сервисные функции.
  2. Установка в нулевую координату
  3. Установка начальной точки обработки
  4. Возврат в начальную точку после обработки


  1. Функции коррекции цели.
  2. Диагностика сбоев
  3. корректировка высоты фрезерования.



Характеристики курсовой работы

Список файлов

Установка фрезерования
Drawing2.dwg
ЗАДАНИЕ.doc
КПС.cdw
КПС2.cdw
Процессная модель.cdw
Прочти меня.txt
РПЗ.doc
принципиальная схема.cdw
Картинка-подпись
Зарабатывай на студизбе! Просто выкладывай то, что так и так делаешь для своей учёбы: ДЗ, шпаргалки, решённые задачи и всё, что тебе пригодилось.
Начать зарабатывать

Комментарии

Нет комментариев
Стань первым, кто что-нибудь напишет!
Поделитесь ссылкой:
Цена: 1 200 руб.
Расширенная гарантия +3 недели гарантии, +10% цены
Рейтинг автора
4,79 из 5
Поделитесь ссылкой:
Сопутствующие материалы

Подобрали для Вас услуги

-53%
-43%
Вы можете использовать курсовую работу для примера, а также можете ссылаться на неё в своей работе. Авторство принадлежит автору работы, поэтому запрещено копировать текст из этой работы для любой публикации, в том числе в свою курсовую работу в учебном заведении, без правильно оформленной ссылки. Читайте как правильно публиковать ссылки в своей работе.
Свежие статьи
Популярно сейчас
Как Вы думаете, сколько людей до Вас делали точно такое же задание? 99% студентов выполняют точно такие же задания, как и их предшественники год назад. Найдите нужный учебный материал на СтудИзбе!
Ответы на популярные вопросы
Да! Наши авторы собирают и выкладывают те работы, которые сдаются в Вашем учебном заведении ежегодно и уже проверены преподавателями.
Да! У нас любой человек может выложить любую учебную работу и зарабатывать на её продажах! Но каждый учебный материал публикуется только после тщательной проверки администрацией.
Вернём деньги! А если быть более точными, то автору даётся немного времени на исправление, а если не исправит или выйдет время, то вернём деньги в полном объёме!
Да! На равне с готовыми студенческими работами у нас продаются услуги. Цены на услуги видны сразу, то есть Вам нужно только указать параметры и сразу можно оплачивать.
Отзывы студентов
Ставлю 10/10
Все нравится, очень удобный сайт, помогает в учебе. Кроме этого, можно заработать самому, выставляя готовые учебные материалы на продажу здесь. Рейтинги и отзывы на преподавателей очень помогают сориентироваться в начале нового семестра. Спасибо за такую функцию. Ставлю максимальную оценку.
Лучшая платформа для успешной сдачи сессии
Познакомился со СтудИзбой благодаря своему другу, очень нравится интерфейс, количество доступных файлов, цена, в общем, все прекрасно. Даже сам продаю какие-то свои работы.
Студизба ван лав ❤
Очень офигенный сайт для студентов. Много полезных учебных материалов. Пользуюсь студизбой с октября 2021 года. Серьёзных нареканий нет. Хотелось бы, что бы ввели подписочную модель и сделали материалы дешевле 300 рублей в рамках подписки бесплатными.
Отличный сайт
Лично меня всё устраивает - и покупка, и продажа; и цены, и возможность предпросмотра куска файла, и обилие бесплатных файлов (в подборках по авторам, читай, ВУЗам и факультетам). Есть определённые баги, но всё решаемо, да и администраторы реагируют в течение суток.
Маленький отзыв о большом помощнике!
Студизба спасает в те моменты, когда сроки горят, а работ накопилось достаточно. Довольно удобный сайт с простой навигацией и огромным количеством материалов.
Студ. Изба как крупнейший сборник работ для студентов
Тут дофига бывает всего полезного. Печально, что бывают предметы по которым даже одного бесплатного решения нет, но это скорее вопрос к студентам. В остальном всё здорово.
Спасательный островок
Если уже не успеваешь разобраться или застрял на каком-то задание поможет тебе быстро и недорого решить твою проблему.
Всё и так отлично
Всё очень удобно. Особенно круто, что есть система бонусов и можно выводить остатки денег. Очень много качественных бесплатных файлов.
Отзыв о системе "Студизба"
Отличная платформа для распространения работ, востребованных студентами. Хорошо налаженная и качественная работа сайта, огромная база заданий и аудитория.
Отличный помощник
Отличный сайт с кучей полезных файлов, позволяющий найти много методичек / учебников / отзывов о вузах и преподователях.
Отлично помогает студентам в любой момент для решения трудных и незамедлительных задач
Хотелось бы больше конкретной информации о преподавателях. А так в принципе хороший сайт, всегда им пользуюсь и ни разу не было желания прекратить. Хороший сайт для помощи студентам, удобный и приятный интерфейс. Из недостатков можно выделить только отсутствия небольшого количества файлов.
Спасибо за шикарный сайт
Великолепный сайт на котором студент за не большие деньги может найти помощь с дз, проектами курсовыми, лабораторными, а также узнать отзывы на преподавателей и бесплатно скачать пособия.
Популярные преподаватели
Добавляйте материалы
и зарабатывайте!
Продажи идут автоматически
7066
Авторов
на СтудИзбе
258
Средний доход
с одного платного файла
Обучение Подробнее