Курсовая работа: Разработка САУ установки зондового контроля параметров печатных плат

Описание

Этот курсовой проект был успешно сдан в 2002-м году

РАСЧЕТНО-ПОЯСНИТЕЛЬНАЯ ЗАПИСКА


К КУРСОВОМУ ПРОЕКТУ НА ТЕМУ:


«РАЗРАБОТКА СИСТЕМЫ АВТОМАТИЧЕСКОГО УПРАВЛЕНИЯ УСТАНОВКИ ЗОНДОВОГО КОНТРОЛЯ ПАРАМЕТРОВ

ПЕЧАТНЫХ ПЛАТ »


2002 г.

ЗАДАНИЕ

на курсовой проект по системам автоматического управления оборудования электронных технологий.


Тема проекта Разработка системы управления установки зондового контроля параметров печатных плат


1. Проработать описание работы машины, выбрать и обосновать состав его основных целевых функций, сервисных функций и функций коррекции цели. Разработать ТЗ на программное обеспечение.

2. Разработать комплексную принципиальную схему, как совокупность системы целевых механизмов, системы их энергообеспечения и системы управления, связанных материальными, энергетическими и информационными потоками.

3. Описать целевой, механический, энергетический и информационный интерфейс компонентов машины. Выбрать стандартные компоненты и поставить технические задания на оригинальные. Уточнить КПС.

4. Разработать принципиальную электрическую схему оригинального компонента машины.


Содержание графической части.

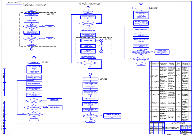
  1. Процессная модель машины..................................................1 л.
  2. Комплексная принципиальная схема....................................2 л.
  3. Принципиальная электрическая схема.................................1 л.


Содержание расчетно-пояснительной записки.


  1. Введение.
  2. Описание процессной модели. Выбор и обоснование целевых, сервисных функций и

функций коррекции цели.

3. Выбор и обоснование стандартных компонентов машины: информационный поиск микросхем и исполнительных элементов, описание целевого, механического, энергетического

и информационного интерфейса этих элементов.

  1. Описание комплексной принципиальной схемы.
  2. Технические задания на оригинальные элементы и узлы машины.
  3. Расчет и описание схемы.
  4. Заключение.








Содержание:

Аннотация………………………………………………………………………4

Раздел I. Процессная модель 5

1. Назначение установки контроля………………………………………….….5

  1. Локальный анализ целевых процессов……………………............................5

2.1. Общие требования к алгоритму управления. Функции системы……...5

2.2. Режим работы……………………………………………………………..5

  1. Процессы, реализуемые в системе………………...........................................6

3.1. Основные целевые процессы……………………………………..……...6

3.2. Сервисные процессы……….……………………………………..……....9

3.3. Процессы коррекции цели….…………………………..………..……...10

Раздел II. Комплексная принципиальная схема 11

1. Комплексная принципиальная схема механики….......................................11

  1. Комплексная принципиальная схема САУ……………...............................12
    1. . Промышленный компьютер……………................................................12
    2. . Блок питания и измерения …..………………………………………....13

2.2.1. Расчёт количества витков трансформатора блока питания……15

2.3. Интерфейс RS-232C…………………………………………………….16

2.3.1. Преобразователь уровня МАХ220………………………………17

2.4. Задняя штекерная панель…………………………………………....….17

Раздел III. Принципиальная электрическая схема 18


1. Блок управления коммутационной матрицей…………….………………18

2. Коммутационный узел………………….………………………………….19


Раздел IV. Техническое задание на элементы и узлы машины 21

1. Механический интерфейс………………………………….………………21

2. Энергетический интерфейс……………….……………….………………21

3. Информационный интерфейс……………..……………….………………21

4. Принципиальная электрическая схема...………………….………………22


Заключение…………………………………………………………………….23


Список литературы.......................................................................................….24


Приложения...................................................................................................…25


АННОТАЦИЯ


В данном курсовом проекте рассматриваются вопросы, связанные с автоматизацией процесса электрического зондового контроля параметров печатных плат на предлагаемой установке. Была разработана система автоматического управления (САУ) процессом, которая позволяет:

  • проверять работоспособность установки контроля;
  • проверять печатную плату на обрыв проводников (цепей);
  • проверять печатную плату на короткое замыкание проводников (цепей);
  • измерять сопротивление (R) проводников (цепей) на печатной плате;
  • сравнивать полученные результаты проверок.

Курсовой проект выполнен в объеме 4-х листов и расчетно-пояснительной записки. На первом листе приведены блок-схемы алгоритмов и таблица ресурсов (процессная модель). На втором листе приведена комплексная принципиальная схема (КПС) механической части установки с перечнем элементов и таблицей измерительных потоков. На третьем листе приведена функциональная схема (ФС) системы связи промышленного компьютера с блоком питания и измерения, коммутационным блоком с таблицей управляющих и измерительных потоков. На четвертом листе приведена принципиальная схема одной коммутационной матрицы на мультиплексорах, управление этой матрицы специальной платой – блоком управления.

В расчетно-пояснительной записке описано назначение установки. Технология разделена на процессы. Выбраны процессы коррекции цели и сервисные процессы. Описаны комплексная принципиальная схема (КПС) и функциональная схема (ФС) установки. Описана принципиальная электрическая схема и работа установки. Произведены необходимые расчеты.





















Раздел I. Процессная модель


1. Назначение установки контроля


Установка контроля предназначена для зондового контроля печатных плат на обрыв и короткое замыкание цепей, измерения электрического сопротивления проводников при соблюдении следующих требований.

- платы несмонтированные (без припаянных компонентов);

- общее число тестовых точек = 2048 (расположение зондов сверху и снизу выбирается произвольно, по умолчанию: 1024 на верхнем адаптере и 1024 на нижнем адаптере);

- толщина плат не более 2,5 мм.

При проведении контрольных операций проводится сравнение полученных данных с теоретическими (прогнозируемыми) значениями и соответствующая корректировка с добавлением неисправных цепей в список отказов (“Disabled List”).

Данные по проверяемой плате поступают в формате IPC-D-356.


2. Локальный анализ целевых процессов


2.1. Общие требования к алгоритму управления. Функции системы


Установка должна работать в непрерывном цикле.

Система управления должна реализовать основные целевые, сервисные функции и функции коррекции цели.

2.1.1. Основные целевые функции.

  • Установка электрического контакта в системе промышленный компьютер – зонды – тестовые точки на плате.
  • Контроль на обрыв.
  • Контроль на короткое замыкание.
  • Измерение сопротивления цепи.

2.1.2. Сервисные функции.

  • Проверка работоспособности установки контроля.

2.1.3. Функции коррекции цели.

  • Установка значения контрольного сигнала (тока, напряжения).
  • Установка диапазона измерений.
  • Сравнение данных измерения с ожидаемыми значениями.


2.2. Режимы работы


Система управления должна работать в двух режимах: автоматическом и режиме коррекции цели. В каждом из режимов допустимо использовать свой перечень реализуемых процессов.

2.2.1. В режиме коррекции цели на экране монитора задаются параметры контрольных операций (напряжение, максимальный ток, диапазон сопротивлений). В меню данные параметры можно корректировать.

2.2.2. Автоматический режим включается при запуске программы.

Любой процесс можно прервать нажатием на клавишу “Esc”.



3. Процессы, реализуемые в системе


3.1. Основные целевые процессы


В таблице 1 приведен перечень выполняемых в системе управления процессов для реализации целевых функций установки. В столбце «Критерий начала процесса» и «Критерий окончания процесса» приведены соответствующие критерии

Характеристики курсовой работы

Список файлов

Разработка САУ установки зондового контроля параметров печатных плат
list1.cdw
list1_print.cdw
list2.cdw
list2_print.cdw
list3.cdw
list3_print.cdw
list4.cdw
list4_print.cdw
zap.doc
Прочти меня.txt
Картинка-подпись
Зарабатывай на студизбе! Просто выкладывай то, что так и так делаешь для своей учёбы: ДЗ, шпаргалки, решённые задачи и всё, что тебе пригодилось.
Начать зарабатывать

Комментарии

Нет комментариев
Стань первым, кто что-нибудь напишет!
Поделитесь ссылкой:
Цена: 1 200 руб.
Расширенная гарантия +3 недели гарантии, +10% цены
Рейтинг автора
4,79 из 5
Поделитесь ссылкой:
Сопутствующие материалы

Подобрали для Вас услуги

-26%
-55%
Вы можете использовать курсовую работу для примера, а также можете ссылаться на неё в своей работе. Авторство принадлежит автору работы, поэтому запрещено копировать текст из этой работы для любой публикации, в том числе в свою курсовую работу в учебном заведении, без правильно оформленной ссылки. Читайте как правильно публиковать ссылки в своей работе.
Свежие статьи
Популярно сейчас
Зачем заказывать выполнение своего задания, если оно уже было выполнено много много раз? Его можно просто купить или даже скачать бесплатно на СтудИзбе. Найдите нужный учебный материал у нас!
Ответы на популярные вопросы
Да! Наши авторы собирают и выкладывают те работы, которые сдаются в Вашем учебном заведении ежегодно и уже проверены преподавателями.
Да! У нас любой человек может выложить любую учебную работу и зарабатывать на её продажах! Но каждый учебный материал публикуется только после тщательной проверки администрацией.
Вернём деньги! А если быть более точными, то автору даётся немного времени на исправление, а если не исправит или выйдет время, то вернём деньги в полном объёме!
Да! На равне с готовыми студенческими работами у нас продаются услуги. Цены на услуги видны сразу, то есть Вам нужно только указать параметры и сразу можно оплачивать.
Отзывы студентов
Ставлю 10/10
Все нравится, очень удобный сайт, помогает в учебе. Кроме этого, можно заработать самому, выставляя готовые учебные материалы на продажу здесь. Рейтинги и отзывы на преподавателей очень помогают сориентироваться в начале нового семестра. Спасибо за такую функцию. Ставлю максимальную оценку.
Лучшая платформа для успешной сдачи сессии
Познакомился со СтудИзбой благодаря своему другу, очень нравится интерфейс, количество доступных файлов, цена, в общем, все прекрасно. Даже сам продаю какие-то свои работы.
Студизба ван лав ❤
Очень офигенный сайт для студентов. Много полезных учебных материалов. Пользуюсь студизбой с октября 2021 года. Серьёзных нареканий нет. Хотелось бы, что бы ввели подписочную модель и сделали материалы дешевле 300 рублей в рамках подписки бесплатными.
Отличный сайт
Лично меня всё устраивает - и покупка, и продажа; и цены, и возможность предпросмотра куска файла, и обилие бесплатных файлов (в подборках по авторам, читай, ВУЗам и факультетам). Есть определённые баги, но всё решаемо, да и администраторы реагируют в течение суток.
Маленький отзыв о большом помощнике!
Студизба спасает в те моменты, когда сроки горят, а работ накопилось достаточно. Довольно удобный сайт с простой навигацией и огромным количеством материалов.
Студ. Изба как крупнейший сборник работ для студентов
Тут дофига бывает всего полезного. Печально, что бывают предметы по которым даже одного бесплатного решения нет, но это скорее вопрос к студентам. В остальном всё здорово.
Спасательный островок
Если уже не успеваешь разобраться или застрял на каком-то задание поможет тебе быстро и недорого решить твою проблему.
Всё и так отлично
Всё очень удобно. Особенно круто, что есть система бонусов и можно выводить остатки денег. Очень много качественных бесплатных файлов.
Отзыв о системе "Студизба"
Отличная платформа для распространения работ, востребованных студентами. Хорошо налаженная и качественная работа сайта, огромная база заданий и аудитория.
Отличный помощник
Отличный сайт с кучей полезных файлов, позволяющий найти много методичек / учебников / отзывов о вузах и преподователях.
Отлично помогает студентам в любой момент для решения трудных и незамедлительных задач
Хотелось бы больше конкретной информации о преподавателях. А так в принципе хороший сайт, всегда им пользуюсь и ни разу не было желания прекратить. Хороший сайт для помощи студентам, удобный и приятный интерфейс. Из недостатков можно выделить только отсутствия небольшого количества файлов.
Спасибо за шикарный сайт
Великолепный сайт на котором студент за не большие деньги может найти помощь с дз, проектами курсовыми, лабораторными, а также узнать отзывы на преподавателей и бесплатно скачать пособия.
Популярные преподаватели
Добавляйте материалы
и зарабатывайте!
Продажи идут автоматически
7162
Авторов
на СтудИзбе
252
Средний доход
с одного платного файла
Обучение Подробнее