Для студентов МФПУ «Синергия» по предмету Системы автоматического регулированияСистемы автоматического регулирования Итоговый, компетентностный тестСистемы автоматического регулирования Итоговый, компетентностный тест
4,99521411
2025-06-092025-06-09СтудИзба
📚 Коллекция ответов по предмету Системы автоматического регулирования в Синергии – большая база! 💯
Ответы к заданиям Итоговый: Системы автоматического регулирования Итоговый, компетентностный тест
Описание
Крупная база ответов к предмету🔥 Системы автоматического регулирования 🔥
С помощью данной коллекции вы 100% сдадите ЛЮБОЙ тест.
▶️ Готовые практики / Готовые базы ответов / Отдельные ответы ◀️
➡️ Любой тест / Любая практика / Любая НИР ⬅️
🗝️ Сессия под ключ 🗝️
(жми на нужную ссылку! 😉 )
С помощью данной коллекции вы 100% сдадите ЛЮБОЙ тест.
▶️ Готовые практики / Готовые базы ответов / Отдельные ответы ◀️
➡️ Любой тест / Любая практика / Любая НИР ⬅️
🗝️ Сессия под ключ 🗝️
(жми на нужную ссылку! 😉 )
- Итоговая аттестация
- Итоговый тест
- Компетентностный тест
- Заключение
Список вопросов
Что называют системой управления?
Элемент системы автоматического регулирования, предназначенный для изменения пропуска пара в турбину в целях изменения частоты вращения или мощности турбины при переменной нагрузке генератора
Недостатком шарового клапана является
Для чего предназначены автоматические устройства сигнализации?
Как называется устройство, осуществляющее непосредственное управляющее воздействие на объект управление?
Как называется устройство, предназначенное для перемещения регулирующего органа?
В АСР с ПИ-регулятором перемещение регулирующего органа осуществляется пропорционально сумме отклонения и интеграла отклонения регулируемой величины регулируемой величины и описывается выражением ![]()

Оценка качества регулирования по площади под графиками переходных процессов при подаче по каналу регулирующего органа ступенчатого входного воздействия называется
В автоматические тепловые защиты барабанных котлов не входит
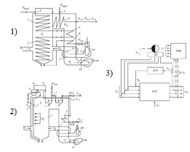
Принципиальная технологическая схема прямоточного кола имеет вид ![]()

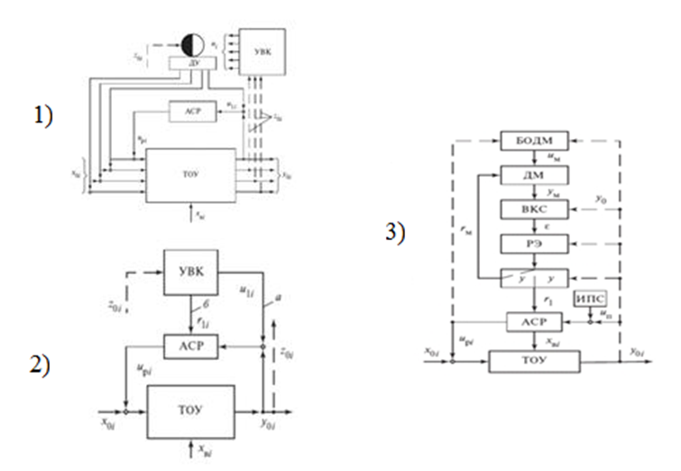
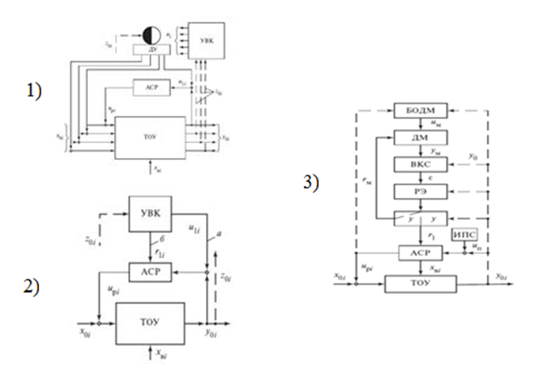
Функциональная схема регулирования температуры первичного перегрева пара имеет вид ![]()

Принципиальная схема трехимпульсной АСР питания водой барабанного парогенератора имеет вид ![]()

В чем сложность условий протекания технологических процессов на ТЭС?
В чем сложность условий протекания технологических процессов на ТЭС?
При оперативном контроле в целях получения информации о ходе технологического процесса по энергоблокам, в том числе, предусматривают
Информационными функциями АСУ ТП, выполняемые оперативно, в том числе, являются
Информационными функциями АСУ ТП, выполняемые неоперативно, в том числе, являются
Как называется режим поддержания паровой нагрузки котла, когда воспринимаются колебания тепловой и электрической нагрузок турбин
Функции, реализуемые в ИВК, позволяют использовать их в целях формирования, в том числе
При анализе организации базы данных используют два уровня описания
Логическое описание организации базы данных определяет
Логическая независимость баз данных от прикладных программ означает, что
Технические средства представления информации оператору по своему назначению разделяются на две группы:
Условное графическое изображение всего или части технологического процесса в виде комплекса символов, каждый из которых соответствует определенному агрегату, узлу или участку ТОУ называется
Техническими средствами отображения образной информации в информационных системах АСУ ТП служат
Процесс измерения теплотехнических величин с помощью совокупности средств, осуществляющих эти измерения, называется
Характеристики ответов (шпаргалок) к заданиям
Тип
Коллекция: Ответы (шпаргалки) к заданиям
Учебное заведение
Номер задания
Программы
Просмотров
4
Качество
Идеальное компьютерное
Количество вопросов


Гарантия сдачи без лишних хлопот! ✅🎓 Ответы на тесты по любым дисциплинам, базы вопросов, работы и услуги для Синергии, МЭИ и других вузов – всё уже готово! 🚀 🎯📚 Гарантия качества – или возврат денег! 💰✅