📝Помощь с письменной работой «КМ-3: Проектирование схем» в ИДДО – гарантия результата!☑️
Услуга: Помощь со сдачей - КМ-3. Проектирование схем. Лабораторная работа
-30%
Описание
Помощь со сдачей письменной работы - КМ-3. Проектирование схем. Лабораторная работа
➡️ Другие работы по курсу ⬅️| Отдельные ответы по предмету
Задание (полный файл задания смотрите в "демо"):
Часть 2. Регистры и счетчики➡️Любой предмет | Любой тест | Любая практика | ВКР (Диплом)⬅️
🗝️ ▶Помощь с сессией/долгами под ключ ◀ 🗝️
➡️ Другие работы по курсу ⬅️| Отдельные ответы по предмету
Задание (полный файл задания смотрите в "демо"):
- Задание 1.Подтвердите приведенные выше утверждения 1.1.С помощью системы моделирования DEEDS создайте проект RS NOR триггера. Обратите внимание, что начальное значение выходных сигналов триггера - X (неопределенно - см. диаграммы на рис. 1.2). 1.2.Подайте сигнал «1» на вход S, а сигнал «0» - на вход R. Тогда выходной сигнал Q=0, а на выходе NQ сигнал =1.. Это установка триггера в 1. 1.3.Подайте сигнал «1» на вход R и сигнал «0» - на вход S . На выходе Q появляется сигнал «0», на выходе NQ - сигнал «1». Это сброс триггера в 0. 1.4.Убедитесь, что когда оба входа S и R равны «0», триггер запоминает старое значение. Это режим хранения в триггере. 1.5.Если сигналы R = 1 и S = 1 одновременно подаются на входы триггера RS, то выходные сигналы будут Q = NQ = 0. Эта комбинация входных сигналов R = 1 и S = 1 называется запрещенной для RS NOR триггера . Запрет означает только то, что если после входной комбинации R = 1 и S = 1 подается комбинация R = 0 и S = 0, то появляются так называемые гонки сигналов. Состояние, в которое переходит триггер, определяется соотношением задержек в его логических элементах. Некоторые триггеры в реальной схеме перейдут в состояние «1», другие «0». Логический элемент (логический вентиль) имеет задержку распространения сигнала (Tpd). Для реальных элементов это случайная величина в диапазоне от Tpdmin до Tpdmax, определяемая нестабильностью технологического процесса их изготовления. Время установки триггера RS в новое состояние в среднем составляет Tpd_rs = 2 * Tpd_gate (рис.1.1).
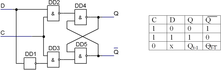
- Задание 2. D -Триггер защелка (статический D -Триггер , D-Latch). Схема D- Триггера защелки и его таблица истинности показаны на рис. 1.3. Когда тактовый сигнал C = 1, триггер D является «прозрачным», и выходной сигнал Q повторяет входной сигнал D. Если поступает сигнал C=0, триггер-защелка D запоминает последнее значение входного сигнала D (рис. 1.3).
Рис.1.3.СхемаD-триггера-защелки(D-LatchFlip-Flop)итаблица истинности
Поведение D-триггера-защелки( D-Latch Flip-Flop) вблизи спада сигнала C имеет особенности. В это время входной сигнал D не должен изменяться. Этот интервал времени начинается от времени предустановки tsetup до момента, пока синхросигнал C не станет =0, и заканчивается с истечением времени удержания(thold) после того, как сигнал C стал =0. Если сигнал D изменяется в течение этого интервала, состояние D-триггера-защелки(D-Latch Flip-Flop) непредсказуемо.
2.1.Изучите поведение схемы рис. 1.3.
2.2.Изучите поведение блока DEEDS D -триггера -защелки (Flip-Flop D- Latch).
2.3.Сравните полученные временные диаграммы двух схем.
- Задание 1. Изучение параллельных регистров. Условное графическое изображение (УГО) 8-разрядного параллельного регистра D-триггеров и 4- разрядного регистра- блока ДИИДС PIPO4 показано на рис. 2.1.Обозначение входов и выходов: -входы данных Di (Pi), тактовый вход C(Ck), -разрешающий вход E, -сброс вход R(CL), выход Qi.
- Задание 2. Регистры с тристабильными выходными буферами. Этот тип регистров используется при реализации схем типа общей шины. Условное графическое обозначение 8- разрядного параллельного регистра - микросхема ИР23 и эквивалентная схема его реализации в ДИИДС показаны ниже на рис. 2.2. Разработайте проект четырехразрядной общей шины на регистрах с тристабильными буферами, содержащий два входных регистра А и В и два выходных У1 и У2 и проверьте моделированием все 4 возможные передачи данных (из А в У1, из А в У2, из В в У1, из В в У2), записав в регистр А код, соответствующий вашему номеру в группе (остаток от деления номера на 16), в регистр В – инвертированный код из регистра А.
- Задание 3 . Счетчик по модулю М. Счетчик по модулю М, является счетчиком, модуль которого М не кратен степени двойки (т.е. например не равен 4 или 8 или 16 и .т.д.). За основу этого счетчика всегда берется двоичный счетчик, модуль счета К которого превышает М. Схема счетчика по модулю М = 6 на базе двоичного счетчика с К = 8 представлена на рис. 2.3.
- Задание. Разработайте и проверьте проект счетчика по модулю М, где М - ваш номер варианта + 5, используя блоки счетчики ДИИДС. Если номер варианта + 5 является степенью двойки или равен 6, то модуль нужно выбрать равным М = 7.
🗝️ ▶Помощь с сессией/долгами под ключ ◀ 🗝️
Файлы условия, демо

📢 Есть вопросы или нужна помощь? Не знаете, как оформить заказ или оплатить?
👉 Просто нажмите кнопку Написать эксперту — я сразу отвечу, помогу разобраться и оформить всё за вас. 💬
🔥 Быстро. Удобно. Без лишних сложностей!
👉 Просто нажмите кнопку Написать эксперту — я сразу отвечу, помогу разобраться и оформить всё за вас. 💬
🔥 Быстро. Удобно. Без лишних сложностей!
Характеристики домашнего задания
Предмет
Учебное заведение
Номер задания
Программы
Теги
Просмотров
3
Качество
Идеальное компьютерное
Срок выполнения
3 суток
Преподаватели
Комментарии
Нет комментариев
Стань первым, кто что-нибудь напишет!
Рис.1.3.СхемаD-триггера-защелки(D-LatchFlip-Flop)итаблица истинности
ИДДО НИУ «МЭИ» 
meimei1337








