Курсовая работа: Курсовой проект RGB светильник (РТ2/ИУ4)
Описание
Курсовой проект на микроконтроллере PIC12F629. В архиве есть вся документация+прошивка+РПЗ
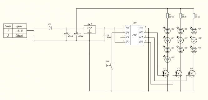
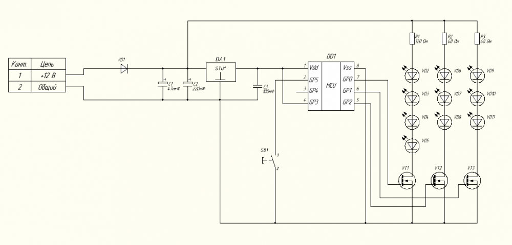
Принципиальная схема:![]()
Принципиальная схема:
Характеристики курсовой работы
Предмет
Учебное заведение
Семестр
Просмотров
37
Качество
Идеальное компьютерное
Размер
17,29 Mb
Список файлов
Курсач_схемота
FrcF_ArC3X0.jpg
SD2yY4-OcEE.jpg
ScULfEci4Nc.jpg
fotoshabp.pdf
ПД1_Алгоритм работы.spl7
ПД2_Демонстрационный плакат.spl7
ПП.spl7
Перечень элементов.cdw
Прошивка (HEX).HEX
РПЗ.docx
СБ_Сборочный.cdw
СП_Спецификация.cdw
Э1_Структурная.spl7
Э2_Функциональная.spl7
Э3_Принципиальная.spl7
Комментарии
Нет комментариев
Стань первым, кто что-нибудь напишет!
МГТУ им. Н.Э.Баумана


















