Для студентов МГТУ им. Н.Э.Баумана по предмету СхемотехникаМультивибратор с 3-мя режимами работы (РТ)Мультивибратор с 3-мя режимами работы (РТ)
5,00554
2021-05-292021-05-29СтудИзба
Курсовая работа: Мультивибратор с 3-мя режимами работы (РТ)
Описание
В архиве вся необходимая документация.
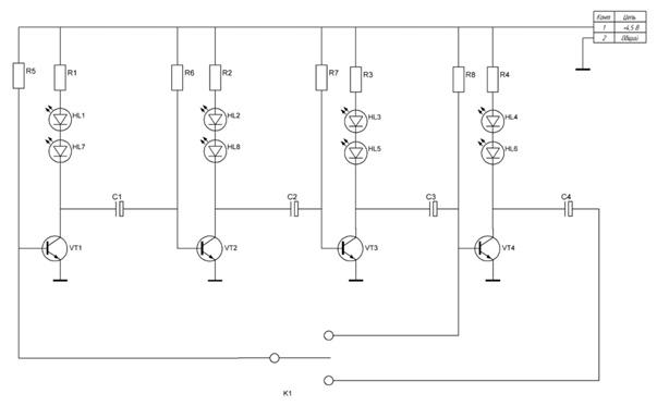
Принципиальная схема:
![]()
Принципиальная схема:

Характеристики курсовой работы
Предмет
Учебное заведение
Семестр
Просмотров
31
Качество
Идеальное компьютерное
Размер
7,84 Mb
Список файлов
КП схемотех
Модельки для альтиума
3Д
1n4148-2.step
61f793_mta106epc.stp
Capacitor-radial.step
MOSFET.STEP
Pitanie-KLS2-340-3_81-1.step
User Library-CFR-25 CFR50S (300mils)-2.STEP
User Library-Cap electro 8x11_5x3_5mm.step
User_Library-TO-92_SS127.step
button-KLS7-TS6601-7.STEP
everlight-3MM-LED-BLUE.step
everlight-3MM-LED-GREEN.step
everlight-3MM-LED-ORANGE.step
everlight-3MM-LED-RED.step
everlight-3MM-LED-YELLOW.step
УГО
capacitor.SchLib
diode.SchLib
ic-adc-dac-dds.SchLib
inductor.SchLib
resistor.SchLib
resistor.~(1).SchLib
transistor.SchLib
transistor.~(1).SchLib
altium.png
Задание.docx
Изометрия.cdw
ОПИСАНИЕ.txt
ПД1 Демонстрационный плакат сравнительный.spl7
МГТУ им. Н.Э.Баумана


















