Для студентов ИДДО НИУ «МЭИ» по предмету СхемотехникаКурс Схемотехника - Цепи постоянного тока. СамопроверкаКурс Схемотехника - Цепи постоянного тока. Самопроверка
4,99521283
2025-05-042025-05-04СтудИзба
💼 База ответов к тесту САМОПРОВЕРКА: Цепи постоянного тока (Курс Схемотехника) 📊
Ответы к заданиям САМОПРОВЕРКА: Курс Схемотехника - Цепи постоянного тока. Самопроверка
Описание
Курс Схемотехника - Цепи постоянного тока. Самопроверка
🔴 Другие тесты | Отдельные ответы по предмету | Помощь со сдачей ⬅️
➡️Любой предмет | Любой тест | Любая практика | ВКР (Диплом)⬅️
🗝️ ▶Помощь с сессией/долгами под ключ ◀ 🗝️
🔴 Другие тесты | Отдельные ответы по предмету | Помощь со сдачей ⬅️
➡️Любой предмет | Любой тест | Любая практика | ВКР (Диплом)⬅️
🗝️ ▶Помощь с сессией/долгами под ключ ◀ 🗝️
Список вопросов
Какой участок ВАХ стабилитрона используется для стабилизации напряжения?
В чем заключается алгоритм «прямого хода» в методе «свертывания»?
В чем заключается алгоритм «обратного хода» в методе «свертывания»?
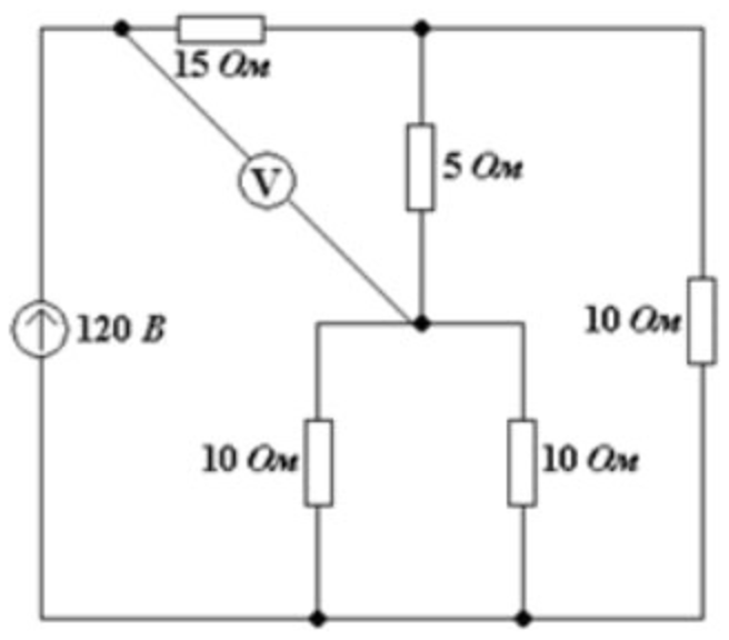
Определить показания вольтметра
![]()

Определить показания вольтметра
![]()

Чему равно внутреннее сопротивление идеального амперметра?
Определите количество ветвей и узлов в схеме, приведенной на рисунке
![]()

Сколько независимых уравнений по закону Кирхгофа для тока можно записать для схемы на рисунке?
![]()

Сколько независимых уравнений по закону Кирхгофа для напряжения можно записать для схемы на рисунке?
![]()

Что произойдет в электрической цепи, если сопротивление пассивного элемента в ней заменить источником ЭДС, величина ЭДС которого равна напряжению на этом элементе и направлена навстречу току?
Как определить знак мощности источника при записи баланса мощности?
Принцип суперпозиции (наложения)…
Какими элементами заменили двигатель, генератор и аккумулятор в схеме замещения (задача разобрана в уроке)?
Как в задаче, разобранной в уроке, определили количество уравнений по закону Кирхгофа для напряжений?
Как нужно соединить два резистора и выбрать их сопротивления, чтобы при питании от одного источника напряжения отношение их токов было 1:3?
Три резистора соединены по схеме звезда. Сопротивления двух резисторов одинаковые, равные R, а сопротивление третьего резистора в 2 раза больше. Найдите сопротивления ветвей эквивалентного звезде треугольника
Почему в схеме, приведенной на рисунке, нужно преобразовать соединение звездой в треугольник?

Есть ли на схеме элементы, соединенные треугольником? Если есть, то сколько соединений треугольником вы нашли?
![]()

Почему рабочую точку в усилителях на биполярных транзисторах выбирают посередине ВАХ?
Как графически решается система уравнений?
Характеристики ответов (шпаргалок) к заданиям
Тип
Коллекция: Ответы (шпаргалки) к заданиям
Предмет
Учебное заведение
Номер задания
Теги
Просмотров
3
Качество
Идеальное компьютерное
Количество вопросов
Преподаватели

Гарантия сдачи без лишних хлопот! ✅🎓 Ответы на тесты по любым дисциплинам, базы вопросов, работы и услуги для Синергии, МЭИ и других вузов – всё уже готово! 🚀 🎯📚 Гарантия качества – или возврат денег! 💰✅